电脑桌面
添加小米粒文库到电脑桌面
安装后可以在桌面快捷访问

数控系统补偿参数介绍VIP专享VIP免费

数控系统补偿参数介绍_第1页
1/12
数控系统补偿参数介绍_第2页
2/12
数控系统补偿参数介绍_第3页
3/12
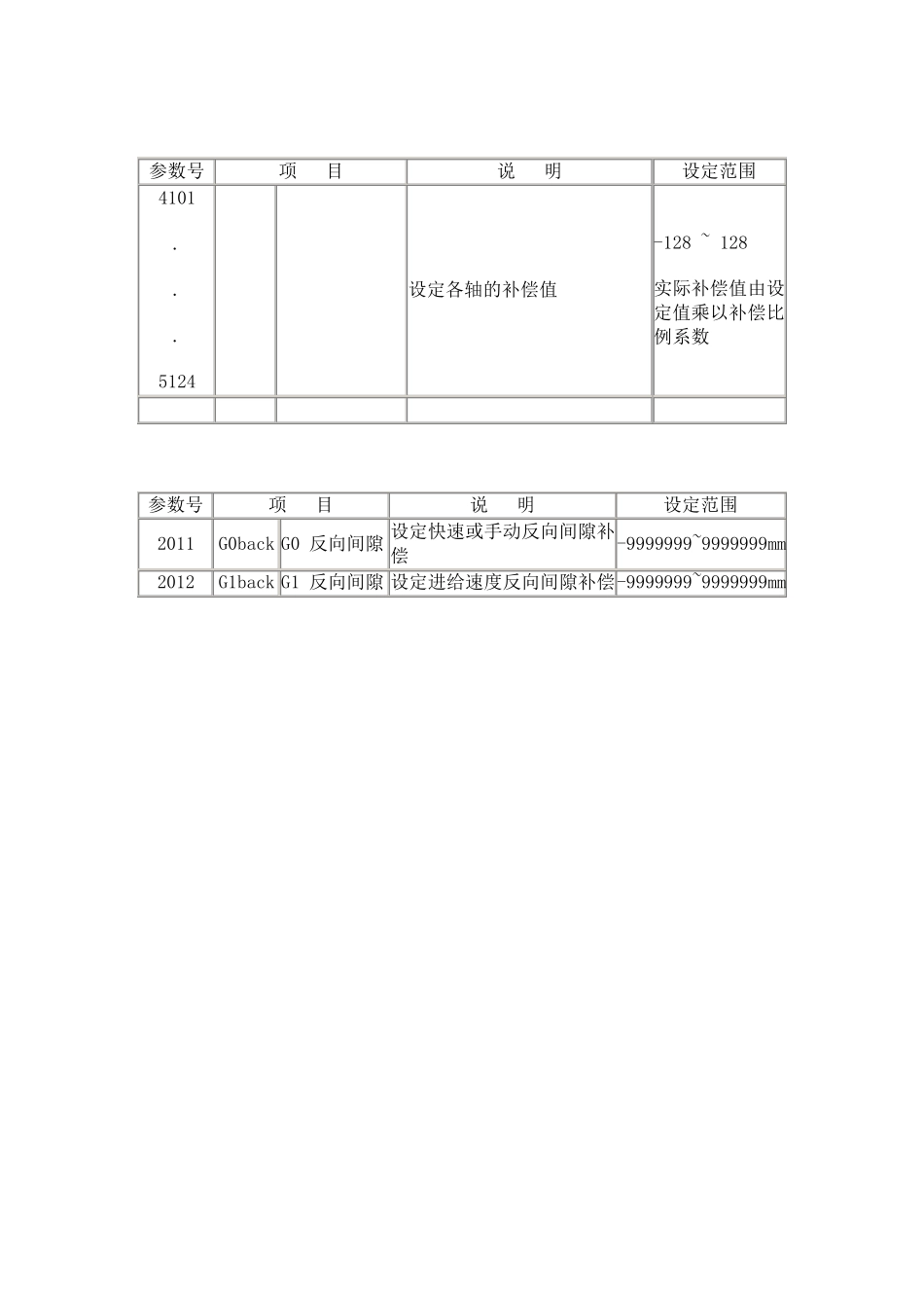
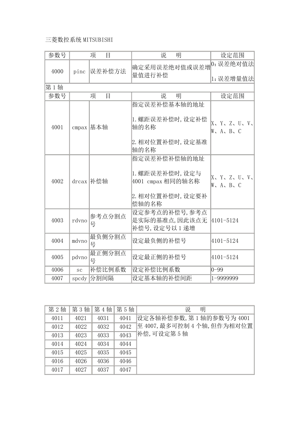
三菱数控系统MITSUBISHI 参数号 项 目 说 明 设定范围 4000 pinc 误差补偿方法 确定采用误差绝对值或误差增量值进行补偿 0:误差绝对值法 1:误差增量值法 第1 轴 参数号 项 目 说 明 设定范围 4001 cmpax 基本轴 指定误差补偿基本轴的地址 1.螺距误差补偿时,设定补偿轴的名称 2.相对位置补偿时,设定基准轴的名称 X、Y、Z、U、V、W、A、B、C 4002 drcax 补偿轴 指定误差补偿补偿轴的地址 1.螺距误差补偿时,设定与4001 cmpax 相同的轴名称 2.相对位置补偿时,设定要补偿轴的名称 X、Y、Z、U、V、W、A、B、C 4003 rdvno 参考点分割点号 设定参考点的补偿号,参考点是实际的基准点,因此该点无补偿号,设定号以 1 递增 4101-5124 4004 mdvno 最负侧分割点号 设定最负侧的补偿号 4101-5124 4005 pdvno 最正侧分割点号 设定最正侧的补偿号 4101-5124 4006 sc 补偿比例系数 设定补偿比例系数 0-99 4007 spcdy 分割间隔 设定基本轴的补偿间距 1-9999999 第2 轴 第3 轴 第4 轴 第5 轴 说 明 4011 4021 4031 4041 设定各轴补偿参数,第1 轴的参数号为 4001至 4007,最多可控制 4 个轴,但作为相对位置补偿,可设定第5 轴 4012 4022 4032 4042 4013 4023 4033 4043 4014 4024 4034 4044 4015 4025 4035 4045 4016 4026 4036 4046 4017 4027 4037 4047 参数号 项 目 说 明 设定范围 4101 . . . 5124 设定各轴的补偿值 -128 ~ 128 实际补偿值由设定值乘以补偿比例系数 参数号 项 目 说 明 设定范围 2011 G0back G0 反向间隙 设定快速或手动反向间隙补偿 -9999999~9999999mm 2012 G1back G1 反向间隙 设定进给速度反向间隙补偿 -9999999~9999999mm (一)FANUC-0M 系列螺距误差补偿参数(表 1-1) 参数号 含义 设定值 备注 0011:#1,#0 补偿倍率 0712 X 轴螺距误差补偿间隔 0713 Y 轴螺距误差补偿间隔 0714 Z 轴螺距误差补偿间隔 0715 第 4 轴螺距误差补偿间隔 1000 X 轴参考点补偿号 1001-1128 X 轴各点螺距误差补偿值 2000 Y 轴参考点补偿号 2001-2128 Y 轴各点螺距误差补偿值 3000 Z 轴参考点补偿号 3001-3128 Z 轴各点螺距误差补偿值 4000 第 4 轴参考点补偿号 4001-4128 第 4 轴各点螺距误差补偿值 5000 第 5 轴参考点补偿号 5001-5128 第 5 轴各点螺...

1、当您付费下载文档后,您只拥有了使用权限,并不意味着购买了版权,文档只能用于自身使用,不得用于其他商业用途(如 [转卖]进行直接盈利或[编辑后售卖]进行间接盈利)。
2、本站所有内容均由合作方或网友上传,本站不对文档的完整性、权威性及其观点立场正确性做任何保证或承诺!文档内容仅供研究参考,付费前请自行鉴别。
3、如文档内容存在违规,或者侵犯商业秘密、侵犯著作权等,请点击“违规举报”。

碎片内容

数控系统补偿参数介绍

确认删除?
VIP
微信客服
  • 扫码咨询
会员Q群
  • 会员专属群点击这里加入QQ群
客服邮箱
回到顶部