电脑桌面
添加小米粒文库到电脑桌面
安装后可以在桌面快捷访问

超细干粉施工方法VIP免费

超细干粉施工方法_第1页
1/11
超细干粉施工方法_第2页
2/11
超细干粉施工方法_第3页
3/11
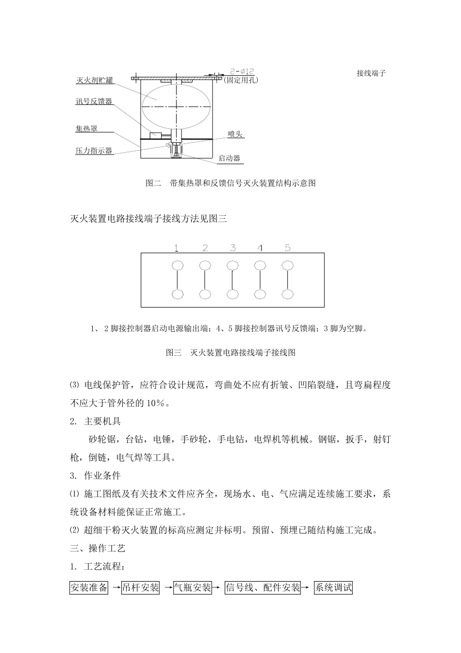
超细干粉灭火装置系统施工的方法 一、范围 本工艺标准适用于本工程的室内超细干粉灭火装置系统的安装。 二、施工准备 1. 主要材料 1.1 悬挂式灭火装置组成 灭火装置的组成 悬挂式超细干粉灭火装置主要由灭火剂贮罐、超细干粉灭火剂、喷头、感温元件、引发器、压力指示器等组成。见图一 1.2 悬挂式灭火装置的启动方式 电引发启动: a 当防护区采用火灾报警控制系统时,灭火装置可采用电引发启动方式启动。 b 电引发启动装置的组成 灭火装置的电引发启动装置主要由套在灭火装置玻璃球感温元件上的电引发启动器组成,该装置与火灾报警控制系统相连。 c 电引发启动工作原理 火灾时,火灾报警控制系统探测到火情,经报警灭火控制器确认并发出灭火指令给模块,输入输出模块动作接通灭火装置上的电子启动器电源,致使玻璃球感温元件受热膨胀破裂,开启喷头喷放灭火剂灭火。 d 电控启动系统控制工作程序 热引发器电引发器吊环灭火剂贮罐压力指示器喷头喷头压力指示器灭火剂贮罐吊环喷头压力指示器灭火剂贮罐吊环感温元件图一.悬挂式灭火装置结构示意图 人员发现电气手动紧急启动紧急停止释放反馈释放显示设备联动(关闭电源、风机、防火阀等)火 情感温探测器火灾报警控制器延 时灭 火火警显示(声光报警)感烟探测器灭火控制器启动器动作喷头喷放灭火剂 e 电引发启动灭火系统有自动、电气手动两种控制方式 e.1 自动灭火 将灭火控制器控制方式设置于“自动”位置时,系统处于自动控制状态。防护区发生火灾时,灭火控制器接收到火灾探测器两个独立的火灾信号后发出声光报警信号,延时30 秒后,启动灭火装置喷放灭火剂灭火,讯号反馈器向控制器反馈灭火剂已释放信号。 e.2 电气手动灭火 将灭火控制器控制方式设置于“手动”位置时,系统处于电气手动控制状态。防护区发生火灾时,按下灭火控制器或手动控制盘上的启动按钮,即可按规定程序启动灭火系统灭火。 e.3 紧急停止 灭火系统自动启动或手动启动后 ,在设定的延迟时间内按下紧急停止按钮 ,灭火装置可停止启动。 ⑵集热罩和反馈信号 带集热罩的悬挂式灭火装置是在灭火剂储罐外面加装一个方形外壳,底部成凹形可以集中保护区上升的热量,有利于灭火装置快速启动,罩内装有反馈信号器,一般一个保护区设置一至二具带反馈信号的灭火装置,向报警主机反馈真实的释放信号;也可以全部采用带集热罩的装置。 带集热罩的悬挂式超细干粉灭火装置主要由灭火剂贮罐、集热罩...

1、当您付费下载文档后,您只拥有了使用权限,并不意味着购买了版权,文档只能用于自身使用,不得用于其他商业用途(如 [转卖]进行直接盈利或[编辑后售卖]进行间接盈利)。
2、本站所有内容均由合作方或网友上传,本站不对文档的完整性、权威性及其观点立场正确性做任何保证或承诺!文档内容仅供研究参考,付费前请自行鉴别。
3、如文档内容存在违规,或者侵犯商业秘密、侵犯著作权等,请点击“违规举报”。

碎片内容

超细干粉施工方法

确认删除?
VIP
微信客服
  • 扫码咨询
会员Q群
  • 会员专属群点击这里加入QQ群
客服邮箱
回到顶部