电脑桌面
添加小米粒文库到电脑桌面
安装后可以在桌面快捷访问

跨越及临近带电线路施工专项方案VIP免费

跨越及临近带电线路施工专项方案_第1页
1/10
跨越及临近带电线路施工专项方案_第2页
2/10
跨越及临近带电线路施工专项方案_第3页
3/10
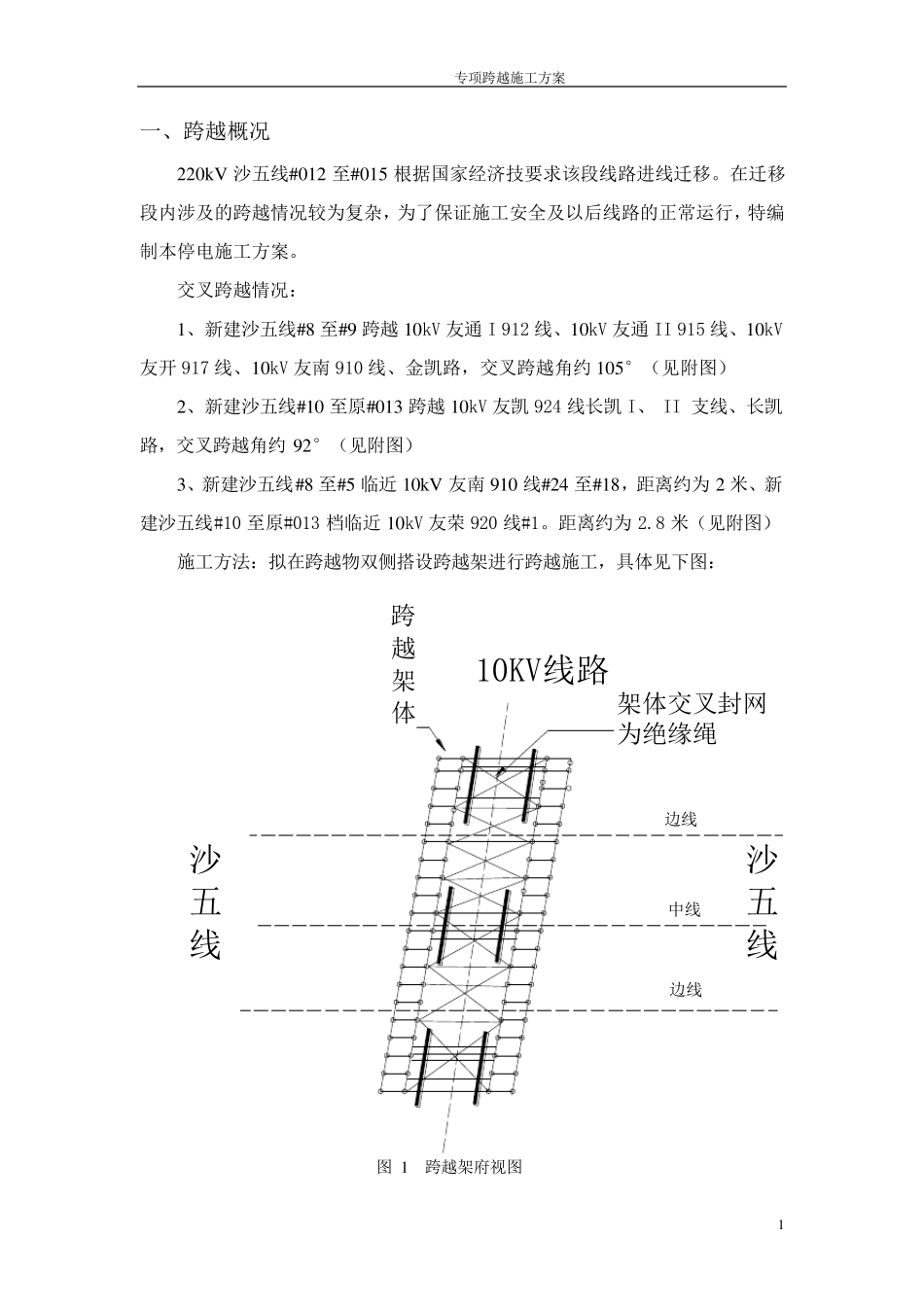
220kV 沙五线迁改工程 跨越及临近带电线路施工专项方案 批 准: 安健环部审核: 工程部审核: 编 制: 专项跨越施工方案 0 目录 一、跨越概况 .................................................................................................................................. 1 二、组织措施 .................................................................................................................................. 2 三、技术措施 .................................................................................................................................. 2 3 .1 施工步骤............................................................................................................................. 2 3 .2 施工控制措施 ..................................................................................................................... 3 3 .3 杆塔组立及导地线展放 ..................................................................................................... 4 四、安全措施 .................................................................................................................................. 4 五、环保措施 .................................................................................................................................. 5 附图:跨越情况 ............................................................................................................................... 7 专项跨越施工方案 1 一、跨越概况 220kV 沙五线#012 至#015 根据国家经济技要求该段线路进线迁移。在迁移段内涉及的跨越情况较为复杂,为了保证施工安全及以后线路的正常运行,特编制本停电施工方案。 交叉跨越情况: 1、新建沙五线#8 至#9 跨越10kV 友通I 912 线、10kV 友通II 915 线、10kV友开917 线、10kV 友南910 线、金凯路,交叉跨越角约105°(见附图) 2、新建沙五线#10 至原#013 跨越10kV 友凯924 线长凯I、 II 支线、长凯路,交叉跨越角约92°(见附图) 3、新建沙五线#8 至#5 临近 10kV 友南910 线#24 至#18,距离约为2 米、新建沙五线#10 至...

1、当您付费下载文档后,您只拥有了使用权限,并不意味着购买了版权,文档只能用于自身使用,不得用于其他商业用途(如 [转卖]进行直接盈利或[编辑后售卖]进行间接盈利)。
2、本站所有内容均由合作方或网友上传,本站不对文档的完整性、权威性及其观点立场正确性做任何保证或承诺!文档内容仅供研究参考,付费前请自行鉴别。
3、如文档内容存在违规,或者侵犯商业秘密、侵犯著作权等,请点击“违规举报”。

碎片内容

跨越及临近带电线路施工专项方案

您可能关注的文档

确认删除?
VIP
微信客服
  • 扫码咨询
会员Q群
  • 会员专属群点击这里加入QQ群
客服邮箱
回到顶部