电脑桌面
添加小米粒文库到电脑桌面
安装后可以在桌面快捷访问

勘察施工组织设计..VIP免费

勘察施工组织设计.._第1页
1/20
勘察施工组织设计.._第2页
2/20
勘察施工组织设计.._第3页
3/20
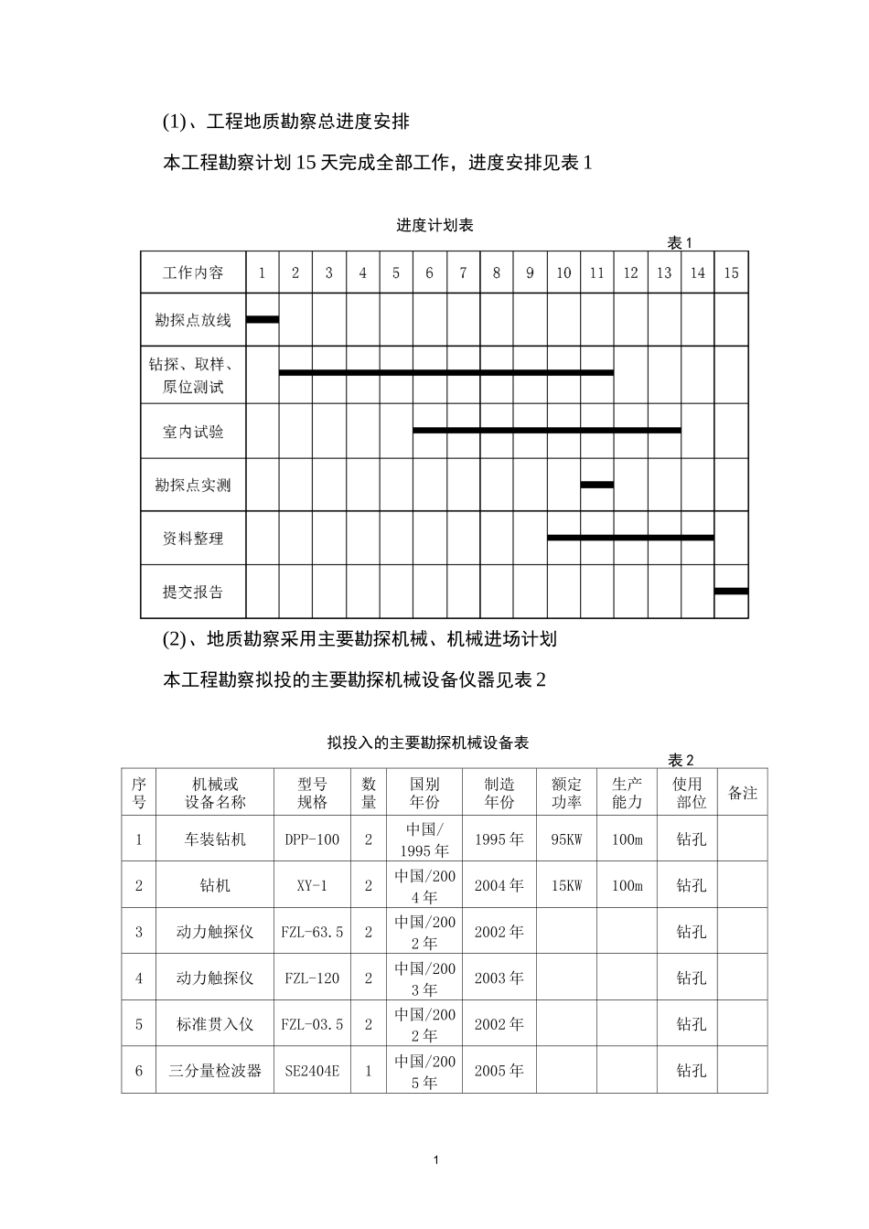
1(1)、工程地质勘察总进度安排本工程勘察计划 15 天完成全部工作,进度安排见表 1进度计划表表 1(2)、地质勘察采用主要勘探机械、机械进场计划本工程勘察拟投的主要勘探机械设备仪器见表 2拟投入的主要勘探机械设备表表 2序机械或型号数国别制造额定生产使用备注号设备名称规格量年份年份功率能力部位1车装钻机DPP-1002中国/1995 年1995 年95KW100m钻孔2钻机XY-12中国/2004 年2004 年15KW100m钻孔3动力触探仪FZL-63.52中国/2002 年2002 年钻孔4动力触探仪FZL-1202中国/2003 年2003 年钻孔5标准贯入仪FZL-03.52中国/2002 年2002 年钻孔6三分量检波器SE2404E1中国/2005 年2005 年钻孔27掌上动测仪FD204PDA1中国/2002 年2002 年钻孔8全站仪SET230R1中国/2004 年2004 年测量本工程勘察工作在合同约定的第一天首先进场测量仪器,进行勘探点放线,完成后撤出;同时钻探设备、动力触探试验仪、标准贯入试验仪、取样设备与钻探设备配套,在第一天、第二天,两天内全部进场,开始工作;波速测试仪器因体积小、重量轻,可随用随进,每孔测试完成后随时撤出;钻探完成后测量仪器再次进场进行勘探点最后实测。机械进场计划见表 3。机械进场计划表表 3机械名称123456789101112131415全站仪进场撤场钻机动力触探仪标准贯入仪取样器进场撤场波速测试仪随用随进,用后撤出全站仪进场撤场(3)、确保工程质量的技术组织措施1、严格执行我院 ISO9001 质量认证程序文件,充分发挥管理优势,广泛开展 QC 小组活动。2、成果评审:协同我院工程勘察、地基基础、结构设计方面的总工程师做为专家,对勘察成果进行评审,确保勘察成果达到省优。勘察策划I 作业准备I现场作业I室内试验I勘察阶段评审I资料整编I勘察报告确认I勘察报告交付I勘察后续月服务佶土工程调直钻探取样原位测试I 工程测星I 现场作业记录1 岩块试3勘察质量保证措施实施流程图如下:(4) 、确保安全生产的技术组织措施A、安全防护规定a、机台人员一般安全防护?、从事钻探操作人员,必须接受安全技术教育,经考试合格后方准进入岗位。对新工人(包括合同工、临时工)必须进行三级安全教育和在班长或技术熟练工人指导下进行操作。?、上班前和上班时不准喝酒。进入机台工作时必须穿戴合体的工作服、工作鞋和安全帽,不得赤膊、赤脚或穿拖鞋上岗操作。4?、在塔上工作时,必须系牢安全带。?、非电工人员不得装修电器设备和线路。使用手持电动工具必须绝缘可靠,外壳必须有良好接地或接...

1、当您付费下载文档后,您只拥有了使用权限,并不意味着购买了版权,文档只能用于自身使用,不得用于其他商业用途(如 [转卖]进行直接盈利或[编辑后售卖]进行间接盈利)。
2、本站所有内容均由合作方或网友上传,本站不对文档的完整性、权威性及其观点立场正确性做任何保证或承诺!文档内容仅供研究参考,付费前请自行鉴别。
3、如文档内容存在违规,或者侵犯商业秘密、侵犯著作权等,请点击“违规举报”。

碎片内容

勘察施工组织设计..

您可能关注的文档

确认删除?
VIP
微信客服
  • 扫码咨询
会员Q群
  • 会员专属群点击这里加入QQ群
客服邮箱
回到顶部