电脑桌面
添加小米粒文库到电脑桌面
安装后可以在桌面快捷访问

完整版钢筋混凝土结构课程设计VIP免费

完整版钢筋混凝土结构课程设计_第1页
1/10
完整版钢筋混凝土结构课程设计_第2页
2/10
完整版钢筋混凝土结构课程设计_第3页
3/10
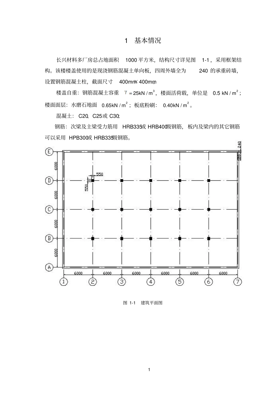
网络教育学院《钢筋混凝土结构课程设计》题目:长兴材料厂房单向板设计学习中心:专业:年级:学号:学生:指导教师:1 1基本情况长兴材料多厂房总占地面积1000 平方米,结构尺寸详见图1-1 ,采用框架结构。该楼楼盖使用的是现浇钢筋混凝土单向板,四周外墙全为240 的承重砖墙,设置钢筋混凝土柱,截面尺寸400mm×400mm。楼盖自重:钢筋混凝土容重325/kN m ,楼面活荷载,单位是0.52/kNm ;楼面面层:水磨石地面20.65/kN m ;板底粉刷:20.40/kN m 。混凝土: C20、C25或 C30;钢筋:次梁及主梁受力筋用HRB335或 HRB400级钢筋,板内及梁内的其它钢筋可以采用 HPB300或 HRB335级钢筋。图 1-1 建筑平面图2 2 单向板结构设计2.1 板的设计2.1.1 按构造要求,该楼盖厚80mm 现浇钢筋混凝土板,其恒荷载值为0.08×25=2kN/2m ,该楼板面铺 10mm 厚大理石, 20mm 厚混合砂浆抹灰, 其恒荷载值为0.01×28=0.28kN/2m 、0.02×17=0.34kN/2m 合计为 2.62kN/2m 。板的可变标准荷载值为3.5kN/2m ,永久荷载分项系数取1.2 或者 1.35,因楼面可变荷载标准值为3.5kN/2m ,所以可变荷载分项系数应取1.4。于是板的荷载总计算值:①q=Gkg +Qkq =1.35×2.62+0.7×1.4×3.5=6.967kN/2m②q=Gkg +Qkq =1.2×2.62+1.4×3.5=8.044kN/2m由于② >①,所以取② q=8.044kN/2m ,近似取 q=8kN/2m板的计算简图2.1.2 内力计算及配筋:在表 2-1 可查得,板的弯矩系数 α m 分别为:边跨中为1/11; 离端第二支座为 -1/11;中跨中为 1/16;中间支座为 -1/14,则有M1=-MB=1/11 (g+q)l0 2=1/11×8.04×2.022=2.982KN· m M2=M3=1/16 (g+q)l0 2=1/16×8.04×2.002=2.01 KN· m Mc=-1/14(g+q)l0 2=-1/14×8.04×2.002=-2.297KN· m 取 1m 宽板带作为计算单元, b=1000mm,混凝土 C30,板的最小保护层厚度为C=15mm,板厚 h=80mm,h0=80-20=60mm;α 1=1.0,fc=14.3KN/mm2;HPB235,fy=210N/mm2。板的配筋计算过程如表2-1 所示3 表 2-1 板的配筋计算表截面1 B 2 C M(mkN)1MBM2M28.0 McMcM8.020)(lqgM2.982 -2.982 2.01 1.608 -2.297 -1.838 201bhf c(mkN)51.48 201bhfMcs0.058 0.058 0.039 0.031 0.045 0.036 s211(614.0b) 0.06 0.06 0.04 0.033 0.046 0.037 5.01s0.97 0.97 0.92 0.934 0.908 0.926 0/hfMAyss(mm2)243.9 243.9 173.4 136.6 200.8 157.5 选钢筋...

1、当您付费下载文档后,您只拥有了使用权限,并不意味着购买了版权,文档只能用于自身使用,不得用于其他商业用途(如 [转卖]进行直接盈利或[编辑后售卖]进行间接盈利)。
2、本站所有内容均由合作方或网友上传,本站不对文档的完整性、权威性及其观点立场正确性做任何保证或承诺!文档内容仅供研究参考,付费前请自行鉴别。
3、如文档内容存在违规,或者侵犯商业秘密、侵犯著作权等,请点击“违规举报”。

碎片内容

完整版钢筋混凝土结构课程设计

文库当当响+ 关注
实名认证
内容提供者

该用户很懒,什么也没介绍

确认删除?
VIP
微信客服
  • 扫码咨询
会员Q群
  • 会员专属群点击这里加入QQ群
客服邮箱
回到顶部