电脑桌面
添加小米粒文库到电脑桌面
安装后可以在桌面快捷访问

1.2现场管理类隐患排查治理清单(特殊作业活动)VIP免费

1.2现场管理类隐患排查治理清单(特殊作业活动)_第1页
1/17
1.2现场管理类隐患排查治理清单(特殊作业活动)_第2页
2/17
1.2现场管理类隐患排查治理清单(特殊作业活动)_第3页
3/17
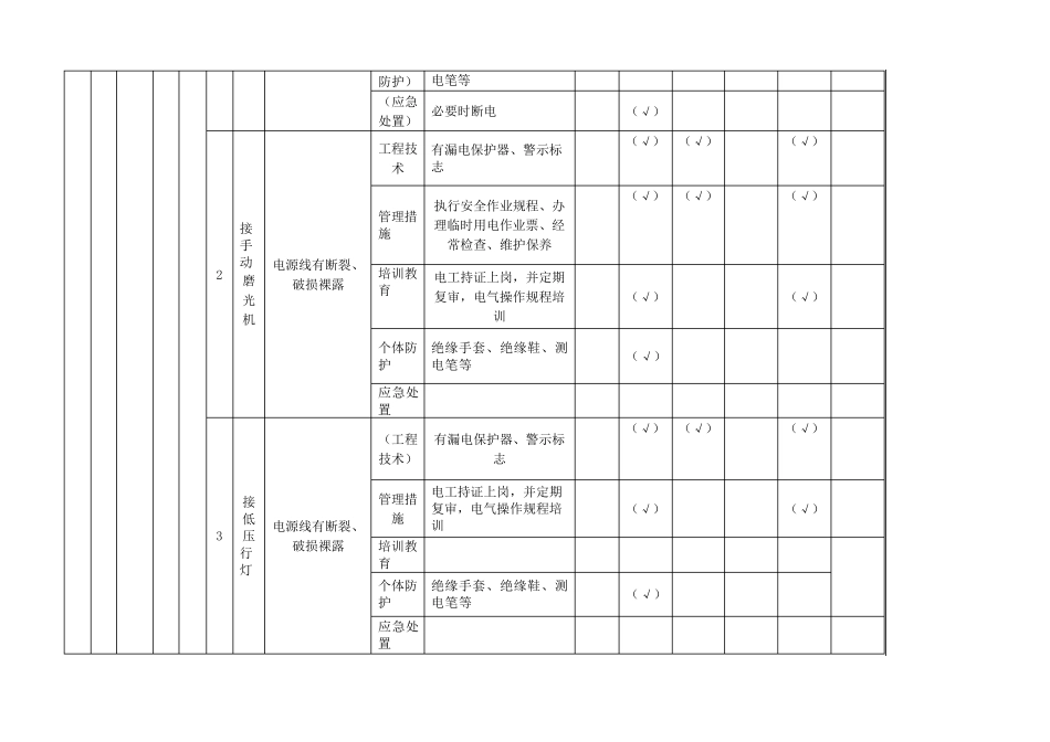
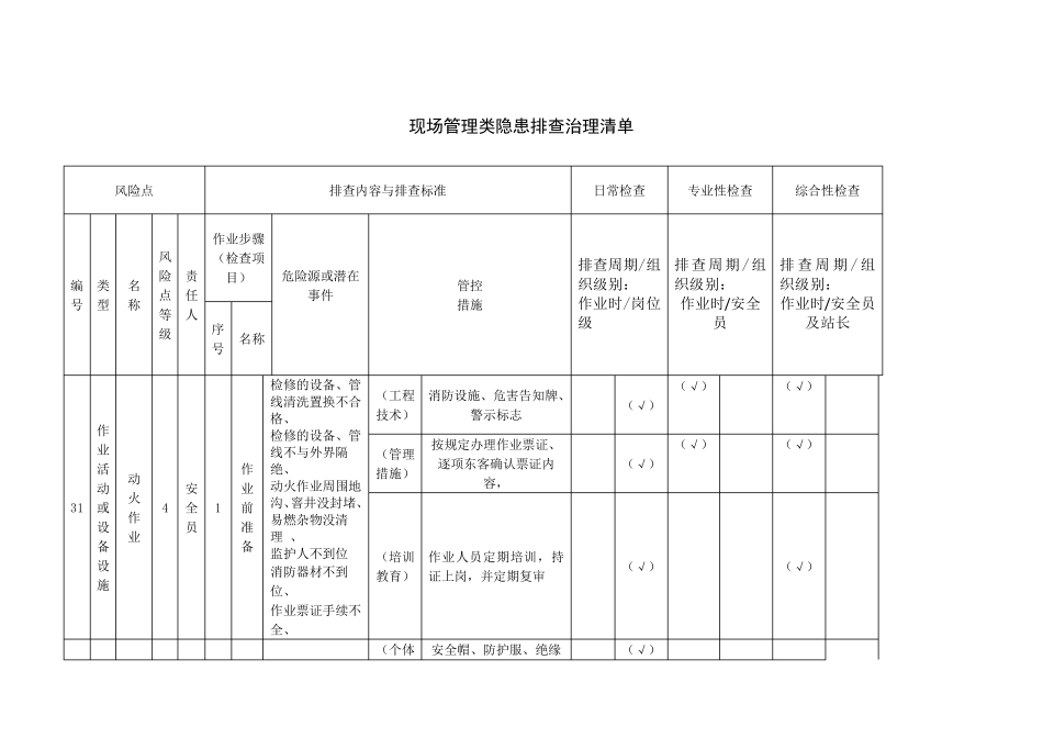
现场管理类隐患排查治理清单 风险点 排查内容与排查标准 日常检查 专业性检查 综合性检查 编号 类型 名称 风险点等级 责任人 作业步骤 (检查项目) 危险源或潜在事件 管控 措施 排查周期/组织级别: 作业时/岗位级 排查周期/组织级别: 作业时/ 安全员 排查周期/ 组织级别: 作业时/ 安全员及站长 序号 名称 31 作业活动或设备设施 动火作业 4 安全员 1 作业前准备 检修的设备、管线清洗置换不合格、 检修的设备、管线不与外界隔绝、 动火作业周围地沟、窨井没封堵、易燃杂物没清理 、 监护人不到位 消防器材不到位、 作业票证手续不全、 (工程技术) 消防设施、危害告知牌、警示标志 (√) (√) (√) (管理措施) 按规定办理作业票证、逐项东客确认票证内容, (√) (√) (√) (培训教育) 作业人员定期培训,持证上岗,并定期复审 (√) (√) (个体安全帽、防护服、绝缘 (√) 防护) 鞋、防护手套、防护面罩 (应急处置) 2 作业过程中 焊接把线、电焊把子漏电 、 不正确接电焊机或不按规定接地线、 焊接时焊烟大、超标、 焊渣飞溅 、 焊光强烈、 气割 焊花飞溅 、 氧气瓶、乙炔瓶与动火点之间的距离小于10 米、 违章指挥 防护用品穿戴不全 (工程技术) 消防设施、危害告知牌、警示标志 (√) (√) (√) (管理措施) 按规定办理作业票证、逐项东客确认票证内容, (√) (√) (√) (培训教育) 作业人员定期培训,持证上岗,并定期复审 (√) (√) (个体防护) 安全帽、防护服、绝缘鞋、防护手套、防护面罩2 (√) (应急处置) 32 作业活动或设备设施 临时用电 4 安全员 1 接电焊机 电源线有断裂、破损裸露 (工程技术) 设置漏电保护器、安全警示标志 (√) (√) (√) (管理措施) 专业电工操作,执行安全作业规程、办理临时用电作业票、经常检查、维护保养 (√) (√) (√) (培训教育) 电工持证上岗,并定期复审,电气操作规程培训 (√) (√) (个体绝缘手套、绝缘鞋、测 (√) 防护) 电笔等 (应急处置) 必要时断电 (√) 2 接手动 磨光机 电源线有断裂、破损裸露 工程技术 有漏电保护器、警示标志 (√) (√) (√) 管理措施 执行安全作业规程、办理临时用电作业票、经常检查、维护保养 (√) (√) (√) 培训教育 电工持...

1、当您付费下载文档后,您只拥有了使用权限,并不意味着购买了版权,文档只能用于自身使用,不得用于其他商业用途(如 [转卖]进行直接盈利或[编辑后售卖]进行间接盈利)。
2、本站所有内容均由合作方或网友上传,本站不对文档的完整性、权威性及其观点立场正确性做任何保证或承诺!文档内容仅供研究参考,付费前请自行鉴别。
3、如文档内容存在违规,或者侵犯商业秘密、侵犯著作权等,请点击“违规举报”。

碎片内容

1.2现场管理类隐患排查治理清单(特殊作业活动)

确认删除?
VIP
微信客服
  • 扫码咨询
会员Q群
  • 会员专属群点击这里加入QQ群
客服邮箱
回到顶部