电脑桌面
添加小米粒文库到电脑桌面
安装后可以在桌面快捷访问

10000方LNG储罐施工方案VIP免费

10000方LNG储罐施工方案_第1页
1/30
10000方LNG储罐施工方案_第2页
2/30
10000方LNG储罐施工方案_第3页
3/30
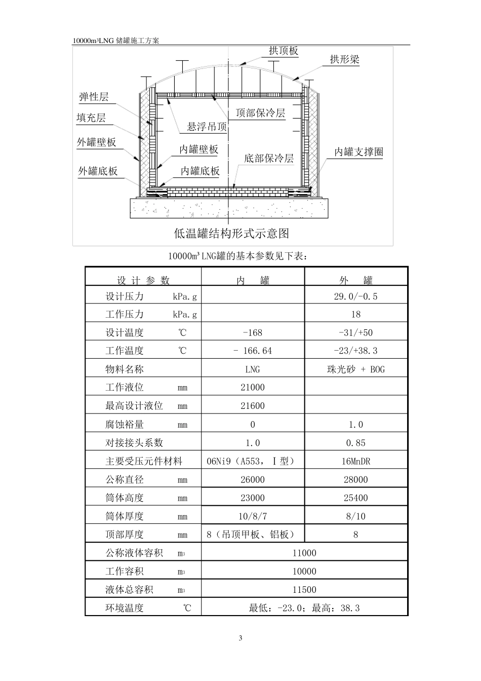
10000m3LNG 储罐施工方案 1 目 录 一、工程概况 3页 二、编制依据 3页 三、罐体结构介绍 3页 四、施工重点及难点 5页 五、施工程序及主要的施工方法 6页 (一)施工程序 6页 (二)主要施工方法 6页 1、施工准备 7页 2、材料验收 7页 3、储罐预制 8页 4、储罐安装 10页 5、储罐焊接 16页 6、罐体试验 22页 六、施工技术措施 24页 七、职业健康安全、环境管理及文明施工要求 24页 八、主要施工机械、措施用料及施工人员计划 26页 后附 附件1 职业健康安全管理体系 29页 附件2 质量管理保证体系 30页 附件3 施工组织机构图 31页 10000m3LNG 储罐施工方案 2 一、工程概述 本工程为天然气液化厂工程,建设规模为100×104m3/d。工程位于xxx。本施工方案主要任务为天然气液化厂一台10000m³ LNG 低温储罐主体施工。工期初步定为2010 年11 月至2011 年7 月。 二、编制依据 1、《大型焊接低压储罐的设计与制造》SY/T0608-2006; 2、《立式圆筒型低温储罐施工技术规程》SH/T3537-2009 3、《钢结构工程施工质量验收规范》GB50205-2001; 4、《立式圆筒型钢制焊接储罐施工及验收规范》GB50128-2005 5、《大型焊接低压储罐设计和建造》API620-2002 6、中国石油集团工程设计有限责任公司西南分公司设计的储罐施工图纸。 三、罐体结构简介 10000m³LNG 储罐结构形式为内罐吊顶、外罐拱顶的双壁单容罐,内罐存储LNG,外罐仅用来承装保冷材料和闪蒸气体。储罐主要由内罐、外罐、保冷层、平台梯子等组成,内罐底板及壁板主体材料为06Ni9;吊顶主要材料为5052-O铝合金板,公称直径26 米,筒体高度23 米;外罐主体材料为16MnDR,公称直径28 米,筒体高度25.4 米,储罐总高度30 米;平台扶梯材料为Q235B,储罐总重约575 吨(不含保冷层)。 内筒壁与外筒壁之间用珠光砂填充绝热,内筒底与外筒底之间采用约946mm厚泡沫玻璃砖绝热,同时为保证内筒底及泡沫玻璃砖基础均匀受力,在泡沫玻璃砖绝热层下面及其顶部分别铺设75mm混凝土和50mm厚干砂的找平层。内罐由底板、顶板及9带壁板组成,外筒由底板,顶板、及10带壁板及梯子栏杆组成。内罐所有对接焊缝均作100%射线及所有角焊缝100%渗透检验。 储罐结构简图如下: 10000m3LNG 储罐施工方案 3 内罐底板低温罐结构形式示意图内罐壁板悬浮吊顶外罐壁板外罐底板弹性层填充层底部保冷层内罐支撑圈顶部保冷层拱顶板拱形梁 10000m³LNG罐的基本参...

1、当您付费下载文档后,您只拥有了使用权限,并不意味着购买了版权,文档只能用于自身使用,不得用于其他商业用途(如 [转卖]进行直接盈利或[编辑后售卖]进行间接盈利)。
2、本站所有内容均由合作方或网友上传,本站不对文档的完整性、权威性及其观点立场正确性做任何保证或承诺!文档内容仅供研究参考,付费前请自行鉴别。
3、如文档内容存在违规,或者侵犯商业秘密、侵犯著作权等,请点击“违规举报”。

碎片内容

10000方LNG储罐施工方案

确认删除?
VIP
微信客服
  • 扫码咨询
会员Q群
  • 会员专属群点击这里加入QQ群
客服邮箱
回到顶部