电脑桌面
添加小米粒文库到电脑桌面
安装后可以在桌面快捷访问

11.野外地质调查作业危险、危害因素告知书(各项目一份)VIP免费

11.野外地质调查作业危险、危害因素告知书(各项目一份)_第1页
1/7
11.野外地质调查作业危险、危害因素告知书(各项目一份)_第2页
2/7
11.野外地质调查作业危险、危害因素告知书(各项目一份)_第3页
3/7
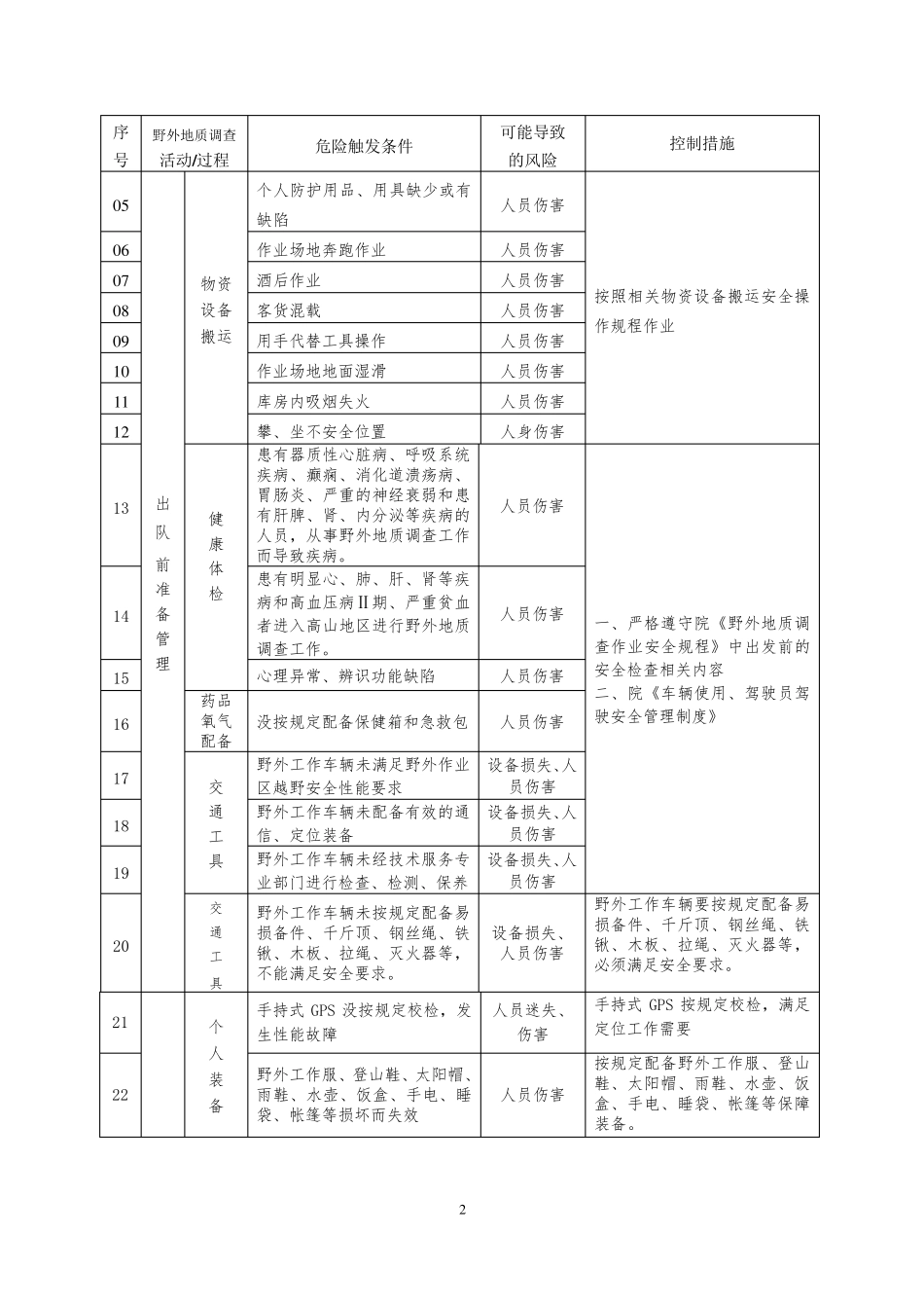
1 福建省闽西地质大队地质勘查院 野外地质调查作业危险、危害因素告知书 (一式两份) 被告知人签名:岗位(工种): 所在项目(部门): 告知时间: 年 月 日 告知单位经办人: 告知单位:福建省闽西地质大队地质勘查院 根据《安全生产法》和《地质勘探安全规程》的规定,现将本岗位(工种)可能涉及到的危险因素告知如下,请认真阅读本单位的安全技术交底材料、安全操作规程,并严格遵守,防范于未然,以确保你和他人的安全。 序号 野外地质调查 活动/过程 危险触发条件 可能导致 的风险 控制措施 0 1 出 队 前 准 备 管 理 安 全 管 理 野外作业前不按规定对野外作业人员进行安全培训,使其对工作区域的自然环境、地理、交通、治安、人文等情况不了解,不具备相应的防护、自救、互救应急基本技能 人员伤害 野外作业前必须按规定对野外作业人员进行安全培训,使其了解工作区域的自然环境、地理、交通、治安、人文等情况,具备相应的防护、自救、互救应急基本技能 0 2 地质调查项目立项报告及项目施工组织设计没有职业安全健康专篇,野外作业无章可依;地质调查项目实施没有制定安全应急预案且演练 人员伤害 严格遵守《地质勘探安全规程》4.9、4.10、4.11 条款 0 3 物资 设备 搬运 忽视警告标志、警告信号冒险作业 人员伤害 按照相关物资设备搬运安全操作规程作业 0 4 作业场所狭窄、作业场地杂乱 人员伤害 2 序号 野外地质调查 活动/过程 危险触发条件 可能导致 的风险 控制措施 0 5 出 队 前 准 备 管 理 物 资 设 备 搬 运 个 人 防 护 用 品 、 用 具 缺 少 或 有缺 陷 人 员 伤 害 按 照 相 关 物 资 设 备 搬 运 安 全 操作 规 程 作 业 0 6 作 业 场 地 奔 跑 作 业 人 员 伤 害 0 7 酒 后 作 业 人 员 伤 害 0 8 客 货 混 载 人 员 伤 害 0 9 用 手 代 替 工 具 操 作 人 员 伤 害 1 0 作 业 场 地 地 面 湿 滑 人 员 伤 害 1 1 库 房 内 吸 烟 失 火 人 员 伤 害 1 2 攀 、 坐 不 安 全 位 置 人 身 伤 害 13 健 康 体 检 患 有 器 质 性 心 脏 病 、 呼 吸 系 统疾 病 、 癫 痫 、 消 化 道 溃 疡 病 、胃 肠 炎 、 严 重 的 神 经 衰 弱 和 患有 肝 脾 、 肾 、 内 分...

1、当您付费下载文档后,您只拥有了使用权限,并不意味着购买了版权,文档只能用于自身使用,不得用于其他商业用途(如 [转卖]进行直接盈利或[编辑后售卖]进行间接盈利)。
2、本站所有内容均由合作方或网友上传,本站不对文档的完整性、权威性及其观点立场正确性做任何保证或承诺!文档内容仅供研究参考,付费前请自行鉴别。
3、如文档内容存在违规,或者侵犯商业秘密、侵犯著作权等,请点击“违规举报”。

碎片内容

11.野外地质调查作业危险、危害因素告知书(各项目一份)

确认删除?
VIP
微信客服
  • 扫码咨询
会员Q群
  • 会员专属群点击这里加入QQ群
客服邮箱
回到顶部