电脑桌面
添加小米粒文库到电脑桌面
安装后可以在桌面快捷访问

119831_大型机械进出场、安拆、铺轨及停滞费VIP免费

119831_大型机械进出场、安拆、铺轨及停滞费_第1页
1/8
119831_大型机械进出场、安拆、铺轨及停滞费_第2页
2/8
119831_大型机械进出场、安拆、铺轨及停滞费_第3页
3/8
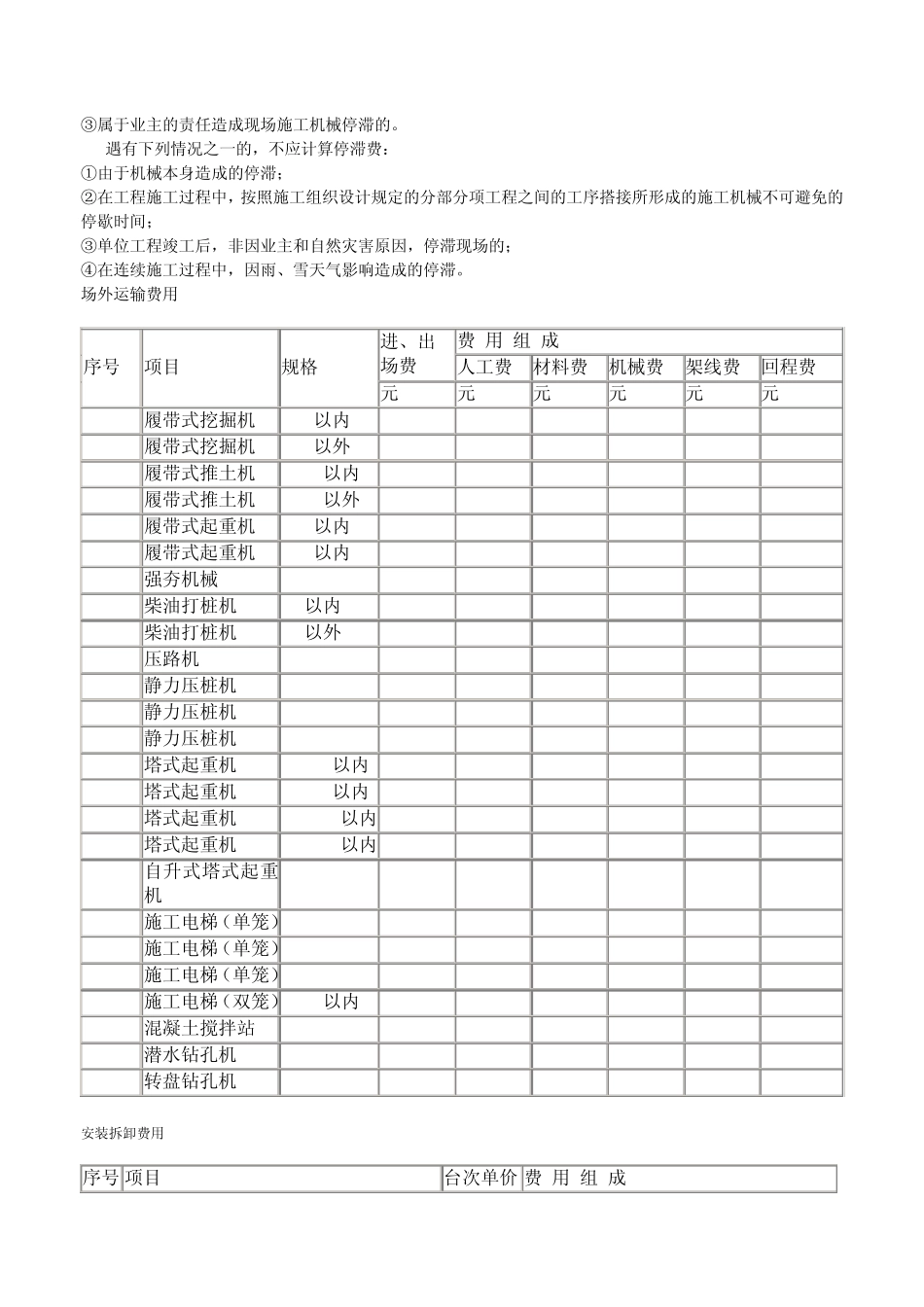
附录 3 大型机械进出场、安拆、铺轨及停滞 说明 一、施工机械场外运输费用 1.施工机械场外运输费用是指施工机械整体或分体自停放场地运至施工现场和竣工后运回停放地点的来回一次性包干费用。包括:人工费、材料费、机械费(含本机使用费)、架线费、回程费。 2.场外运输费用运距为 25km以内,运距超过 25km时,按交通部门有关规定,由甲、乙双方商定。 3.单位工程之间机械转移,运距在 500m以内,按相应机械场外运输费乘以系数 0.8;运距在 500m以外仍执行本费用。 4.自行式机械即本机有行走机构的机械,其场外运输费按该机种正常行驶速度耗用的台班数及其相应的台班单价计算。拖行和运载机械也按上述规定执行。 5.自行式机械在行驶途中发生的一次性养路费或公路通行费除载货汽车、自卸汽车、平板拖车、长材运输车、油罐车、洒水车其台班单价中巳含税费不另计入外,其他自行式机械可计入场外运输费用中。 二、型施工机械安装拆卸费用 1.工机械安装拆卸费用是指特、大型机械在施工现场进行安装、拆卸所需的人工、材料、机械等费用之和的一次性包干费用。 2.安拆费中巳包括了机械安装完毕后本机试运转费用。 3.不需安装、拆卸的机械,不计算安拆费。 4.自升式塔式起重机安拆费是以塔高45m确定的;如塔高超过 45m时,每增高10m其安拆费增加20%。 三、机械固定式基础浇筑及轨道安装、拆卸费用 1.式起重机等基础及轨道安装、拆卸费,是指每浇筑、拆除一座固定基础或安、拆一米轨道(双轨)所需的一次性包干费用(含路基铺拆)。包括:人工费、材料费、机械费。 2.塔式起重机轨道以直线型为准,如为弧线型时,其弧型部分按本费用相应项目乘以系数 1.15。 3.固定式基础,不包括打桩,发生时按相应定额项目计算。 4.本费用不包括钢轨和枕木之间需增加其他型钢或钢板的塔式起重机轨道。 5.塔式起重机轨道铺、拆费用按起重力矩20kNm~60kNm和 80kNm~80kNm以上划分;使用时可根据实际发生的塔式起重机规格,套用相应项目。 四、机械停滞费计算及有关规定 1.施工机械停滞费是指部分特、大、中型机械,在进入施工现场作业过程中,由于非施工单位或施工机械自身原因造成停滞期间所发生的费用。 本项费用属于工程索赔的内容之一。小型施工机械的停滞费用,巳综合计算在其台班单价中的经常修理费内,不另计取。 2.施工机械停滞费的计算 (1)施工机械停滞台班费=台班折旧费+台班人工费+台班其他费用 (2)施工机械停滞费=∑停滞台...

1、当您付费下载文档后,您只拥有了使用权限,并不意味着购买了版权,文档只能用于自身使用,不得用于其他商业用途(如 [转卖]进行直接盈利或[编辑后售卖]进行间接盈利)。
2、本站所有内容均由合作方或网友上传,本站不对文档的完整性、权威性及其观点立场正确性做任何保证或承诺!文档内容仅供研究参考,付费前请自行鉴别。
3、如文档内容存在违规,或者侵犯商业秘密、侵犯著作权等,请点击“违规举报”。

碎片内容

119831_大型机械进出场、安拆、铺轨及停滞费

您可能关注的文档

小辰+ 关注
实名认证
内容提供者

出售各种文档和资料

确认删除?
VIP
微信客服
  • 扫码咨询
会员Q群
  • 会员专属群点击这里加入QQ群
客服邮箱
回到顶部