电脑桌面
添加小米粒文库到电脑桌面
安装后可以在桌面快捷访问

12台PF700S变频器速度、位置同步控制方案_20105_4VIP免费

12台PF700S变频器速度、位置同步控制方案_20105_4_第1页
1/14
12台PF700S变频器速度、位置同步控制方案_20105_4_第2页
2/14
12台PF700S变频器速度、位置同步控制方案_20105_4_第3页
3/14
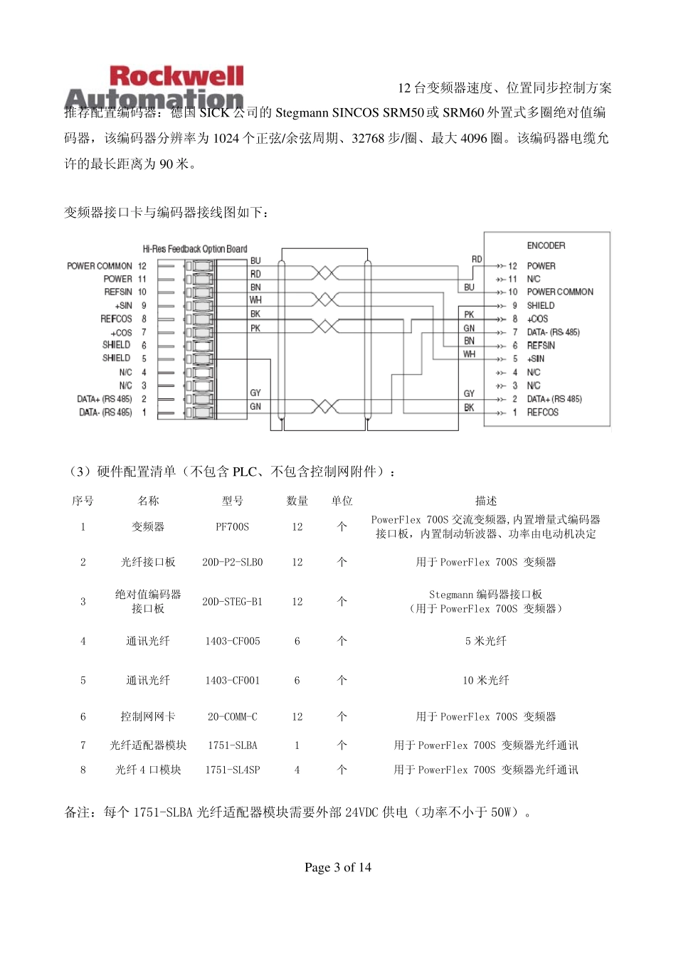
1 12 台变频器速度、位置同步控制方案 Pag e 1 o f 14 12 台PF700S 变频器速度、位置 同步控制方案 一、1 2 台变频器速度、位置同步控制的基本要求 基本需求: 目前,变频器调速控制已经广泛应用于各行各业:桥式起重机、翻车机、转炉、冲压机、移动工作台、自动化设备、物料输送机等。有些设备需要多台电动机同时驱动一个负载,每台电动机由一台变频器控制,实现多台电动机的速度同步、转矩均衡、位置跟随等功能,最终实现控制设备运行稳定、调速范围宽、避免机械扭转对设备造成的损坏。 变频器的基本要求: 变频器采用磁通矢量控制算法、具有速度、转矩、位置控制功能;多台变频器之间能够实现光纤通讯功能;变频器能够连接增量式编码器、绝对值编码器;变频器具有多种主流现场总线连接能力(Profibus DP,Modbus/TCP,Modbus RTU,Ethernet/IP,ControlNet,DeviceNet,Lonw ork 等)。 电动机的基本要求: 交流异步变频电动机,带差分增量式编码器或绝对值编码器(由控制方案决定)。 2 12 台变频器速度、位置同步控制方案 Page 2 of 14 二、1 2 台变频器速度、位置同步控制传动方案 (1)PLC 与变频器配置图如下: 方案说明: PLC 采用罗克韦尔自动化公司的 Logix 系列 PLC,变频器采用罗克韦尔自动化公司的 PF700S产品。PLC 与变频器之间采用 Controlnet 现场总线连接。PLC 通过控制网实现 12 台电动机同时启动/停止、主变频器的速度给定,完成相关设备逻辑、连锁、报警、故障等处理程序。 每台电动机分别由 1 台PF700S 变频器控制。每台变频器配置光纤通讯板。12 台PF700S 变频器光纤通讯采用星形拓扑结构,其中 1 台作为主变频器,另外 11 台作为从变频器实现速度、位置跟随功能。主变频器接收 PLC 发出的速度给定,同时把自身运行速度值、位置值通过光纤发送给 11 台从变频器,最终实现 12 台电动机的速度、位置同步控制。 (2)PF700S 变频器额外配置绝对值式编码器接口板,要求每台电动机配置绝对值式编码器。 3 12 台变频器速度、位置同步控制方案 Page 3 of 14 推荐配置编码器:德国 SICK 公司的 Stegmann SINCOS SRM50或 SRM60 外置式多圈绝对值编码器,该编码器分辨率为 1024 个正弦/余弦周期、32768 步/圈、最大 4096 圈。该编码器电缆允许的最长距离为 90 米。 变频器接口卡与编码器接线图如下: (3)硬件配置清单(不包含 PLC、...

1、当您付费下载文档后,您只拥有了使用权限,并不意味着购买了版权,文档只能用于自身使用,不得用于其他商业用途(如 [转卖]进行直接盈利或[编辑后售卖]进行间接盈利)。
2、本站所有内容均由合作方或网友上传,本站不对文档的完整性、权威性及其观点立场正确性做任何保证或承诺!文档内容仅供研究参考,付费前请自行鉴别。
3、如文档内容存在违规,或者侵犯商业秘密、侵犯著作权等,请点击“违规举报”。

碎片内容

12台PF700S变频器速度、位置同步控制方案_20105_4

小辰7+ 关注
实名认证
内容提供者

出售各种资料和文档

相关文档

确认删除?
VIP
微信客服
  • 扫码咨询
会员Q群
  • 会员专属群点击这里加入QQ群
客服邮箱
回到顶部