电脑桌面
添加小米粒文库到电脑桌面
安装后可以在桌面快捷访问

150C简易调试手册newVIP免费

150C简易调试手册new_第1页
1/7
150C简易调试手册new_第2页
2/7
150C简易调试手册new_第3页
3/7
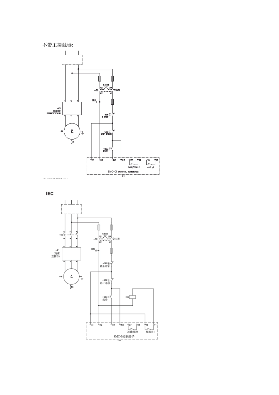
150-C 快速调试步骤 注意事项: 1. 在电动机运行当中,参数的修改操作是无效的。必须在停机状态下才能够修改参数。 2. 确认连接风扇电源.85A 以上有 110V 和 220V,两种. 3. 如果 150-C 为 B 系列(见下图)接线可为内三角六线接法和三线接法,(A 系列接线只有三线接法),须注意如是三线接法,须将 15 号拨码开关向上拨到 On,否则软起将始终停止状态,而不能启动。 调试基本步骤如下: 1,按如下方式接线: 三线图: 不带主接触器: 带主接触器: 带正反转: 六线图: 2 ,打开右上角的拨码开关盖: 所涉及的基本参数按拨码开关调整如下: 拨码开关号 名称 设置值 3为 On 起动方式(Starting Mode) 软启动 1和2为On,8为Off. 斜坡时间#1(Ramp Time #1) 15秒左右 9和10为Off 突跳起动时间(Kick start Time) 关 4为On,5为Off. 起动转矩 (Initial Torque) 25% 6为Off,7为On. 停止时间(Stop time) 30秒(起动时间的两倍) 14为Off. 接点1组态(Contact 3 config) 正常(起动后给信号) 11为On,12为Off 过载等级(Ov erload trip class) Class 10 13为Off 过载复位(Overload Reset) 手动 16为Off 相序保护(Phase Rotation) 开 电动机满载电流(Motor FLC) 根据电机铭牌在第9位置设置 以上为基本参数的设置,具体设置按负载类型及参考说明书。 注:如电机的接线方式为内三角六线接法, 电动机满载电流的设定为:铭牌电流的1.73倍.(见下图) 注意事项: 1,不能用大电流的软起动,起动小电机.例如:160KW软起动(150-C317NBD),起动1KW电机.电机将会出现间隙起动的装况. 2,可根据RUN/FAULT指示灯闪烁判定故障类别:如闪一下,电机过载.闪两下,软起超温.见下表. • 故障指示 – 1过载 - (可调) – 2过温 – 3相序反向指示 – 4缺相/载指示 – 5三相不平衡指示 – 6晶闸管短路 – 7测试 对于电机的起动模式,可参考下表:

1、当您付费下载文档后,您只拥有了使用权限,并不意味着购买了版权,文档只能用于自身使用,不得用于其他商业用途(如 [转卖]进行直接盈利或[编辑后售卖]进行间接盈利)。
2、本站所有内容均由合作方或网友上传,本站不对文档的完整性、权威性及其观点立场正确性做任何保证或承诺!文档内容仅供研究参考,付费前请自行鉴别。
3、如文档内容存在违规,或者侵犯商业秘密、侵犯著作权等,请点击“违规举报”。

碎片内容

150C简易调试手册new

您可能关注的文档

确认删除?
VIP
微信客服
  • 扫码咨询
会员Q群
  • 会员专属群点击这里加入QQ群
客服邮箱
回到顶部