电脑桌面
添加小米粒文库到电脑桌面
安装后可以在桌面快捷访问

NE5532中文资料,NE5532中文资料引脚图,NE5532中文资料引脚图特点及电气参数介绍,NE5532中文资料特点及VIP免费

NE5532中文资料,NE5532中文资料引脚图,NE5532中文资料引脚图特点及电气参数介绍,NE5532中文资料特点及_第1页
1/6
NE5532中文资料,NE5532中文资料引脚图,NE5532中文资料引脚图特点及电气参数介绍,NE5532中文资料特点及_第2页
2/6
NE5532中文资料,NE5532中文资料引脚图,NE5532中文资料引脚图特点及电气参数介绍,NE5532中文资料特点及_第3页
3/6
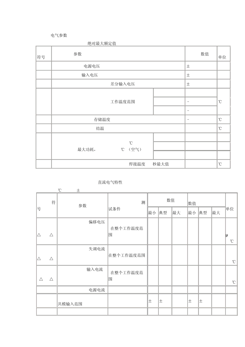
NE5532 中文资料(引脚图,特点及电气参数介绍) 极限参数: 参数 符号 NE5532 单位 电源电压 Vcc ±22 V 差分输入电压 Vdif ±13 V 输入电压 Vi 提供电压 V 功耗,TA=25℃ PD 1100 mW 工作温度 TOPR 0~70 ℃ 电气参数 参数 符号 测试条件 最小值 标准 最大值 单位 输入失调电压 VIO - - 0.5 4.0 mv 输入失调电流 IIO - - 10 150 nA 输入偏置电流 IBIAS - - 200 800 nA 供电电流 ICC - - 6.0 16 mA 输入电压范围 VI(R) - ±12 ±13 - V 共模抑制范围 CMRR TA=25℃ 70 100 - dB 电源抑制比 PSRR TA=25℃ 输出电压范围 VO(P-P) RL≥600Ω ±12 ±13 - V 输入电阻 RI TA=25℃ 30 300 - KΩ 短路电流 ISC - - 38 - mA 过调 OS RL=600Ω ,CL=100PF - 10 20 % 电压增益 GV f=10kHz 2 2.2 - V/mv 增益带宽 GBW CL=100PF, RL=600Ω 8 10 - MHz 转换速率 SR RL=1K,CL=100PF RL=600Ω - 6 8.0 V/us 输入噪声电压 eN fo=30Hz fo=1kHz - 8.0 5.0 - nv/√Hz NE5532中文资料(引脚图,特点及电气参数介绍) NE5532功能特点简介: NE5532/SE5532/SA5532/NE5532A/SE5532A/SA5532A是一种双运放高性能低噪声运算放大器。 相比较大多数标准运算放大器,如 1458,它显示出更好的噪声性能,提高输出驱动能力和相当高的小信号和电源带宽。这使该器件特别适合应用在高品质和专业音响设备,仪器和控制电路和电话通道放大器。如果噪音非常最重要的,因此建议使用 5532A版,因为它能保证噪声电压指标。 NE5532特点: •小信号带宽:10MHZ •输出驱动能力:600Ω ,10V有 效 值 •输入噪声电压:5nV/√Hz(典型值) •直流 电压增益:50000 •交流电压增益:2200-10KHZ •功率带宽: 140KHZ •转换速率: 9V/μ s •大的电源电压范围:±3V-±20V •单位增益补偿 NE5532引脚图: 图 1 NE5532 8脚引脚图 图 2 NE5532 16脚封装引脚功能图 NE5532内部原理图: 图 3 5532内部电路图 NE5532电气参数: ABSOLUTE MAXIMUM RATINGS绝对最大额定值 SYMBOL 符号 PARAMETER 参数 RATING 数值 UNIT 单位 VS Supply voltage 电源电压 ±22 V VIN Input voltage 输入电压 ±VSUPPLY V VDIFF Differential input voltage1 差分输入电压 ±0.5 V Tamb Operating temperature rang...

1、当您付费下载文档后,您只拥有了使用权限,并不意味着购买了版权,文档只能用于自身使用,不得用于其他商业用途(如 [转卖]进行直接盈利或[编辑后售卖]进行间接盈利)。
2、本站所有内容均由合作方或网友上传,本站不对文档的完整性、权威性及其观点立场正确性做任何保证或承诺!文档内容仅供研究参考,付费前请自行鉴别。
3、如文档内容存在违规,或者侵犯商业秘密、侵犯著作权等,请点击“违规举报”。

碎片内容

NE5532中文资料,NE5532中文资料引脚图,NE5532中文资料引脚图特点及电气参数介绍,NE5532中文资料特点及

您可能关注的文档

确认删除?
VIP
微信客服
  • 扫码咨询
会员Q群
  • 会员专属群点击这里加入QQ群
客服邮箱
回到顶部