电脑桌面
添加小米粒文库到电脑桌面
安装后可以在桌面快捷访问

PE管道安装工程施工方法VIP免费

PE管道安装工程施工方法_第1页
1/7
PE管道安装工程施工方法_第2页
2/7
PE管道安装工程施工方法_第3页
3/7
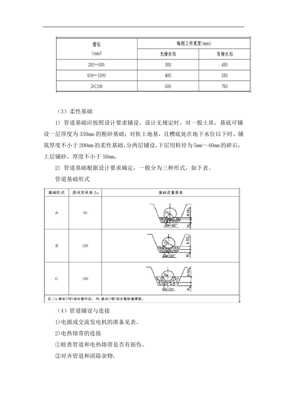
PE 管道安装工程施工方法 一、PE 管安装施工工艺 1、材料要求 (1)管材、管件及电热熔带进场应有产品合格证和出厂质量检验报告。 (2)管材质量应符合下表的要求。 管材质量标准表 (3)电热熔带标准见下表。 电热熔带标准 2、机具设备 (1)机具:电熔焊机、便携式切割锯、平板振动夯、蛙夯、夹钳、扣带、水平垫木或沙袋、清洁布等。 (2)检测设备:水准仪、经纬仪、小线、直尺、卷尺等。 管材规格及几何尺寸允许偏差 3、工艺流程 测量放线→沟槽开挖→柔性基础→管道铺设与连接→密闭性检验→管道回填→管道变形检验 4、操作工艺 (1)测量放线 施工测量放线参照由测量队制订的工程施工测量专项方案执行。 (2)沟槽开挖 1)沟槽开挖、边坡设置及沟槽支护等参照“管线基坑明挖土方”进行施工。 2)沟槽开挖后,应将沟底的岩石、砾石等坚硬物体铲除至设计标高以下150mm~200mm,然后铺上砂土整平夯实。 3)基底标高、轴线位置、基底土质应符合设计要求。管道每侧工作宽度若设计无要求时,可参照下表执行。 管道每侧工作宽度 (3)柔性基础 1) 管道基础应按照设计要求铺设。设计无规定时,对一般土质,基底可铺设一层厚度为350mm 的粗砂基础;对软土地基,且槽底处在地下水位以下时,铺筑厚度不小于200mm 的柔性基础,分两层铺设,下层用粒径为5mm~40mm 的碎石,上层铺砂,厚度不小于50mm。 2) 管道基础根据设计要求确定,一般分为三种形式,如下表。 管道基础形式 (4)管道铺设与连接 1)电源或交流发电机的准备见表。 2)电热熔带的连接 ①检查管道和电热熔带是否有损伤。 ②对齐管道和清除杂物。 a.通过水平杆或砂袋将要连接的管道放置在离地面200mm~300mm 处(地基上挖有操作凹槽的可将管道直接放置在地基上),并水平对齐。 b.用布彻底将管道的外表面和电热熔带内壁上的杂物清除干净(包括水汽),油类污物可用甲醇擦拭。 ③用夹钳和扣带紧固焊接片 a.用电热熔带将已水平对齐的管道的要连接部分紧紧包住,电热熔带接头应重叠 100mm~200mm。包的时候有连接线的一端在内圈。PE 棒也应插在此端,从两侧分别插入,紧靠此端头。D400以下插入约50mm,D450以上插入约90mm~100mm。 交流发电机及电缆选择 包电热熔带 插入 PE 棒 b.外面用钢扣带套住,钢扣带不带衬板的端头应与电热熔带内圈同向并在同一位置。用夹钳上紧,使电热熔带与管壁紧紧地靠在一起。钢扣带边缘要与焊接片的边缘对齐。 ④连接:...

1、当您付费下载文档后,您只拥有了使用权限,并不意味着购买了版权,文档只能用于自身使用,不得用于其他商业用途(如 [转卖]进行直接盈利或[编辑后售卖]进行间接盈利)。
2、本站所有内容均由合作方或网友上传,本站不对文档的完整性、权威性及其观点立场正确性做任何保证或承诺!文档内容仅供研究参考,付费前请自行鉴别。
3、如文档内容存在违规,或者侵犯商业秘密、侵犯著作权等,请点击“违规举报”。

碎片内容

PE管道安装工程施工方法

您可能关注的文档

确认删除?
VIP
微信客服
  • 扫码咨询
会员Q群
  • 会员专属群点击这里加入QQ群
客服邮箱
回到顶部