电脑桌面
添加小米粒文库到电脑桌面
安装后可以在桌面快捷访问

PLC液位控制程序VIP免费

PLC液位控制程序_第1页
1/6
PLC液位控制程序_第2页
2/6
PLC液位控制程序_第3页
3/6
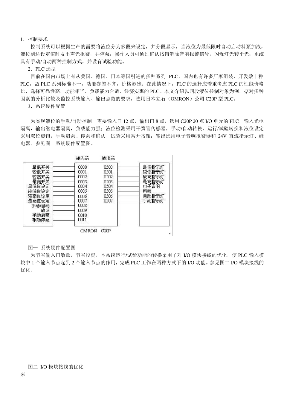
1.控制要求 控制系统可以根据生产的需要将液位分为多段来设定,并分段显示,当液位为最低限时自动启动料泵加液,液位到达设定值时发出声光报警,并停泵;操作人员可通过确认按钮解除音响报警信号,闪烁灯光转平光;系统具有手动/自动两种控制方式,并设有试验功能。 2.PLC 选型 目前在国内市场上有从美国、德国、日本等国引进的多种系列 PLC,国内也有许多厂家组装、开发数十种PLC,故 PLC 系列标准不一,功能参差不齐,价格悬殊。在此情况下,PLC 的选择应着重考虑PLC 的性能价格比,选择可靠性高,功能相当,负载能力合适,经济实惠的PLC。本文介绍以四段液位控制对象为例,据对多种因素的分析比较及 监 控系统输 入 、输 出点 数的要求,选用 日本立 石 ( OMRON) 公 司 C20P 型PLC。 3.系统硬 件 配 置 为实现 液位的手动/自动控制,需要输 入 口 12 点 ,输 出口 8 点 ,选用 C20P 20 点 I/O 单 元 的PLC,输 入 光电隔 离 ,输 出继 电 器 隔 离 ,负载能力强 ;液位检 测 采 用 干 簧 管 传 感 器 ,手动/自动转换 、运 行 /试验转换 和 液位设定采 用 双 位旋 钮,手动启泵、停泵和 确认、试验采 用 常 开按钮;输 出选用 电 子 音响报警器 和24V 直 流 指 示灯、继电 器 。参见 图 一系统硬 件 配 置 图 。 图 一 系统硬 件 配 置 图 为节 省 输 入 口 数量 ,节 省 投 资 ,本系统运 行 /试验功能的转换 采 用 了 对I/O 模 块 接 线 的优 化 ,使 PLC 输 入 模块 中 1 个 输 入 节 点 起 到2 个 输 入 节 点 的作用 ,完 成 PLC 工 作在两种方式下的I/O 功能。参见 图 二 I/O 模 块 接 线 的优 化 。 图 二 I/O 模 块 接 线 的优 化 来 4.系统软件设计 4.1 控制程序流程图 图三 系统流程图 4.2 编程说明 ① 本系统为液位的双位控制系统。液位可分四段设定和显示,在最低液位时自动启泵,当液位到达设定值时自动停泵。 ② 采用 IL/ILC 分支指令,通过 0008 旋钮实现手动/自动两种功能的选择,当 0008 旋钮闭合时,自动指示灯亮,系统执行 IL/ILC 分支内程序,完成自动监控;当 0008 旋钮打开时,手动指示灯亮,系统执行分支外程序,通过 0010、0011 旋钮实现手动启泵、停泵。 ③ 液位由 0004~0007 旋钮分最低、较低...

1、当您付费下载文档后,您只拥有了使用权限,并不意味着购买了版权,文档只能用于自身使用,不得用于其他商业用途(如 [转卖]进行直接盈利或[编辑后售卖]进行间接盈利)。
2、本站所有内容均由合作方或网友上传,本站不对文档的完整性、权威性及其观点立场正确性做任何保证或承诺!文档内容仅供研究参考,付费前请自行鉴别。
3、如文档内容存在违规,或者侵犯商业秘密、侵犯著作权等,请点击“违规举报”。

碎片内容

PLC液位控制程序

确认删除?
VIP
微信客服
  • 扫码咨询
会员Q群
  • 会员专属群点击这里加入QQ群
客服邮箱
回到顶部