电脑桌面
添加小米粒文库到电脑桌面
安装后可以在桌面快捷访问

PVC塑料线槽配线安装施工方案VIP免费

PVC塑料线槽配线安装施工方案_第1页
1/7
PVC塑料线槽配线安装施工方案_第2页
2/7
PVC塑料线槽配线安装施工方案_第3页
3/7
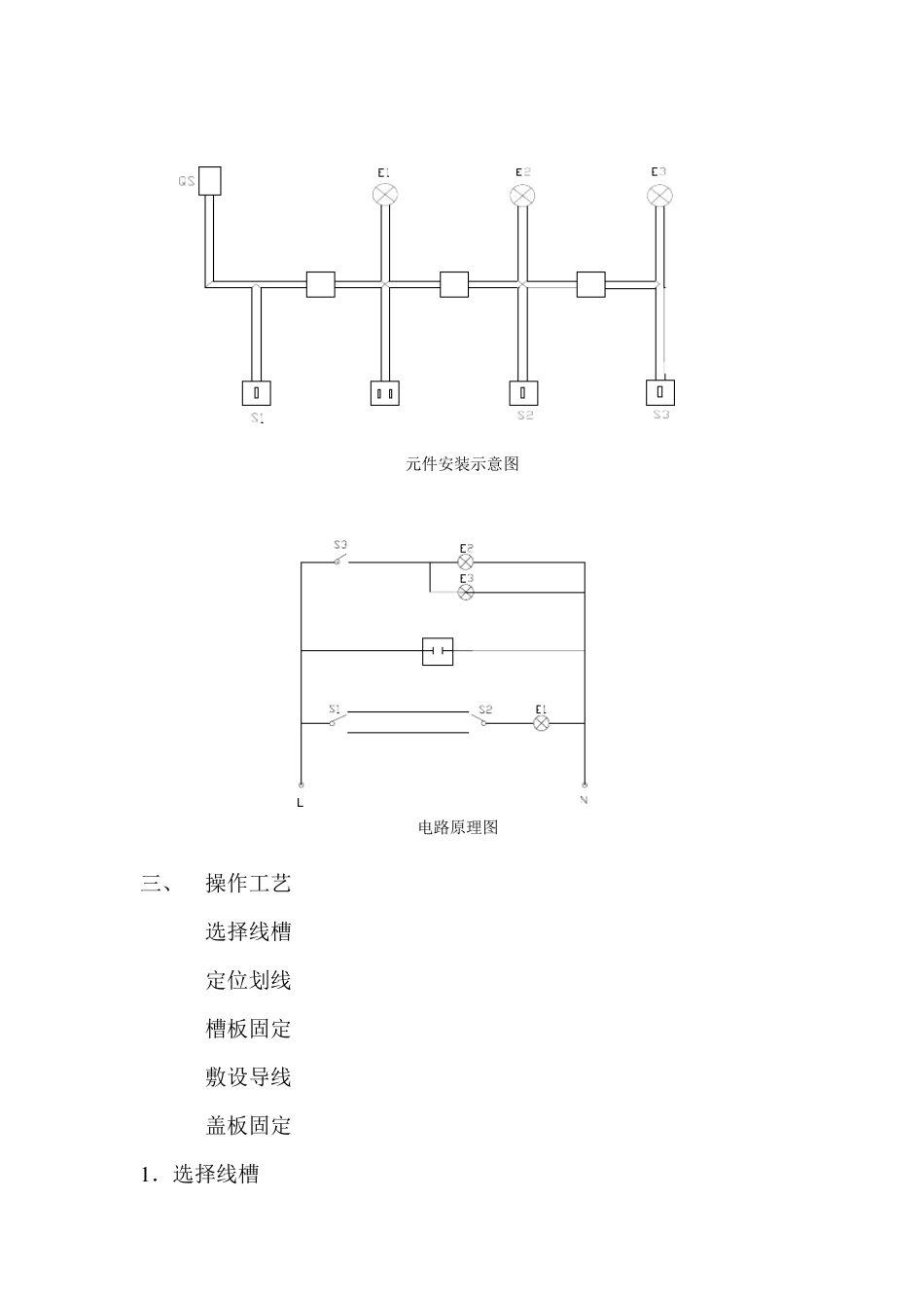
PVC 塑 料 线 槽 配 线 安 装 施 工 方 案 一 、 施 工 依 据 标 准 室 内 配 线 应 使 电 能 传 送 安 全 可 靠 , 线 路 力 求 布 置 合 理 便 利 、 整齐 美 观 和 经 济 , 既 安 全 、 便 利 、 美 观 、 经 济 。 1. 安 全 : 在 材 料 的 选 定 、 导 线 的 连 接 、 接 地 线 的 安 装 和 导 线 的敷 设 等 方 面 , 均 应 考 虑 到 人 身 、 设 备 及 建 筑 物 结 构 的 安 全 。 在 安 装 过程 中 , 不 应 损 伤 建 筑 物 或 减 弱 建 筑 物 的 强 度 。 2. 便 利 : 敷 设 线 路 时 , 操 作 要 准 确 、 简 便 。 开 关 插 座 等 装 置 的安 装 位 置 和 高 度 应 便 于 操 作 。 3. 美 观 : 室 内 配 线 时 , 应 注 意 美 观 , 尽 量 避 免 损 坏 建 筑 物 。 敷设 的 位 置 及 灯 具 等 用 电 备 , 都 必 须 与 建 筑 物 相 协 调 。 4. 经 济 : 在 保 证 安 全 、 可 靠 供 电 的 同 时 , 应 考 虑 选 用 较 经 济 的器 材 , 选 择 最 短 的 敷 线 路 径 , 采 用 最 合 理 的 安 装 方 法 , 以减 少费用 。 二、 施 工 准 备 1、 材 料 要 求 : 导 线 的 额定 电 压应 大于 线 路 工 作 电 压;导 线 的 绝缘层应 符合 线 路的 安 装 方 式和 敷 设 环境的 条件;导 线 的 截面 应 满足供 电 的 要 求 和 机械强 度 。 火线 ——红色 零线 ——蓝色 保 护线 ——黄绿色。 在 三相 四 线 制 配 电 系 统 中 , 中 性 线N 的 允 许 载 流 量 , 不 应 小 于线 路 中 最 大不 平 衡 负 荷 电 流 。 保 护线 ( PE) 其 中 :Sp 是 导 体 的 线 芯 的 截面 ( mm2), I 是 短 路 电 流 有 效 值 ( A), t是 在 已达 到 允 许 最 高 持 续 工 作 温 度 的 导 体 内 短 路 电 流 持 续 作 用 时 间 (s), K 是tKISp ≥不同绝缘的计算系数。 查农网运行维护及检修表9-1-4 选择截面积2.5mm²聚氯乙烯绝缘铜芯导线,适用于室内外电气、动力及照明固定敷...

1、当您付费下载文档后,您只拥有了使用权限,并不意味着购买了版权,文档只能用于自身使用,不得用于其他商业用途(如 [转卖]进行直接盈利或[编辑后售卖]进行间接盈利)。
2、本站所有内容均由合作方或网友上传,本站不对文档的完整性、权威性及其观点立场正确性做任何保证或承诺!文档内容仅供研究参考,付费前请自行鉴别。
3、如文档内容存在违规,或者侵犯商业秘密、侵犯著作权等,请点击“违规举报”。

碎片内容

PVC塑料线槽配线安装施工方案

确认删除?
VIP
微信客服
  • 扫码咨询
会员Q群
  • 会员专属群点击这里加入QQ群
客服邮箱
回到顶部