电脑桌面
添加小米粒文库到电脑桌面
安装后可以在桌面快捷访问

数控实训安全知识VIP免费

数控实训安全知识_第1页
1/15
数控实训安全知识_第2页
2/15
数控实训安全知识_第3页
3/15
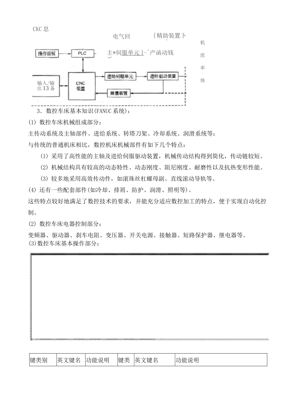
数控实训安全知识1. 学生进入车间必须穿工作服,要求女生戴好工作帽;2. 进入车间后不允许乱摸乱动,尤其不能随意按数控系统的软键;3. 学生必须在教师指导下进行数控机床的操作;4. 禁止多人同时操作机床,必须强调机床单人操作;5. 学生必须在操作步骤完全清楚时进行操作,遇到问题立即向指导老师询问,禁止在不知道规程的情况下进行尝试性操作;操作中如果机床出现异常,必须立即向指导老师报告;手动回零时,必须保证机床当前位置远离机床极限位置;手动操作时一定要注意安全,禁止违规操作;学生编完程序或将程序输入机床后,要通过指导老师检查无误后方可进行试运行;学生进行机床试运行及自动加工时必须在指导老师监督下进行;程序运行时注意事项:加工尺寸一定要小于工件伸出卡盘外的尺寸在 10mm 以上;自动运行时必须让光标从程序首行运行;检查机床各功能按键的位置是否选择合适;启动程序时一定要一只手按开始按钮,另一只手放在急停按钮上,程序在试运行时手不能离开急停按钮,如有紧急情况立即按下急停按钮;12 .机床在运行当中要将防护门关闭以免铁屑飞出伤人和润滑油飞出;13 .在程序中有暂停测量工件尺寸时,要待机床完全停止后方可进行,此时千万注意不能触及开始按钮,以免发生人身事故;14 .不能接触高速旋转中的主轴和刀具;清理机床铁屑或设备时,必须先将机床停止运转;15 .手动换刀时应注意刀具不要撞到工件或夹具;16 .严禁私自打开数控系统电器控制柜,更不允许乱摸电气元件,以免造成触电事故;17 .关机时,要等主轴停转 3 分钟后方可关机;二.基本知识1.数控机床的概念:按加工要求预先编制的程序,由控制系统发出以数字量作为指令信息进行工作的机床,称为数字控制机床(NC),简称数控机床。2.数控机床的组成:数控机床一般由控制介质、数控装置、伺服系统和机床本体组成。数控机床的工作原理如下图所示:3.数控车床基本知识(FANUC 系统):(1) 数控车床机械组成部分:主传动系统及主轴部件、进给系统、转塔刀架、冷却系统、润滑系统等;与传统的普通机床相比,数控机床机械部件有如下几个特点:(1) 采用了高性能的主轴及进给伺服驱动装置,机械传动结构得到简化,传动链较短。(2) 机械结构具有较高的动态特性、动态刚度、阻尼刚度、耐磨性以及抗热变形性能。(3) 较多地采用高效传动件,如滚珠丝杠螺母副、直线滚动导轨等。(4) 还有一些配套部件(如冷却、排屑、防护、润滑、照明等)。这些特...

1、当您付费下载文档后,您只拥有了使用权限,并不意味着购买了版权,文档只能用于自身使用,不得用于其他商业用途(如 [转卖]进行直接盈利或[编辑后售卖]进行间接盈利)。
2、本站所有内容均由合作方或网友上传,本站不对文档的完整性、权威性及其观点立场正确性做任何保证或承诺!文档内容仅供研究参考,付费前请自行鉴别。
3、如文档内容存在违规,或者侵犯商业秘密、侵犯著作权等,请点击“违规举报”。

碎片内容

数控实训安全知识

最好的沉淀+ 关注
实名认证
内容提供者

行业文档

确认删除?
VIP
微信客服
  • 扫码咨询
会员Q群
  • 会员专属群点击这里加入QQ群
客服邮箱
回到顶部