电脑桌面
添加小米粒文库到电脑桌面
安装后可以在桌面快捷访问

旋转楼梯钢结构施工方案[全面]VIP免费

旋转楼梯钢结构施工方案[全面]_第1页
1/12
旋转楼梯钢结构施工方案[全面]_第2页
2/12
旋转楼梯钢结构施工方案[全面]_第3页
3/12
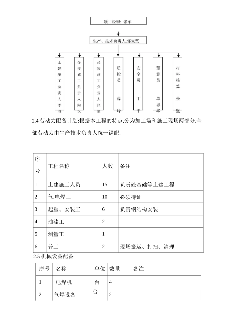
目录第一章工程概况 2第二章施工部署 2第三章施工准备 4第四章主要施工方案及技术措施 5第五章质量保证措施 10第六章施工进度保证措施 10第七章安全生产文明施工保证措施 11第八章降低成本措施 12工程概况1.1 基本情况本工程为保利生态体育公园配套设施(高尔夫酒店)钢结构工程,土建工程已进入.旋转钢楼梯位于该楼西段的墙外侧.楼梯总高度 11.5米,总重量 29 吨.1.2 施工现场难点本工程位于,施工场地窄小,材料运输受时间的限制.我们考虑将大部分构件放在加工场预制,以减少汽车运输的频率和施工现场的压力.施工部署2.1 工程质量目标:旋转楼梯分部工程验收一次合格率 100%.2.2 现场文明安全管理目标:施工期间杜绝一切重大安全事故,认真做好施工区域内的安全保证工作.2.3 施工组织管理机构:为确保工程质量达标,我们将选择有经验、有责任心的管理人员,按照管理层和作业层分开设置,统一指挥的原则,建立现场管理班子,设置质量管理机构,互相配合,协调与甲方、设计等各方关系,实现质量目标.2.4 劳动力配备计划:根据本工程的特点,分为加工场和施工现场两部分,全部劳动力由生产技术负责人统一调配.序号工程名称人数备注1土建施工人员15负责砼基础等土建工程2气.电焊工10必须持证3起重、安装工6负责钢结构安装4油漆工25测量工16普工2现场搬运、打扫、清理2.5 机械设备配备序号名称单位 数量备注1电焊机台42气焊设备台23砂轮切割机台14角线磨光机台35烘箱台26保温桶个47倒链 2 吨吨48倒链 5 吨吨19台钻台12.6 施工中执行的规范、规定钢结构工程施工质量验收规范 GB50205-2001建筑钢结构焊接规程 JGJ81-91建筑安装工程质量评定统一标准 GB50300-2001重庆市建设工程现场管理环境保护工作基本标准四建质量手册、环保手册、程序文件、管理标准.施工准备3.1 技术准备3.1.1 图纸、图集、规范、规程等.3.1.2 人员准备:按重庆市规定,配备持证人员上岗.3.1.3 组织有关人员熟悉图纸,进行图纸会审和交底,落实设计存在的问题和解决方法.3.1.4 编制分项施工方案3.2 生产准备3.2.1 与甲方现场代表协调,解决好现场用电、用水等问题.3.2.2 准备一切施工用机具、工具.主要施工方案及技术措施4.1 工程特点:4.1.1 地脚螺栓的预埋精度(标高、轴线位移)直接关系到钢楼梯的精度定位和节点处理.4.1.2 必须采用合理的安装顺序,以清除安装积累误差,确保垂直度.4.1.3 钢结构安装均为高空作业,如何保证人身安全,必须采取切合实际的安...

1、当您付费下载文档后,您只拥有了使用权限,并不意味着购买了版权,文档只能用于自身使用,不得用于其他商业用途(如 [转卖]进行直接盈利或[编辑后售卖]进行间接盈利)。
2、本站所有内容均由合作方或网友上传,本站不对文档的完整性、权威性及其观点立场正确性做任何保证或承诺!文档内容仅供研究参考,付费前请自行鉴别。
3、如文档内容存在违规,或者侵犯商业秘密、侵犯著作权等,请点击“违规举报”。

碎片内容

旋转楼梯钢结构施工方案[全面]

您可能关注的文档

确认删除?
VIP
微信客服
  • 扫码咨询
会员Q群
  • 会员专属群点击这里加入QQ群
客服邮箱
回到顶部