电脑桌面
添加小米粒文库到电脑桌面
安装后可以在桌面快捷访问

中跨合拢段施工方案VIP免费

中跨合拢段施工方案_第1页
1/22
中跨合拢段施工方案_第2页
2/22
中跨合拢段施工方案_第3页
3/22
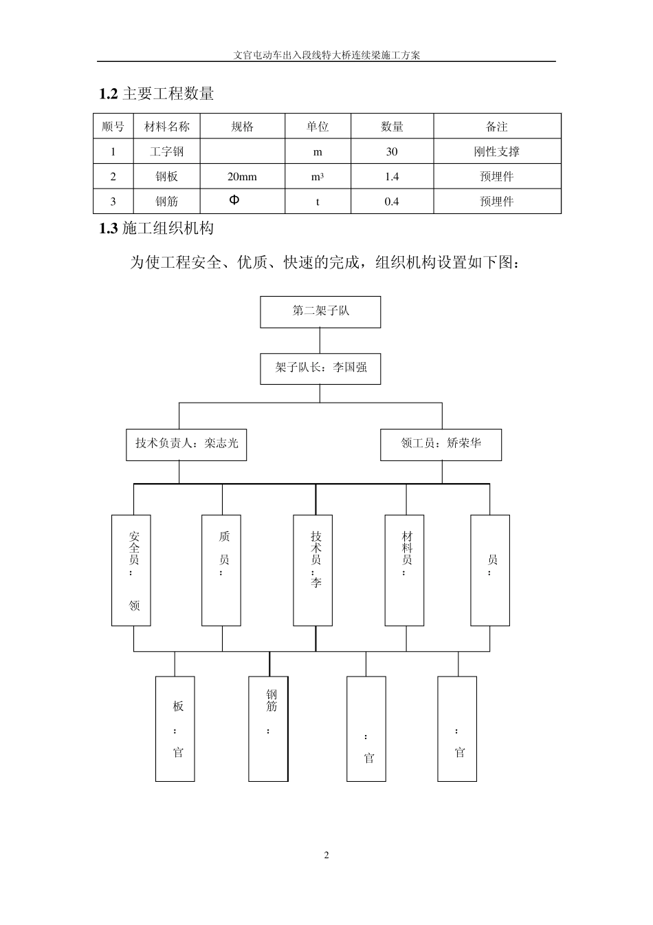
目 录 1 . 工程概况................................................................................................................. 1 1 .1 工程概述 ...................................................................................................... 1 1 .2 主要工程数量 .............................................................................................. 2 1 .3 施工组织机构 .............................................................................................. 2 2 . 施工方案................................................................................................................. 3 2 .1 总体施工方案 .............................................................................................. 3 2 .2 工期安排 ...................................................................................................... 3 2 .3 施工工序 ...................................................................................................... 3 3 . 劳力计划................................................................................................................. 9 4 . 主要材料、工程设备的使用计划....................................................................... 1 0 4 .1 主要材料 .................................................................................................... 1 0 4 .2 主要设备表 ................................................................................................ 1 0 5 . 安全保证措施....................................................................................................... 1 0 5 .1 高空作业保证措施 .................................................................................... 1 0 5 .2 施工用电安全保证措施 ............................................................................ 1 1 5 .3 预应力工程中的安全措施 ........................................................................ 1 2 5 .4 防火、消防安全措施 ......

1、当您付费下载文档后,您只拥有了使用权限,并不意味着购买了版权,文档只能用于自身使用,不得用于其他商业用途(如 [转卖]进行直接盈利或[编辑后售卖]进行间接盈利)。
2、本站所有内容均由合作方或网友上传,本站不对文档的完整性、权威性及其观点立场正确性做任何保证或承诺!文档内容仅供研究参考,付费前请自行鉴别。
3、如文档内容存在违规,或者侵犯商业秘密、侵犯著作权等,请点击“违规举报”。

碎片内容

中跨合拢段施工方案

您可能关注的文档

确认删除?
VIP
微信客服
  • 扫码咨询
会员Q群
  • 会员专属群点击这里加入QQ群
客服邮箱
回到顶部