电脑桌面
添加小米粒文库到电脑桌面
安装后可以在桌面快捷访问

主变母线选择VIP免费

主变母线选择_第1页
1/11
主变母线选择_第2页
2/11
主变母线选择_第3页
3/11
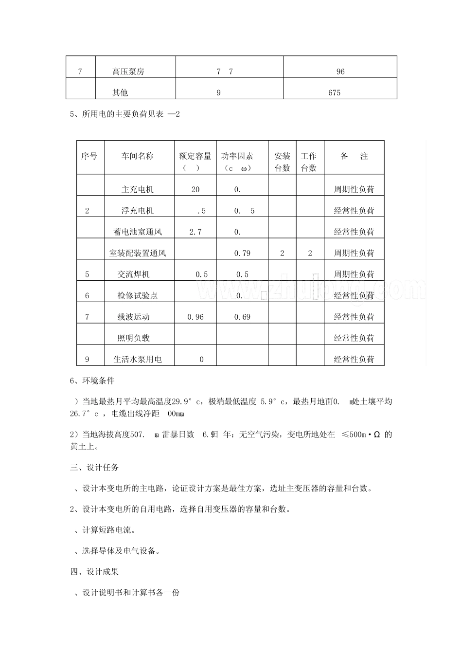
变电所是电力系统的重要组成部分,它直接影响整个电力系统的安全与经济运行,是联系发电厂和用户的中间环节,起着变换和分配电能的作用。电气主接线是发电厂变电所的主要环节,电气主接线的拟定直接关系着全厂(所)电气设备的选择、配电装置的布置、继电保护和自动装置的确定,是变电站电气部分投资大小的决定性因素。 本次设计为 35KV变电站电气部分初步设计,共分为任务书、说明书、计算书三部分,所设计的内容力求概念清楚,层次分明。本文在撰写的过程中,曾得到老师和同学的支持,并提供大量的资料和有益的建议,对此表示衷心的感谢。由于我本人还是学生,没有接触过这方面的事,对变电站的设计还比较陌生,所以在设计中不免有很多不妥当之处,还忘老师批评指正。 一 、设计要求 1、建立工程设计的正确观点,掌握电力系统设计基本原则和方法。 2、培养独立思考、解决问题的能力。 3、学习使用工程设计手册和其他参考书的能力,学习撰写工程设计说明书。 二 、原始资料 1、某国营企业为保证供电需求,要求设计一座35KV降压变电所,以10KV电缆给各车间供电,一次设计并建成。 2、距本变电所6Km处有一系统变电所,由该变电所用35KV双回路架空线路向待定设计的变电所供电,在最大运行方式下,待设计的变电所高压母线上的短路功率为1000MVA 。 3、待设计的变电所10KV无电源,考虑以后装设的组电容器,提高功率因素,故要求预留两个间隔。 4、本变电所10KV母线到各个车间均用电缆供电,其中一车间和二车间为一类负荷,其余为二类负荷,Tmax=4000h ,各馈线负荷如表1—1 序号 车间名称 计算用有功功率(kw) 计算用无功功率(kvar) 1 一车间 1046 471 2 二车间 735 487 3 机械车间 808 572 4 装配车间 1000 491 5 锻工车间 920 276 6 高压站 1350 297 7 高压泵房 737 496 8 其他 931 675 5、所用电的主要负荷见表1—2 序号 车间名称 额定容量(KW) 功率因素(cos) 安装台数 工作台数 备 注 1 主充电机 20 0.88 1 1 周期性负荷 2 浮充电机 4.5 0.85 1 1 经常性负荷 3 蓄电池室通风 2.7 0.88 1 1 经常性负荷 4 室装配装置通风 11 0.79 2 2 周期性负荷 5 交流焊机 10.5 0.5 1 1 周期性负荷 6 检修试验点 13 0.8 1 1 经常性负荷 7 载波运动 0.96 0.69 1 1 经常性负荷 8 照明负载 14 经常性负荷 9 生活水泵用电 10 经常性负...

1、当您付费下载文档后,您只拥有了使用权限,并不意味着购买了版权,文档只能用于自身使用,不得用于其他商业用途(如 [转卖]进行直接盈利或[编辑后售卖]进行间接盈利)。
2、本站所有内容均由合作方或网友上传,本站不对文档的完整性、权威性及其观点立场正确性做任何保证或承诺!文档内容仅供研究参考,付费前请自行鉴别。
3、如文档内容存在违规,或者侵犯商业秘密、侵犯著作权等,请点击“违规举报”。

碎片内容

主变母线选择

小辰+ 关注
实名认证
内容提供者

出售各种文档和资料

确认删除?
VIP
微信客服
  • 扫码咨询
会员Q群
  • 会员专属群点击这里加入QQ群
客服邮箱
回到顶部