电脑桌面
添加小米粒文库到电脑桌面
安装后可以在桌面快捷访问

冲压工艺常用的参数VIP免费

冲压工艺常用的参数_第1页
1/27
冲压工艺常用的参数_第2页
2/27
冲压工艺常用的参数_第3页
3/27
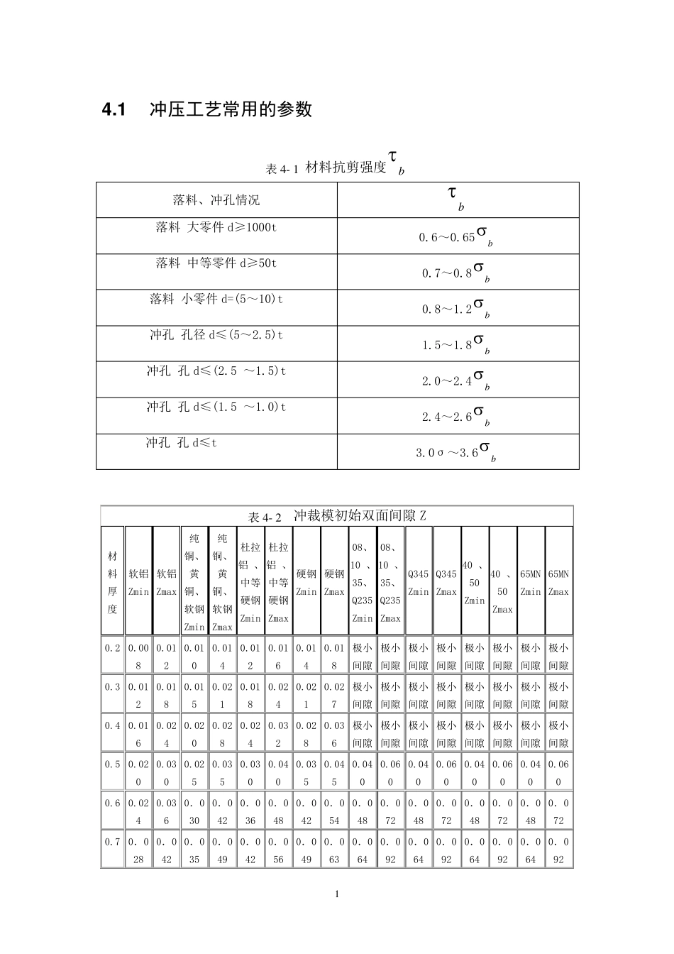
1 4 .1 冲压工艺常用的参数 表4 - 1 材料抗剪强度b 落料、冲孔情况 b 落料 大零件d≥1000t 0.6~0.65b 落料 中等零件d≥50t 0.7~0.8b 落料 小零件d=(5~10)t 0.8~1.2b 冲孔 孔径d≤(5~2.5)t 1.5~1.8b 冲孔 孔d≤(2.5 ~1.5)t 2.0~2.4b 冲孔 孔d≤(1.5 ~1.0)t 2.4~2.6b 冲孔 孔d≤t 3.0σ~3.6b 表4 - 2 冲裁模初始双面间隙 Z 材料厚度 软铝Zmin 软铝Zmax 纯铜、黄铜、软钢 Zmin 纯铜、黄铜、软钢 Zmax 杜拉铝 、中等硬钢 Zmin 杜拉铝 、中等硬钢 Zmax 硬钢 Zmin 硬钢 Zmax 08、 10 、35、 Q235 Zmin 08、 10 、35、 Q235 Zmax Q345 Zmin Q345 Zmax 40 、50 Zmin 40 、50 Zmax 65MN Zmin 65MN Zmax 0.2 0.008 0.012 0.010 0.014 0.012 0.016 0.014 0.018 极小间隙 极小间隙 极小间隙 极小间隙 极小间隙 极小间隙 极小间隙 极小间隙 0.3 0.012 0.018 0.015 0.021 0.018 0.024 0.021 0.027 极小间隙 极小间隙 极小间隙 极小间隙 极小间隙 极小间隙 极小间隙 极小间隙 0.4 0.016 0.024 0.020 0.028 0.024 0.032 0.028 0.036 极小间隙 极小间隙 极小间隙 极小间隙 极小间隙 极小间隙 极小间隙 极小间隙 0.5 0.020 0.030 0.025 0.035 0.030 0.040 0.035 0.045 0.040 0.060 0.040 0.060 0.040 0.060 0.040 0.060 0.6 0.024 0.036 0.030 0.042 0.036 0.048 0.042 0.054 0.048 0.072 0.048 0.072 0.048 0.072 0.048 0.072 0.7 0.028 0.042 0.035 0.049 0.042 0.056 0.049 0.063 0.064 0.092 0.064 0.092 0.064 0.092 0.064 0.092 2 表4 - 2 冲裁模初始双面间隙Z 材料厚度 软铝Zmin 软铝Zmax 纯铜、黄铜、软钢 Zmin 纯铜、黄铜、软钢 Zmax 杜拉铝 、中等硬钢 Zmin 杜拉铝 、中等硬钢 Zmax 硬钢 Zmin 硬钢 Zmax 08、 10 、35、 Q235 Zmin 08、 10 、35、 Q235 Zmax Q345 Zmin Q345 Zmax 40 、50 Zmin 40 、50 Zmax 65MN Zmin 65MN Zmax 0.8 0.032 0.048 0.040 0.056 0.048 0.064 0.056 0.072 0.072 0.104 0.072 0.104 0.072 0.104 0.064 0.092 0.9 0.036 0.054 0.045 0.063 0.054 0.072 0.063 0.081 0....

1、当您付费下载文档后,您只拥有了使用权限,并不意味着购买了版权,文档只能用于自身使用,不得用于其他商业用途(如 [转卖]进行直接盈利或[编辑后售卖]进行间接盈利)。
2、本站所有内容均由合作方或网友上传,本站不对文档的完整性、权威性及其观点立场正确性做任何保证或承诺!文档内容仅供研究参考,付费前请自行鉴别。
3、如文档内容存在违规,或者侵犯商业秘密、侵犯著作权等,请点击“违规举报”。

碎片内容

冲压工艺常用的参数

您可能关注的文档

确认删除?
VIP
微信客服
  • 扫码咨询
会员Q群
  • 会员专属群点击这里加入QQ群
客服邮箱
回到顶部