电脑桌面
添加小米粒文库到电脑桌面
安装后可以在桌面快捷访问

冷干机说明书VIP免费

冷干机说明书_第1页
1/12
冷干机说明书_第2页
2/12
冷干机说明书_第3页
3/12
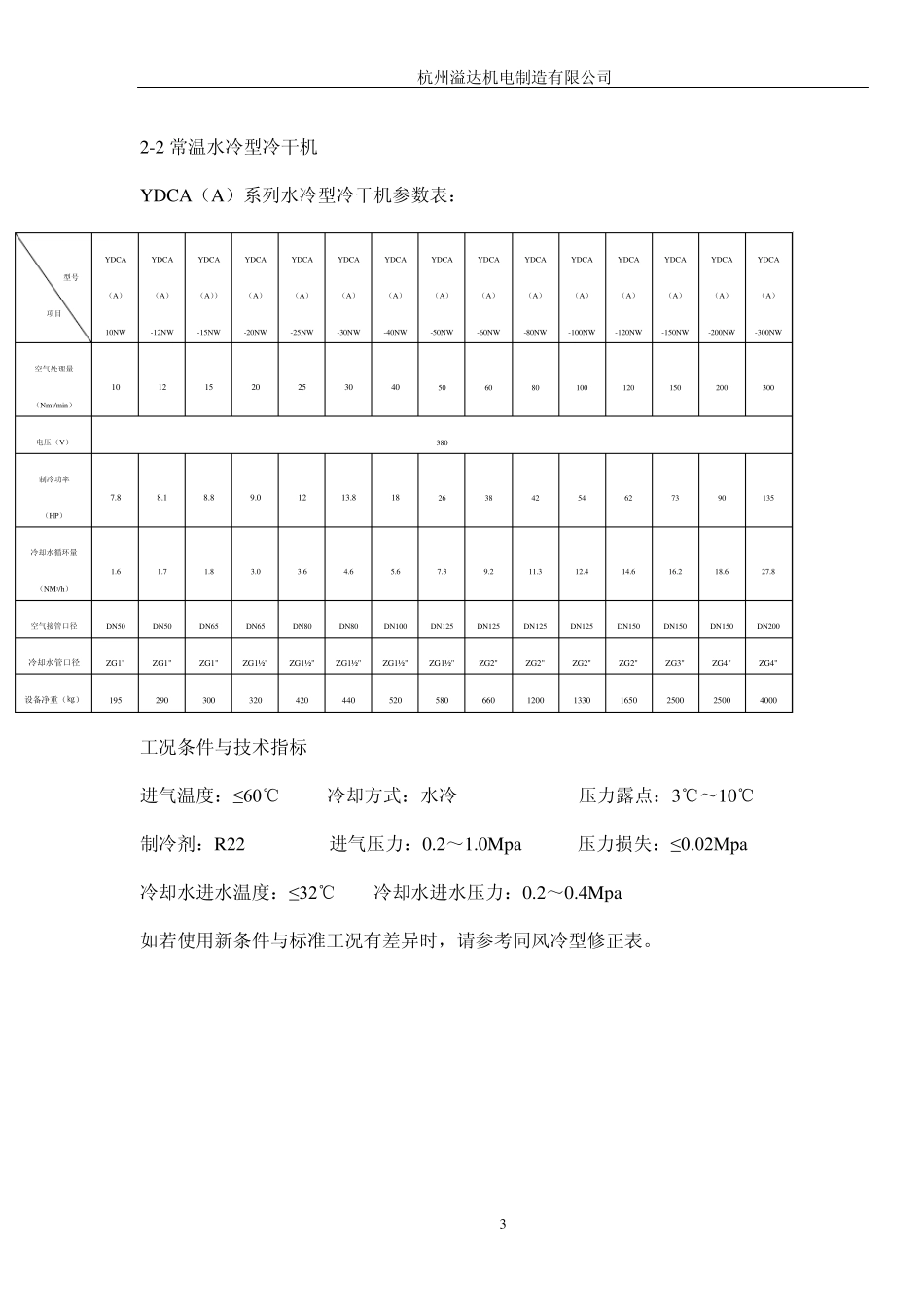
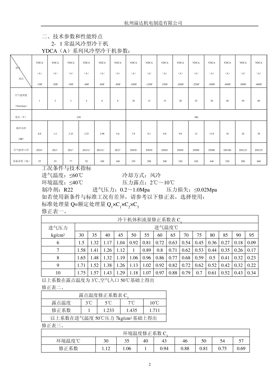
杭州溢达机电制造有限公司 1 一概述: 1- 1 气源净化原理 我公司研制的气源净化设备,在冷冻式压缩空气干燥机(以下简称冷冻式干燥机)中,利用全封闭压缩式制冷系统对经空压机排出的压缩空气冷却降温,使其中的水气迅速达到饱和,并使其大部分凝结成水滴,积聚后由排水器排出,并除去部分油份。干燥后的压缩空气,通过管道进入精密过滤器,除出剩下的油份和灰尘杂质,最终达到除水、除油、除尘、净化气源之目的。 1- 2 冷冻式干燥机的工作原理 冷冻式干燥机,在整个气源净化系统中,主要起除去压缩空气中的水分的作用。使经过干燥机处理后的压缩空气,其压力露点温度达到1.7℃(相当于大气露点温度-23.3℃)。其工作原理如下:(见图 1-1) 12341156789101、湿空气入口2、干燥空气出口3、预冷器4、冷却器5、自动排水器6、冷媒干燥过滤器7、气冷式凝结器8、冷媒压缩机9、比例式热气旁路阀10、外部均压感温式自动膨胀阀11、油水分离器12、前置冷却器图1-1冷冻式干燥机的工作原理 1- 3 压缩空气的干燥流程 a、 经空压机排出温度达到45℃的高温湿空气,经湿空气入口①进入预冷器③与进入干燥机已被冷却干燥后的低温干燥空气进行热交换,(两者有各自流通管道互相隔绝),使进口的空气预冷。 b、预冷后的冷空气进入冷却器④,在制冷系统蒸发器瞬间强力冷却下,空气温度急剧下降到1.7℃,此时空气中的水气油气迅速达到饱和,并从空气中析离凝结成水滴、油滴。 c、 从冷却器流出的空气,进入油水分离器(11),在油水分离器的作用下,使空气中析离的水滴、油分与空气分离,经自动排水器⑤排出机外。干燥后的空气通过另置管道,再次流入预冷器③。 d、此时流入预冷器的干燥空气,温度和压力露点均可达到1.7℃,预冷器与入口湿空气作热交换,使温度适当提高,然后经空气出口②排出,(经干燥处理排出的空气温度过低,会使用气设备表面产生凝露现象,影响设备的的正常运行)。 注:对高温型机种,由于入口空气温度高达80℃,在预冷器前设有前置冷却器(12)。高温湿空气在进入预冷器前,先在前置冷却器内作前置冷却,或者按后述的修正表重新选型。 杭州溢达机电制造有限公司 2 二、技术参数和性能特点 2- 1 常温风冷型冷干机 YDCA(A)系列风冷型冷干机参数: 型号 项目 YDCA(A)-1NF YDCA(A) -2NF YDCA (A) -3NF YDCA(A) -4NF YDCA(A) 6NF YDCA(A) -8NF YDCA(A) -10NF YDCA(A) -12NF YDCA...

1、当您付费下载文档后,您只拥有了使用权限,并不意味着购买了版权,文档只能用于自身使用,不得用于其他商业用途(如 [转卖]进行直接盈利或[编辑后售卖]进行间接盈利)。
2、本站所有内容均由合作方或网友上传,本站不对文档的完整性、权威性及其观点立场正确性做任何保证或承诺!文档内容仅供研究参考,付费前请自行鉴别。
3、如文档内容存在违规,或者侵犯商业秘密、侵犯著作权等,请点击“违规举报”。

碎片内容

冷干机说明书

确认删除?
VIP
微信客服
  • 扫码咨询
会员Q群
  • 会员专属群点击这里加入QQ群
客服邮箱
回到顶部