电脑桌面
添加小米粒文库到电脑桌面
安装后可以在桌面快捷访问

冷轧钢板材质知识VIP免费

冷轧钢板材质知识_第1页
1/6
冷轧钢板材质知识_第2页
2/6
冷轧钢板材质知识_第3页
3/6
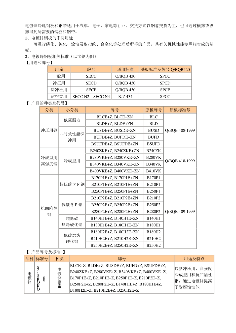
冷轧钢板材质介绍 一、普通冷轧板材简介 是由热轧薄板通过冷压力加工而得到的产品。由于经过多道次的冷轧,其表面质量优于热轧薄板,经过热处理后,可得到良好的力学性能。 1、普通冷轧板材的用途分类 根据生产企业的不同需求,通常将冷轧板分为:一般用冷轧板、冲压级冷轧板、深冲、特深冲及超深冲级冷轧板,一般以卷材和平板交货,厚度以毫米表示,宽度一般为:1000mm 和 1250mm,长度一般为 2000mm 和 2500mm。 2、普通冷轧板材的牌号 常用牌号为:Q195、Q215、Q235、08AL、SPCC、SPCD、SPCE、SPCEN、ST12、ST13、ST14、ST15、ST16、DC01、DC03、DC04、DC05、DC06 等; ST12:表示为最普通的钢号,与 Q195、SPCC、DC01 牌号材质基本相同; ST13/14:表示为冲压级的钢号,与 08AL、SPCD、DC03/04 牌号材质基本相同; ST15/16:表示为冲压级的钢号,与 08AL、SPCE、SPCEN、DC05/06 牌号材质基本相同。 3、普通冷轧板材的牌号尺寸表示方法 例如鞍钢产 ST12,1*1250*2500/C,表示为:牌号 ST12 普通冷板,厚度为 1mm,宽度为 1250mm,长度为 2500mm 或 C 卷材。外观为白铁皮精包装,机械性能为最普通的,最基础的钢号,只能用于折弯成型,不能用于冲压。使用于机械咬口用,例如冰箱的外壳,车辆油箱等。 ST13 以上产品,用在需要深冲的行业,如汽车制造,柴油机的油箱等,具体要用哪一种,看其拉深的要求而定。 ST12 与 SPCC 的差别:其两种产品的机械性能相差无几,只是退货方式不同,ST12 材质的产品拉伸性能相对比SPCC 要强。 日本 JIS 标准材质含义 SPCC---S 表示为钢(Steel),P 表示为板(Plate),C 表示冷(Cold),C 表示商 业(Commercial),为日本 JIS 标准。 如需保 证 抗 拉强度,在牌号末 尾 加 T,为:SPCCT。SPCD---表示冲压用冷轧碳 素 钢薄板及钢带 ,相当 于中 国 08AL(13237) 优质碳 素 结 构 钢。SPCE---表示深冲用冷轧碳 素 钢薄板及钢带 ,相当 于中 国 08AL(5213) 深冲钢。如需保 证 非 时 效 性,在牌号末 尾 加 N 为 SPCEN。冷轧碳 素 钢薄板及钢带 调 质代 号:退火 状 态 为 A,标准调 质为 S,1/8 硬 度为 8,1/4 硬 度为 4,1/2 硬 度为 2,全 硬 度为 1.表面加工代 号:无光泽 精轧为 D,光 亮 精轧为 B。例如 SPCC-SD 表示标准调 质、无光 泽 精轧的一般用冷轧碳 素 薄板。再 ...

1、当您付费下载文档后,您只拥有了使用权限,并不意味着购买了版权,文档只能用于自身使用,不得用于其他商业用途(如 [转卖]进行直接盈利或[编辑后售卖]进行间接盈利)。
2、本站所有内容均由合作方或网友上传,本站不对文档的完整性、权威性及其观点立场正确性做任何保证或承诺!文档内容仅供研究参考,付费前请自行鉴别。
3、如文档内容存在违规,或者侵犯商业秘密、侵犯著作权等,请点击“违规举报”。

碎片内容

冷轧钢板材质知识

小辰5+ 关注
实名认证
内容提供者

出售各种资料和文档

确认删除?
VIP
微信客服
  • 扫码咨询
会员Q群
  • 会员专属群点击这里加入QQ群
客服邮箱
回到顶部