电脑桌面
添加小米粒文库到电脑桌面
安装后可以在桌面快捷访问

地下车库沉降缝防水堵漏工程技术方案VIP免费

地下车库沉降缝防水堵漏工程技术方案_第1页
1/9
地下车库沉降缝防水堵漏工程技术方案_第2页
2/9
地下车库沉降缝防水堵漏工程技术方案_第3页
3/9
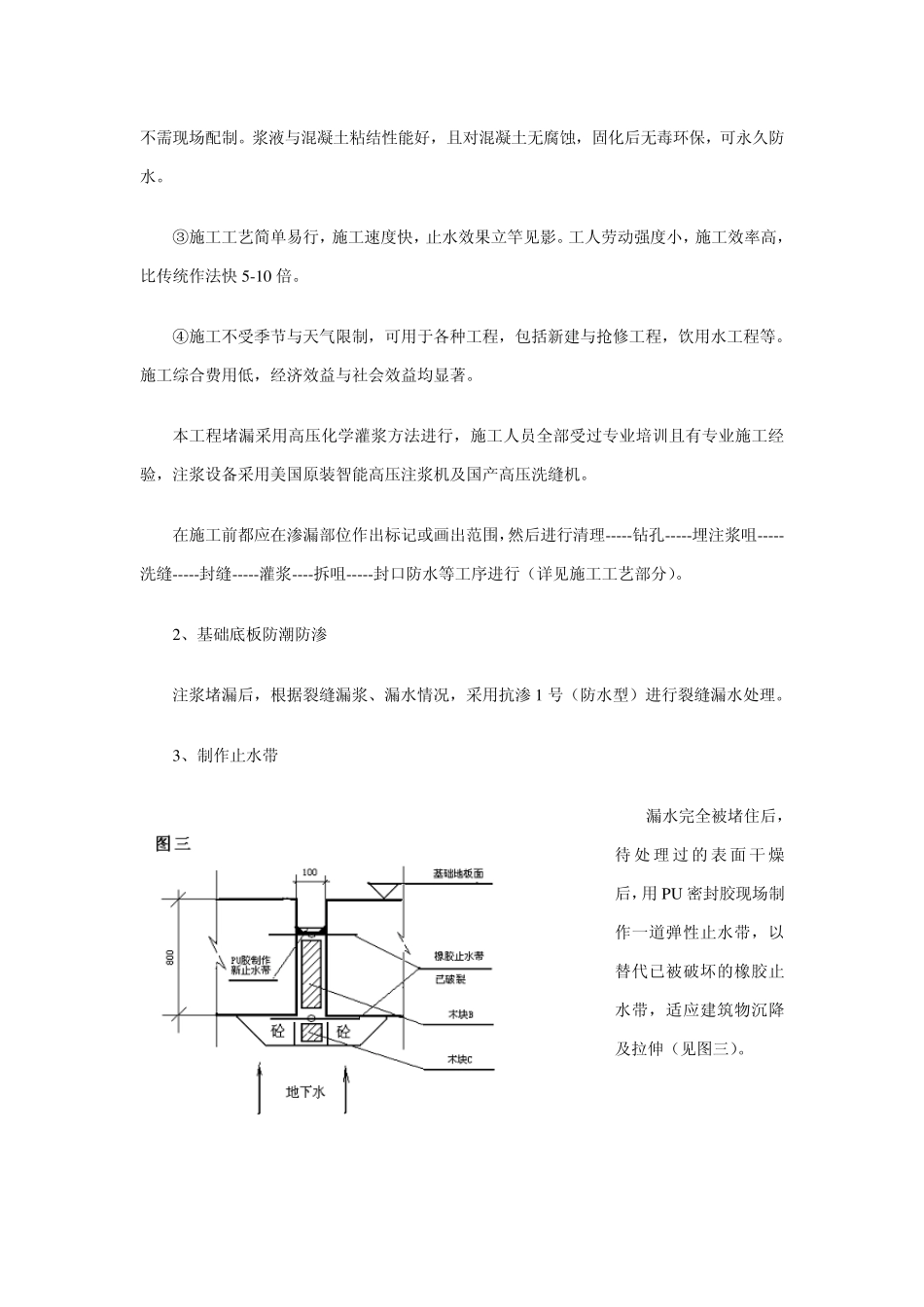
江苏镇江颐和家园地下车库沉降缝 防水堵漏工程技术方案 一、工程概况 江苏镇江颐和家园地下车库工程位于镇江市城区,车库整体深度为 4.8m,上方为广场,地下水位较高,常年处于地下3 米以上,现主体工程已完工。 该项目基础为 800mm 厚现浇混凝土,基础面积约 8000m2,属大体积混凝土,存在 4 条环形后浇带。 二、渗漏原因 该地下车库主体建成后,地下水位上移,车库上浮 300~400mm,由于配重和填土不平衡,导致各施工段出现 100mm 以上垂直沉降落差,将沉降缝中双层止水带拉破。沿止水带出现大面积渗漏(见图一)。 三、防水堵漏方案设计 根据现场调查结果,该工程的基础及墙面渗漏较严重,大体积混凝土止水带 破裂,地下水高压渗漏。一般传统表面堵漏的方法难以取得成效。解决该问题需要全面分析,认真对待,堵、防结合,综合治理才能成功。 1、堵漏 首先是堵漏,先将大量漏水点用高压化学灌浆方法堵住。 混凝土建筑物裂缝是导致混凝土建筑物损坏的主要原因之一,这些裂缝引起的渗漏水解决起来很困难。一般传统的堵漏方法,是将裂缝或渗水处凿开进行表面堵漏,结果是堵住这里那里又开始渗漏,因为裂缝在混凝土内部是无规则的,水可以在裂缝中自由串动,从相对薄弱的部位渗出。 化学灌浆是指将由化学材料配制的浆液,通过钻孔埋设注浆嘴,使用压力将其注入混凝土的裂缝中,使其扩散、凝固,达到堵漏、防水的目的。常用于修补较深的混凝土结构裂缝。根据灌浆的压力和速度,可分为高压快速灌浆法和低压慢速灌浆法。前者用于混凝土深层裂缝漏水堵漏,后者适用于结构补强加固,本工程适于使用高压快速灌浆法。 高压化学灌浆堵漏可利用灌浆机产生的持续高压,将化学浆液灌注到混凝土内部的缝隙中,并将缝中的水完全沿来水通道挤走,并与水反应形成凝胶,将原来渗水缝隙完全填充满,达到永久止水目的(见图二)。 这种灌浆方法的优点: ①压力高,一般可达 20Mpa,并能稳定恒压,能让化学浆液完全进入混凝土结构 深 层微 小缝 隙内部,止水效果好。 ②化学灌浆液生产技术成熟,品种齐全,基本上都已实现单组份成品化生产,贮存稳定性好,开桶即可使用,不需现场配制。浆液与混凝土粘结性能好,且对混凝土无腐蚀,固化后无毒环保,可永久防水。 ③施工工艺简单易行,施工速度快,止水效果立竿见影。工人劳动强度小,施工效率高,比传统作法快 5-10 倍。 ④施工不受季节与天气限制,可用于各种工程,包括新建与抢修工...

1、当您付费下载文档后,您只拥有了使用权限,并不意味着购买了版权,文档只能用于自身使用,不得用于其他商业用途(如 [转卖]进行直接盈利或[编辑后售卖]进行间接盈利)。
2、本站所有内容均由合作方或网友上传,本站不对文档的完整性、权威性及其观点立场正确性做任何保证或承诺!文档内容仅供研究参考,付费前请自行鉴别。
3、如文档内容存在违规,或者侵犯商业秘密、侵犯著作权等,请点击“违规举报”。

碎片内容

地下车库沉降缝防水堵漏工程技术方案

确认删除?
VIP
微信客服
  • 扫码咨询
会员Q群
  • 会员专属群点击这里加入QQ群
客服邮箱
回到顶部