电脑桌面
添加小米粒文库到电脑桌面
安装后可以在桌面快捷访问

地基验槽新表格VIP免费

地基验槽新表格_第1页
1/14
地基验槽新表格_第2页
2/14
地基验槽新表格_第3页
3/14
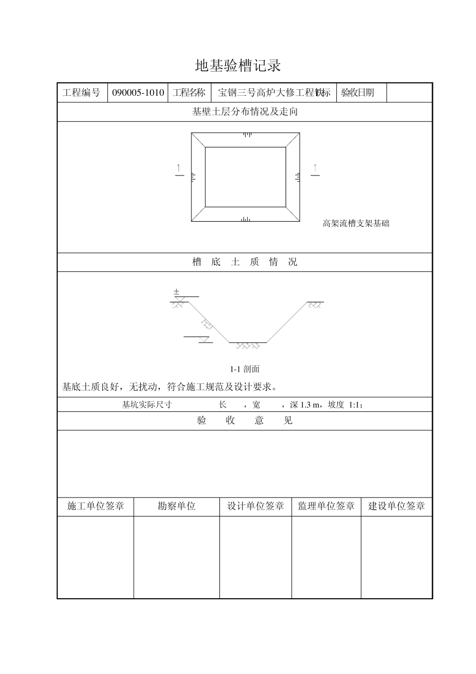
地基验槽记录 工程编号 090005-1004 工程名称 宝钢三号高炉大修工程铁1 标 验收日期 基壁土层分布情况及走向 4BF向2BF送粉管道改造支架基础 基壁土质分布均匀 槽 底 土 质 情 况 1-1 剖面 基底土质良好,为粉质粘土层,无扰动,符合施工规范及设计要求。 基坑实际尺寸 JC-1:长 4.9m ,宽 3.5m ,深 1.70 m ,坡度 1:1; JC-2:长 4.6m ,宽 4.0m ,深 2.00 m ,坡度 1:1; 验 收 意 见 施工单位签章 勘察单位 设计单位签章 监理单位签章 建设单位签章 地基验槽记录 工程编号 090005-1010 工程名称 宝钢三号高炉大修工程铁1 标 验收日期 基壁土层分布情况及走向 高架流槽支架基础 槽 底 土 质 情 况 -1.300.00±1:11:1 1-1 剖面 基底土质良好,无扰动,符合施工规范及设计要求。 基坑实际尺寸 长 ,宽 ,深 1.3 m ,坡度 1:1; 验 收 意 见 施工单位签章 勘察单位 设计单位签章 监理单位签章 建设单位签章 地基验槽记录 工程编号 090005-1004 工程名称 宝钢三号高炉大修工程铁1 标 验收日期 基壁土层分布情况及走向 4BF向2BF送粉管道改造支架基础 槽 底 土 质 情 况 1-1 剖面 基底土质良好,无扰动,符合施工规范及设计要求。 基坑实际尺寸 JC-1:长 4.9m ,宽 3.5m ,深 1.70 m ,坡度 1:1; JC-2:长 4.6m ,宽 4.0m ,深 2.00 m ,坡度 1:1; 验 收 意 见 施工单位签章 勘察单位 设计单位签章 监理单位签章 建设单位签章 地基验槽记录 工程编号 090005-1007 工程名称 宝钢三号高炉大修工程铁1 标 验收日期 基壁土层分布情况及走向 喷淋供水泵场基础 槽 底 土 质 情 况 -3.000.00±1:11:1 1-1 剖面 基底为桩承重,土质良好,无扰动,符合施工规范及设计要求。 基坑实际尺寸 长 21.8 米 ,宽 13 米 ,深 3.0m ,坡度 1:1; 验 收 意 见 施工单位签章 勘察单位 设计单位签章 监理单位签章 建设单位签章 地基验槽记录 工程编号 090005-1007 工程名称 宝钢三号高炉大修工程铁1 标 验收日期 基壁土层分布情况及走向 临时二文 槽 底 土 质 情 况 -1.700.00±1:11:1 1-1 剖面 基底土质良好,无扰动,符合施工规范及设计要求。 基坑实际尺寸 长 17.5 米 ,宽 10.0 米 ,深 1.7m ,坡度 1:1; 验 收 意 见 施工单位签章 勘察单位 设计单...

1、当您付费下载文档后,您只拥有了使用权限,并不意味着购买了版权,文档只能用于自身使用,不得用于其他商业用途(如 [转卖]进行直接盈利或[编辑后售卖]进行间接盈利)。
2、本站所有内容均由合作方或网友上传,本站不对文档的完整性、权威性及其观点立场正确性做任何保证或承诺!文档内容仅供研究参考,付费前请自行鉴别。
3、如文档内容存在违规,或者侵犯商业秘密、侵犯著作权等,请点击“违规举报”。

碎片内容

地基验槽新表格

您可能关注的文档

小辰8+ 关注
实名认证
内容提供者

出售各种资料和文档

相关文档

确认删除?
VIP
微信客服
  • 扫码咨询
会员Q群
  • 会员专属群点击这里加入QQ群
客服邮箱
回到顶部