电脑桌面
添加小米粒文库到电脑桌面
安装后可以在桌面快捷访问

工序能力指数CPK的计算和分析VIP免费

工序能力指数CPK的计算和分析_第1页
1/6
工序能力指数CPK的计算和分析_第2页
2/6
工序能力指数CPK的计算和分析_第3页
3/6
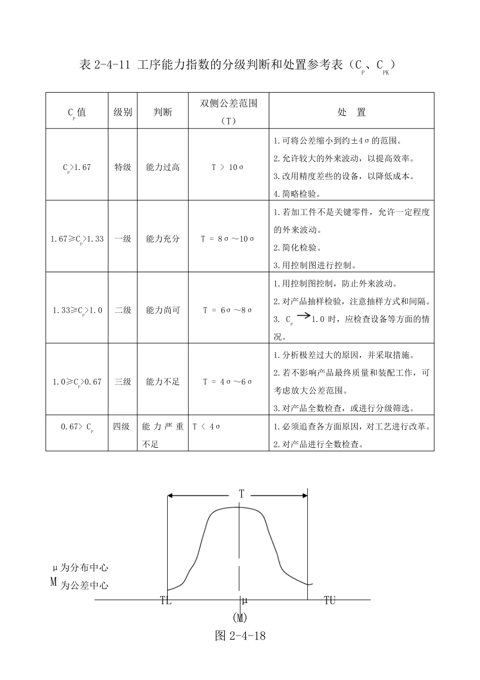
工序能力 工序能力是指工序在一定时间里,处于控制状态(稳定状态)下的实际加工能力。它是工序固有的能力,或者说它是工序保证质量的能力。 这里指的工序,是指操作者、机器、原材料、工艺方法和生产环境等五个基本的质量因素综合作用的过程,也就是产品质量的生产过程。产品质量就是工序中的各个质量因素所起作用的综合表现。 对于任何生产过程,产品质量总是分散地存在着。 若工序能力越高,则产品质量特性值的分散就会越小; 若工序能力越低,则产品质量特性值的分散就会越大。 应当用一个什么样的量来描述生产过程所造成的总分散呢? 通常,都用6σ(即μ±3σ)来表示工序能力: 工序能力 = 6σ 若用符号 P 来表示工序能力,则 P = 6σ 式中:σ是处于稳定状态下的工序的标准偏差。 工序能力与一般所讲的生产能力是两个不同概念。前者是指质量上的能力,后者是指数量上的能力。 工序能力指数 工序能力是表示生产过程客观存在着分散的一个参数。但是这个参数是否满足产品的技术要求,仅从它本身还难以看出。因此需要另一个参数来反 映 工序能力满足产品技术要求(公 差、规 格 等质量标准)的程度 。这个参数就叫 做 工序能力指数。它是技术要求和工序能力的比 值,即 工序能力指数 = 技术要求 / 工序能力 当分布 中心 与公 差中心 重 合时,工序能力指数记 为CP。 当分布 中心 与公 差中心 有偏离 时,工序能力指数记 为CPK. 运 用工序能力指数,可 以帮 助 我 们 掌 握 生产过程的质量水 平 。 工序能力指数的分级 判 断 工序的质量水 平 按CP 值可 划 分为 五个等级 。按 其 等级 的高低,在管理 上可 以作出相 应的判 断 和处置 见 下表 下表中的分级 、判 断 和处置 对CPK也同样适 用。 表2-4-11 工序能力指数的分级判断和处置参考表(CP、CPK) CP值 级别 判断 双侧公差范围(T) 处 置 CP>1.67 特级 能力过高 T > 10σ 1.可将公差缩小到约±4σ的范围。 2.允许较大的外来波动,以提高效率。 3.改用精度差些的设备,以降低成本。 4.简略检验。 1.67≥CP>1.33 一级 能力充分 T = 8σ~10σ 1.若加工件不是关键零件,允许一定程度的外来波动。 2.简化检验。 3.用控制图进行控制。 1.33≥CP>1.0 二级 能力尚可 T = 6σ~8σ 1.用控制图控制,防止外来波动。 2.对产品抽样检验,注意抽样方式和间隔。 3. C...

1、当您付费下载文档后,您只拥有了使用权限,并不意味着购买了版权,文档只能用于自身使用,不得用于其他商业用途(如 [转卖]进行直接盈利或[编辑后售卖]进行间接盈利)。
2、本站所有内容均由合作方或网友上传,本站不对文档的完整性、权威性及其观点立场正确性做任何保证或承诺!文档内容仅供研究参考,付费前请自行鉴别。
3、如文档内容存在违规,或者侵犯商业秘密、侵犯著作权等,请点击“违规举报”。

碎片内容

工序能力指数CPK的计算和分析

确认删除?
VIP
微信客服
  • 扫码咨询
会员Q群
  • 会员专属群点击这里加入QQ群
客服邮箱
回到顶部