电脑桌面
添加小米粒文库到电脑桌面
安装后可以在桌面快捷访问

工程机械常见焊接开裂与修复技术VIP免费

工程机械常见焊接开裂与修复技术_第1页
1/7
工程机械常见焊接开裂与修复技术_第2页
2/7
工程机械常见焊接开裂与修复技术_第3页
3/7
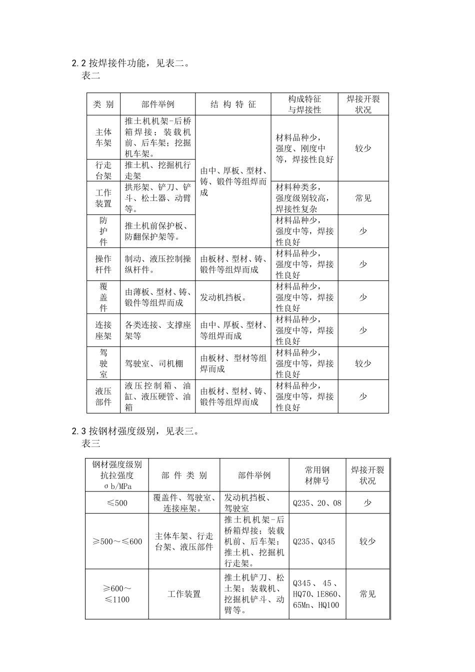
工程机械常见焊接件开裂与修复技术 焊 接 件 是 各 类 工 程 机 械 设 备 结 构 中 的 重 要 组 成 部 分 。 在 施 工 作 业 过 程 中 , 焊接 件 开 裂 是 设 备 常 见 故 障 之 一 。 焊 接 开 裂 时 , 会 影 响 设 备 正 常 运 行 , 甚 至 造 成 无法 作 业 , 导 致 停 工 。 对 工 程 机 械 常 见 焊 接 件 开 裂 与 修 复 技 术 的 研 究 , 是 设 计 、 工艺 与 维 修 人 员 密 切 关 注 的 课 题 。 随 着 工 程 机 械 焊 接 结 构 趋 向 于 高 参 数 、 大 型 化 、 耐 磨 、 重 载 、 轻 量 化 的 方向 发 展 , 焊 接 构 件 制 造 也 不 断 应 用 新 材 料 、 新 工 艺 、 新 技 术 。 焊 接 构 件 不 仅 要 满足 产 品 设 计 性 能 、 参 数 要 求 , 还 要 求 焊 接 接 头 具 备 更 高 的 可 靠 性 , 同 样 对 焊 接 件开 裂 预 防 与 修 复 技 术 也 要 求 更 加 严 格 。 1 焊接开裂的基本原因 企 业 在 产 品 结 构 件 设 计 、 加 工 、 检 验 等 过 程 建 立 了 有效的 质量 控制 体系, 力求 提高 焊 接 接 头 性 能 , 达到预 防 、 消除焊 接 缺欠, 保证焊 缝可 靠 性 的 目标。 但是 ,焊 接 由于 其自身的 特点而被视为“特殊过 程 ”。 这 是 因 为焊 接 作 为一 种 热 加 工 技术 , 其随 后 的 检 验 根 本 无 法 充 分 验 证其加 工 结 果 , 不 能 完 全 控制 与 了 解 焊 接 接 头性 能 是 否 达到了 预 期 的 要 求 。 事 实 上 , 所 有的 焊 接 产 品 都 是 带 着 这 种 未 知 的 “问号 ” 进 入 用 户 的 手 中 运 行 和 使 用 。 在 设 备 作 业 运 行 中 , 当 构 件 受 到冲 击 、 拉 压 、扭 转 、 弯 曲 载 荷 与 过 载 、 震 动 、 环 境 温 度 变 化 等 复 杂 工 况 时 , 避 免 不 了 形 成 裂 纹 ,裂 纹 逐 渐 扩 展 导 致 焊 接 开 裂 直 至 构 件 断 开 失 效。 所 以 这 种 “特殊过 程 ” 的 缘 故 ,...

1、当您付费下载文档后,您只拥有了使用权限,并不意味着购买了版权,文档只能用于自身使用,不得用于其他商业用途(如 [转卖]进行直接盈利或[编辑后售卖]进行间接盈利)。
2、本站所有内容均由合作方或网友上传,本站不对文档的完整性、权威性及其观点立场正确性做任何保证或承诺!文档内容仅供研究参考,付费前请自行鉴别。
3、如文档内容存在违规,或者侵犯商业秘密、侵犯著作权等,请点击“违规举报”。

碎片内容

工程机械常见焊接开裂与修复技术

您可能关注的文档

小辰5+ 关注
实名认证
内容提供者

出售各种资料和文档

确认删除?
VIP
微信客服
  • 扫码咨询
会员Q群
  • 会员专属群点击这里加入QQ群
客服邮箱
回到顶部