电脑桌面
添加小米粒文库到电脑桌面
安装后可以在桌面快捷访问

工程质量保证体系及措施VIP免费

工程质量保证体系及措施_第1页
1/24
工程质量保证体系及措施_第2页
2/24
工程质量保证体系及措施_第3页
3/24
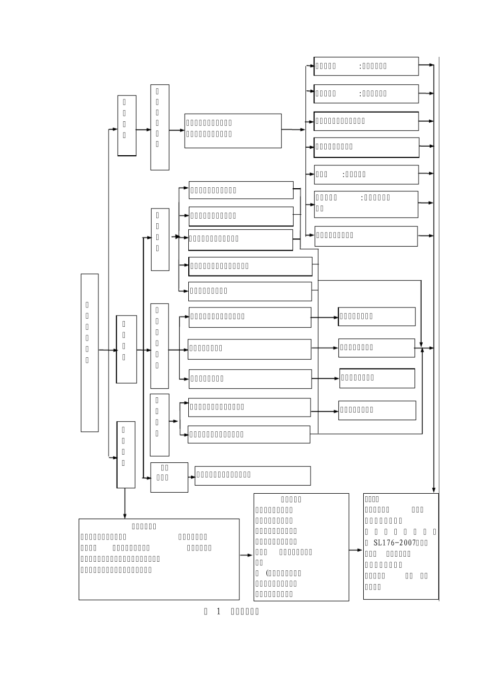
工程质量保证体系及措施 1.1 质量目标 水工部分达到《水利水电工程施工质量检验与评定规程》( SL176-2007)优良标准,其他部分达到国家相关质量验收合格标准,力争“大禹杯”奖。 1.2 工程质量保证体系 本工程中,为确保质量体系持续有效运行,实现工程质量创优目标,项目经理部成立质量领导小组,项目经理及总工程师任正、副组长,成员由质量、施工、技术、物资、计划、财务等部门负责人及各作业班长组成,组织创优管理工作。其中:项目经理对本段工程质量承担主要责任,严格实行工程质量终身负责制。定期质量检查,召开质量分析会议,分析质量保证计划的执行情况,及时发现问题,研究改进措施,积极推动项目经理部全面质量管理工作的深入开展。质量保证体系见图1。 1.3 质量检查组织机构 项目经理部设质量安全质量部,配4 名专职质量检查工程师,在施工过程中按照“跟踪检查、复检、抽检”三个检测等级实施检测任务。在严格内部“自检、互检、交接检”的“三检”制度的基础上,认真接受建设单位质量监督和监理单位的监理,接受社会质量监督部门的监督,并自始至终密切配合,严格服从。质量检查工程师直接对项目经理和总工程师负责,行使监督权、检查权和质量检查否决权。质量检查组织机构见图2、质量管理机构见图3。 图 2 质量检查组织机构图 组长:项目经理 副组长:项目副经理. 总工程师 工程技术部 物资设备部 综合办公室 各施工班组 全体施工人员 计划财务部 质量监察部 质量检查领导小组 图 1 质量保证体系 制度保证 施 工 保 证 施 工 阶 段 保 证 施工技术、质量保证措施交底 施工工艺质量控制 施工过程产品控制 缺陷 责任期 竣 工 阶 段 竣工文件编制、工程质量自检 工程验交、业主签发交工证书 工程质量缺陷进行补修或重建 工程质量自检控制 工序交接质量控制 分项工程质量检查 分部工程质量检查 质量管理制度 工程测量双检复核制度、 隐蔽工程检查签证制度、质量责任挂牌制度、质量评定奖罚制度、质量定期检查制度、质量报告制度、竣工质量签证制度、重点工程把关制度 质量目标 水工部分达到《水利水电工程施工质量检 验 与 评 定 规 程 》( SL176-2007)优良标准,其他部分达到国家相关质量验收合格标准,力争 “大禹杯”奖 质量责任制 项目经理质量责任制 总工程师质量责任制 质检工程师质量责任制 试验工程师质量责任制 测量、量测工程师质量责任制...

1、当您付费下载文档后,您只拥有了使用权限,并不意味着购买了版权,文档只能用于自身使用,不得用于其他商业用途(如 [转卖]进行直接盈利或[编辑后售卖]进行间接盈利)。
2、本站所有内容均由合作方或网友上传,本站不对文档的完整性、权威性及其观点立场正确性做任何保证或承诺!文档内容仅供研究参考,付费前请自行鉴别。
3、如文档内容存在违规,或者侵犯商业秘密、侵犯著作权等,请点击“违规举报”。

碎片内容

工程质量保证体系及措施

您可能关注的文档

确认删除?
VIP
微信客服
  • 扫码咨询
会员Q群
  • 会员专属群点击这里加入QQ群
客服邮箱
回到顶部