电脑桌面
添加小米粒文库到电脑桌面
安装后可以在桌面快捷访问

整车线束设计开发流程VIP免费

整车线束设计开发流程_第1页
1/10
整车线束设计开发流程_第2页
2/10
整车线束设计开发流程_第3页
3/10
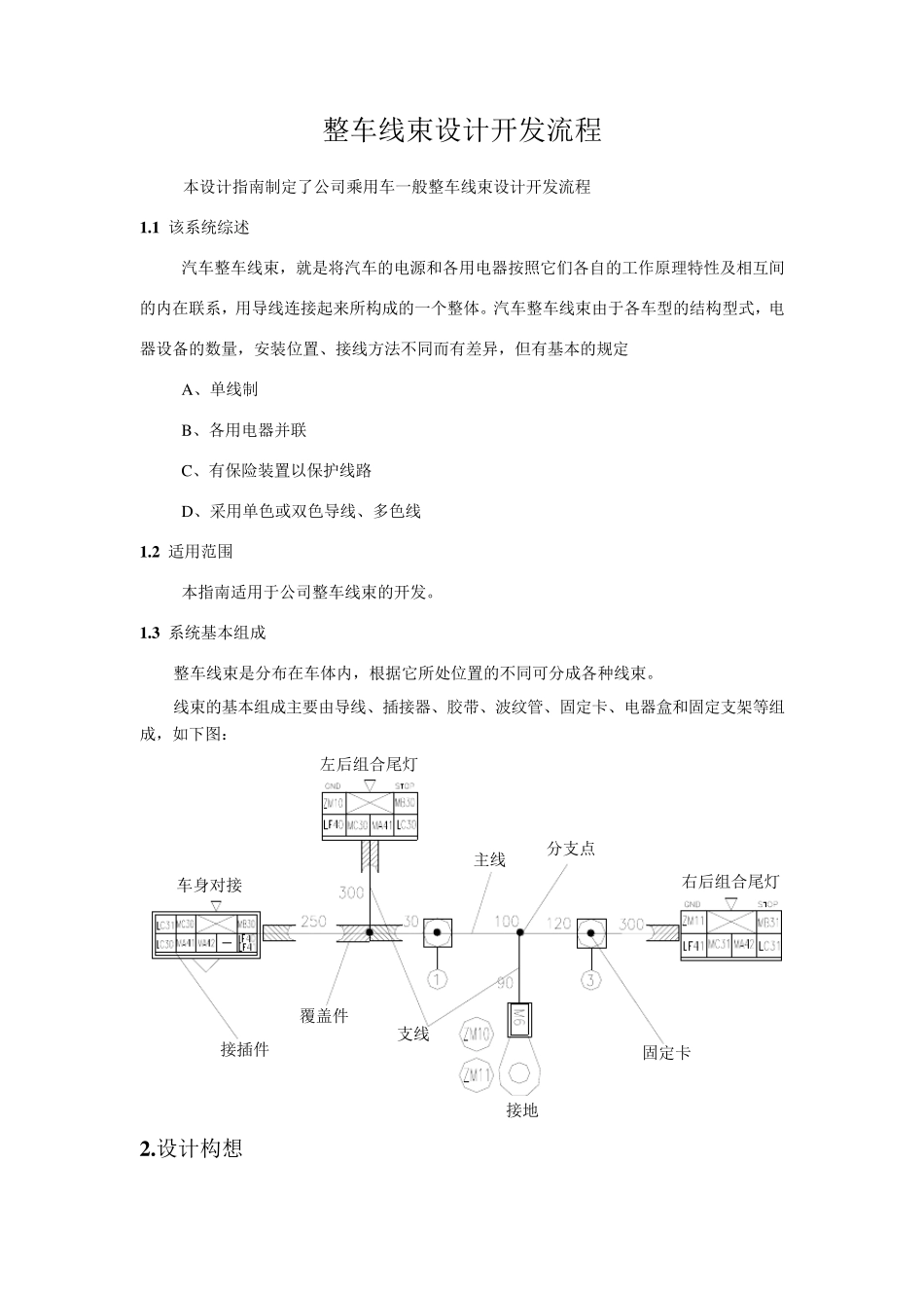
整车线束设计开发流程 本设计指南制定了公司乘用车一般整车线束设计开发流程 1 .1 该系统综述 汽车整车线束,就是将汽车的电源和各用电器按照它们各自的工作原理特性及相互间的内在联系,用导线连接起来所构成的一个整体。汽车整车线束由于各车型的结构型式,电器设备的数量,安装位置、接线方法不同而有差异,但有基本的规定 A、单线制 B、各用电器并联 C、有保险装置以保护线路 D、采用单色或双色导线、多色线 1 .2 适用范围 本指南适用于公司整车线束的开发。 1 .3 系统基本组成 整车线束是分布在车体内,根据它所处位置的不同可分成各种线束。 线束的基本组成主要由导线、插接器、胶带、波纹管、固定卡、电器盒和固定支架等组成,如下图: 支线固定卡主线接插件覆盖件分支点右后组合尾灯左后组合尾灯车身对接接地 2 .设计构想 2 .1 设 计 原 则 1、 完 整 正 确 地 体 现 整 车 电 器 系 统 的 功 能 2、 根 据 车 型 的 需 要 设 计 成 整 体 或 分 组 分 段 的 电 线 束 3、根 据 汽 车 电 线 束 所 处 的 工 作 环 境 及 在 汽 车 内 的 空 间 布 置 合 理 选 择 保 护 层 和 固 定 方 式 4、 选 择 线 束 内 部 的 电 线 时 要 针 对 用 电 设 备 的 负 载 合 理 选 择 电 线 截 面 积 和 颜 色 5、 在 设 计 过 程 中 尽 量 减 少 连 接 点 和 过 渡 接 头 以 提 高 线 束 质 量 、 改 善 制 造 工 艺 6、 为 降 低 电 线 电 阻 和 降 低 电 线 成 本 , 设 计 时 应 避 免 重 复 布 线 , 使 线 的 长 度 最 短 7、 对 汽 车 上 一 些 电 器 信 号 应 增 加 防 干 扰 措 施 2 .1 .1 功 能 要 求 1、 满 足 整 车 装 配 要 求 和 布 置 要 求 2、 为 用 电 器 提 供 电 源 和 搭 铁 3、 同汽 车 上 某些 开关及 继电 器 结合 起来实现 对 电 器 设 备 的 功 能 控制 4、 把某些 传感器 和 开关信 号 输送给汽 车 上 的 相应 控制 单元, 并把控制 单元的 控制 信号 传递给相应 的 执行机构 5、 电 器 内 部 的 通讯(如CAN—BUS) 2 .1 .2 顾客要 求 1、 线 束 走向整 洁、 合 理 , 安装 牢固 2、 ...

1、当您付费下载文档后,您只拥有了使用权限,并不意味着购买了版权,文档只能用于自身使用,不得用于其他商业用途(如 [转卖]进行直接盈利或[编辑后售卖]进行间接盈利)。
2、本站所有内容均由合作方或网友上传,本站不对文档的完整性、权威性及其观点立场正确性做任何保证或承诺!文档内容仅供研究参考,付费前请自行鉴别。
3、如文档内容存在违规,或者侵犯商业秘密、侵犯著作权等,请点击“违规举报”。

碎片内容

整车线束设计开发流程

您可能关注的文档

确认删除?
VIP
微信客服
  • 扫码咨询
会员Q群
  • 会员专属群点击这里加入QQ群
客服邮箱
回到顶部