电脑桌面
添加小米粒文库到电脑桌面
安装后可以在桌面快捷访问

液压控制油路电路图VIP免费

液压控制油路电路图_第1页
1/6
液压控制油路电路图_第2页
2/6
液压控制油路电路图_第3页
3/6
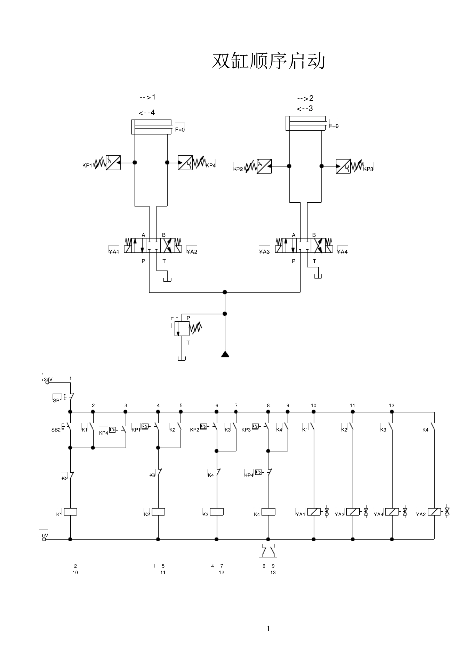
1 双缸顺序启动 F=0F=0ABPTYA1YA2PTABPTYA3YA4KP1KP4KP3KP2-->1-->2<--4<--3 +24V 0VSB1SB2K1KP1YA4YA3K1K2K3K4YA1YA2K3K4KP4K2K2K3K3KP3KP2K4K1K4K2KP4123456789101112210511171249136 2 工作原理 如图所示,按下SB2 继电器K1 得电,常开触头闭合形成自锁,同时电磁阀YA1 得电,油缸1 左腔得油伸出,当伸到尽头时压力达到KP1的设定压力,KP1 的常开闭合,继电器K2 得电并自锁,常闭互锁断开,K1 失电,换向阀1 复位,电磁阀YA3 得电,油缸2 左腔得油伸出,当伸到尽头时压力达到KP2 的设定压力,KP2 的常开闭合,继电器K3 得电并自锁,常闭互锁断开,K2 失电,换向阀2 复位,电磁阀YA4 得电,油缸2 右腔得油收回,当收到尽头时压力达到KP3 的设定压力,KP3 的常开闭合,继电器K4 得电并自锁,常闭互锁断开,K3 失电,换向阀2 复位,电磁阀YA2 得电,油缸1 右腔得油收回, 当收到尽头时压力达到KP4的设定压力,KP4 常闭断开,继电器K4 失电,YA2 失电,换向阀1 复位,KP4 常开闭合,双缸实现顺序动作并重复运动,当按下SB1 时实现急停。 3 单级调压 ABPTYA1YA2F=1300PT+24V 0VSB1YA1YA2K2K2K1K1SB2SB3SB2SB312324 工作原理 按下SB2,继电器K1 得电并自锁,YA2 得电,油缸左腔得油伸出,当推动活塞的压力大于溢流阀所设定的压力时,溢流阀导通卸荷,使活塞伸出速度保持一致,工作稳定,按下SB3,继电器K2 得电并自锁,互锁断开YA2, YA1 得电,油缸右腔得油缩回,当推动活塞的压力大于溢流阀所设定的压力时,溢流阀导通卸荷,使活塞伸出速度保持一致,工作稳定。按下SB1 急停。 4 多级调压 ABPTYA1YA2F=0PTPT45%+24V 0VSB1YA1YA2K2K2K1K1SB2SB3SB2SB312324 工作原理 按下SB2,继电器K1 得电并自锁,YA2 得电,油缸左腔得油伸出,当推动活塞的压力大于溢流阀1 所设定的压力时,溢流阀导通卸荷,使活塞伸出速度保持一致,工作稳定,按下SB3,继电器K2 得电并自锁,互锁断开YA2, YA1 得电,油缸右腔得油缩回,当推动活塞的压力大于溢流阀2 所设定的压力时,溢流阀导通卸荷,使活塞伸出速度保持一致,工作稳定。按下SB1 急停。 5 双缸同步运动-节流阀 F=0F=0ABPTYA1YA290%100%PT+24V 0VSB1SB2SB3K1K2SB3SB2YA1YA2K1K212324 工作原理 按下SB2,继电器K1 得电并自锁,YA1 得电,油缸1 和油缸2 左腔得油伸出,由于油管有损耗,须在接近进油腔的油路上安装节流阀,调节节流阀使得两...

1、当您付费下载文档后,您只拥有了使用权限,并不意味着购买了版权,文档只能用于自身使用,不得用于其他商业用途(如 [转卖]进行直接盈利或[编辑后售卖]进行间接盈利)。
2、本站所有内容均由合作方或网友上传,本站不对文档的完整性、权威性及其观点立场正确性做任何保证或承诺!文档内容仅供研究参考,付费前请自行鉴别。
3、如文档内容存在违规,或者侵犯商业秘密、侵犯著作权等,请点击“违规举报”。

碎片内容

液压控制油路电路图

确认删除?
VIP
微信客服
  • 扫码咨询
会员Q群
  • 会员专属群点击这里加入QQ群
客服邮箱
回到顶部