电脑桌面
添加小米粒文库到电脑桌面
安装后可以在桌面快捷访问

液压维修第5章液压缸的故障排除与维修VIP免费

液压维修第5章液压缸的故障排除与维修_第1页
1/20
液压维修第5章液压缸的故障排除与维修_第2页
2/20
液压维修第5章液压缸的故障排除与维修_第3页
3/20
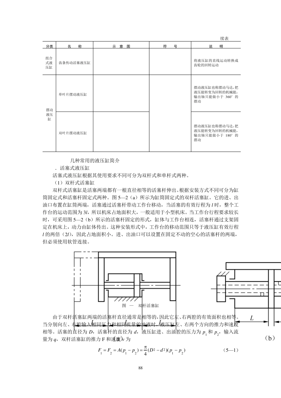
8 6 第5 章 液压缸的故障排除与维修 5.1 液压缸的概述 5.1.1 液压缸的作用和分类 液压缸有多种类型,按其结构形式可分为活塞缸、柱塞缸和摆动缸三类;按作用方式不同又可分为单作用式和双作用式两种。单作用式液压缸中液压力只能使活塞(或柱塞)单方向运动,反方向运动必须靠外力(如弹簧力或自重等)实现;双作用式液压缸可由液压力实现两个方向的运动。由于液压缸结构简单、工作可靠,除可单独使用外,还可以通过多缸组合或与杠杆、连杆、齿轮齿条、轮爪等机构组合起来完成某种特殊功能,因此液压缸的应用十分广泛。 液压缸与其他机构相匹配时,可完成各种运动,如图5 —1 所示。 图5 —1 液压缸与各种机构的配合 液压缸的种类很多,其详细分类如表 5 —1 所示。 87 表5 —1 常见液压缸的种类及特点 分类 名 称 示 意 图 符 号 说 明 单作 用式 液压 缸 活塞式液压缸 活塞仅能单向运动,其反向运动需由外力来完成 柱塞式液压缸 同上,但其行程一般较活塞式液压缸大 伸缩式液压缸 有多个依次运动的活塞,各活塞组运动时,其输出速度和输出力均是变化的 双作 用式 液压 缸 单 活 塞 杆 无缓冲式 活塞双向运动产生推、拉力,活塞在行程终了时不减速 不可调缓冲式 活塞双向运动产生推、拉力,活塞在行程终了时减速制动、减速值不变 可调缓冲式 活塞双向运动产生推、拉力,活塞在行程终了时减速制动、减速值调节 差动式 液压缸有杆腔的回油与液压泵输出油液一起进入无杆腔,提高运动速度 双 活 塞 杆 等速等行程式 活塞两端杆径相同,活塞正、反向运动速度和推力均相同 双向式 两活塞同时向相反方向运动,其输出速度和推力相同 伸缩式套筒液压缸 有多个依次运动的活塞,可双向运动,其输出速度和输出力均是变化的 组合 式液 压缸 串联液压缸 液压缸直径受限制而长度不受限制时,可获得较大的推力 增压液压缸 由低压室 A 缸驱动,使 B 压室获得高压力 多位缸 活塞A 有3 个位置 88 续表 分类 名 称 示 意 图 符 号 说 明 组合 式液 压缸 齿条传动活塞液压缸 将液压缸的直线运动转换成齿轮的回转运动 摆动 液压 缸 单叶片摆动液压缸 摆动液压缸也称摆动马达,把液压能转变为回转的机械能,输出轴只能做小于360°的摆动 双叶片摆动液压缸 摆动液压缸也称摆动马达,把液压能转变为回转的机械能,输出轴只能做小于180°的摆动 5.1.2 几种...

1、当您付费下载文档后,您只拥有了使用权限,并不意味着购买了版权,文档只能用于自身使用,不得用于其他商业用途(如 [转卖]进行直接盈利或[编辑后售卖]进行间接盈利)。
2、本站所有内容均由合作方或网友上传,本站不对文档的完整性、权威性及其观点立场正确性做任何保证或承诺!文档内容仅供研究参考,付费前请自行鉴别。
3、如文档内容存在违规,或者侵犯商业秘密、侵犯著作权等,请点击“违规举报”。

碎片内容

液压维修第5章液压缸的故障排除与维修

您可能关注的文档

小辰6+ 关注
实名认证
内容提供者

出售各种资料和文档

确认删除?
VIP
微信客服
  • 扫码咨询
会员Q群
  • 会员专属群点击这里加入QQ群
客服邮箱
回到顶部