电脑桌面
添加小米粒文库到电脑桌面
安装后可以在桌面快捷访问

山东多层框架教学楼吊顶施工方案轻钢龙骨,铝扣板VIP免费

山东多层框架教学楼吊顶施工方案轻钢龙骨,铝扣板_第1页
1/4
山东多层框架教学楼吊顶施工方案轻钢龙骨,铝扣板_第2页
2/4
山东多层框架教学楼吊顶施工方案轻钢龙骨,铝扣板_第3页
3/4
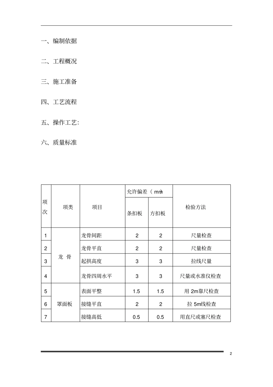
济南** 学院教学楼工程吊顶施工方案施工单位:山东** 置业集团股份有限公司济南分公司工程名称:济南 ** 学院教学楼编 制 人:编制日期: 2013年 3 月 22 日1 目录一、编制依据 ....................................................................................... 3二、工程概况 ....................................................................................... 3三、施工准备 ....................................................................................... 3四、工艺流程 ....................................................................................... 4五、操作工艺: .................................................................................. 5六、质量标准 ....................................................................................... 6七、施工中应注意的问题 .................................................................. 7八、成品保护 ....................................................................................... 8九、安全措施 ....................................................................................... 82 一、编制依据二、工程概况三、施工准备四、工艺流程五、操作工艺:六、质量标准项次项类项目允许偏差( mm)检验方法条扣板方扣板1 龙 骨龙骨间距2 2 尺量检查2 龙骨平直2 2 尺量检查3 起拱高度3 3 拉线尺量4 龙骨四周水平3 3 尺量或水准仪检查5 罩面板表面平整1.5 1.5 用 2m靠尺检查6 接缝平直2 2 拉 5m线检查7 接缝高低0.5 0.5 用直尺或塞尺检查3 七、施工中应注意的问题八、成品保护九、安全措施

1、当您付费下载文档后,您只拥有了使用权限,并不意味着购买了版权,文档只能用于自身使用,不得用于其他商业用途(如 [转卖]进行直接盈利或[编辑后售卖]进行间接盈利)。
2、本站所有内容均由合作方或网友上传,本站不对文档的完整性、权威性及其观点立场正确性做任何保证或承诺!文档内容仅供研究参考,付费前请自行鉴别。
3、如文档内容存在违规,或者侵犯商业秘密、侵犯著作权等,请点击“违规举报”。

碎片内容

山东多层框架教学楼吊顶施工方案轻钢龙骨,铝扣板

您可能关注的文档

确认删除?
VIP
微信客服
  • 扫码咨询
会员Q群
  • 会员专属群点击这里加入QQ群
客服邮箱
回到顶部