电脑桌面
添加小米粒文库到电脑桌面
安装后可以在桌面快捷访问

山特MT拆机报告VIP免费

山特MT拆机报告_第1页
1/11
山特MT拆机报告_第2页
2/11
山特MT拆机报告_第3页
3/11
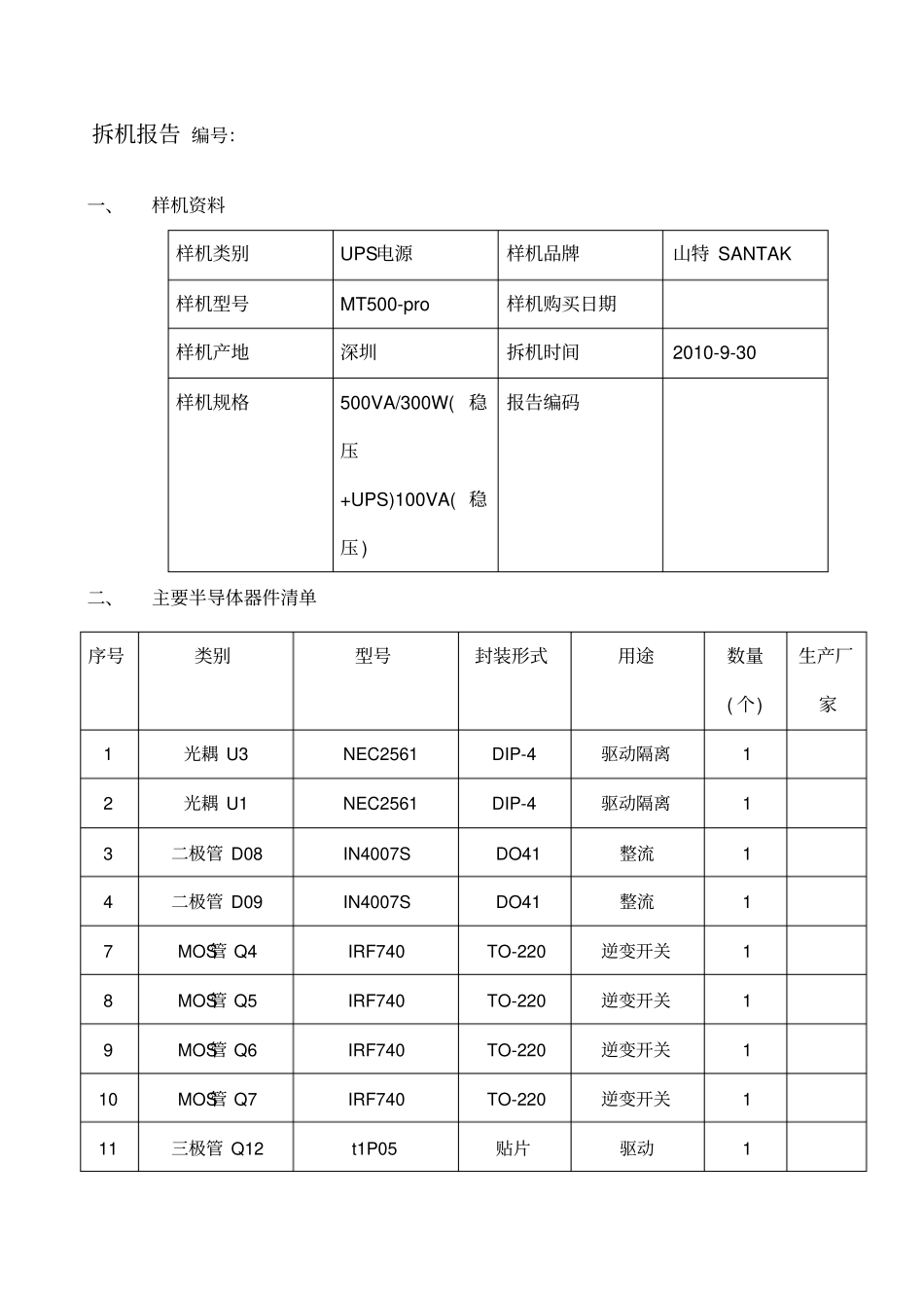
拆机报告 编号:一、样机资料样机类别UPS电源样机品牌山特 SANTAK 样机型号MT500-pro 样机购买日期样机产地深圳拆机时间2010-9-30 样机规格500VA/300W( 稳压+UPS)100VA( 稳压 ) 报告编码二、主要半导体器件清单序号类别型号封装形式用途数量( 个) 生产厂家1 光耦 U3 NEC2561 DIP-4 驱动隔离1 2 光耦 U1 NEC2561 DIP-4 驱动隔离1 3 二极管 D08 IN4007S DO41 整流1 4 二极管 D09 IN4007S DO41 整流1 7 MOS管 Q4 IRF740 TO-220 逆变开关1 8 MOS管 Q5 IRF740 TO-220 逆变开关1 9 MOS管 Q6 IRF740 TO-220 逆变开关1 10 MOS管 Q7 IRF740 TO-220 逆变开关1 11 三极管 Q12 t1P05 贴片驱动1 12 三极管 Q13 t1P05贴片驱动1 13 三极管 Q14 t1P05贴片驱动1 14 三极管 Q15 t1P05贴片驱动1 15 三极管 Q22 1PK 贴片开关1 16 三极管 Q23 1PK贴片开关1 17 三极管 Q24 1PK贴片开关1 18 三极管 Q25 1PK贴片开关1 19 三极管 Q26 1PK贴片开关1 20 三极管 Q02 K2608 TO-220 开关1 21 二极管 D10 UF4007 DO41 整流1 22 二极管 D02 UF4007 DO41 整流1 23 二极管 D01 MUR460 DO41整流1 24 二极管 D05 MUR460 DO41整流1 25 二极管 D04 MUR460 DO41整流1 26 二极管 D03 MUR460 DO41整流1 27 二极管 D06 MUR460 DO41整流1 28 MOS管 Q08 HRF3205 TO-220 开关1 29 MOS管 Q09 HRF3205 TO-220 开关1 30 二极管 D14 IN4007 DO41整流1 31 二极管 D15 IN4007DO41整流1 32 二极管 D11 IN4007DO41整流1 33 二极管 D12 IN4007DO41整流1 34 二极管 D201 IN4007 DO41 保护1 35 二极管 D202 IN4007DO41保护1 36 二极管 D203 IN4007DO41保护1 37 二极管 D204 IN4007DO41保护1 38 二极管 D205 IN4007DO41保护1 39 二极管 D206 IN4007DO41保护1 40 二极管 D207 IN4007DO41保护1 41 二极管 D208 IN4007DO41保护1 42 光耦 U06 COSMO1010817K20B DIP-4 隔离保护1 43 光耦 U07 COSMO1010817K20B DIP-4 隔离保护1 44 光耦 U08 COSMO1010817K20B DIP-4 隔离保护1 45 U09 NEC555P DIP-8 延时驱动1 46 快恢复二极管D07 IN4937S DO41 整流1 小板47 双运放 ICU10 LM358 DIP-8 市电检测1 48 U11 UC3843BN DIP-8 电瓶充电控制1 49 U12 SG3525AN ...

1、当您付费下载文档后,您只拥有了使用权限,并不意味着购买了版权,文档只能用于自身使用,不得用于其他商业用途(如 [转卖]进行直接盈利或[编辑后售卖]进行间接盈利)。
2、本站所有内容均由合作方或网友上传,本站不对文档的完整性、权威性及其观点立场正确性做任何保证或承诺!文档内容仅供研究参考,付费前请自行鉴别。
3、如文档内容存在违规,或者侵犯商业秘密、侵犯著作权等,请点击“违规举报”。

碎片内容

山特MT拆机报告

您可能关注的文档

确认删除?
VIP
微信客服
  • 扫码咨询
会员Q群
  • 会员专属群点击这里加入QQ群
客服邮箱
回到顶部