电脑桌面
添加小米粒文库到电脑桌面
安装后可以在桌面快捷访问

RTK测量地方坐标转换参数计算VIP免费

RTK测量地方坐标转换参数计算_第1页
1/11
RTK测量地方坐标转换参数计算_第2页
2/11
RTK测量地方坐标转换参数计算_第3页
3/11
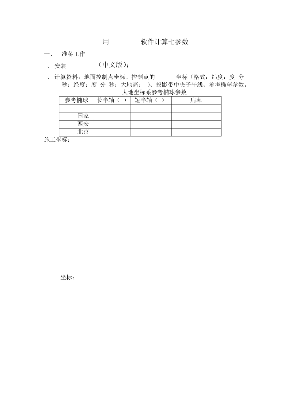
用Pinnacle软件计算七参数 一、 准备工作 1、 安装 Pinnacle(中文版); 2、 计算资料:地面控制点坐标、控制点的 WGS84坐标(格式:纬度:度.分.秒;经度:度.分.秒;大地高:m)、投影带中央子午线、参考椭球参数。 大地坐标系参考椭球参数 参考椭球 长半轴(m) 短半轴(m) 扁率 WGS-84 6378137 6356752.3142 1/298.257223563 2000国家 6378137 6356752.3141 1/298.257222101 1980西安 6378140 6356755.2882 1/298.257 1954北京 6378245 6356863.0188 1/298.3 施工坐标: GZG01,2926881.7030,528098.4590,1220.2825 GZG02,2926605.8250,527297.1190,1230.6305 GZG03,2928717.5390,524969.5320,1238.6473 GZG04,2929143.3280,524813.2080,1241.6120 GZG05,2932349.2330,524667.4370,1261.6240 GZG06,2932795.8280,524377.5080,1277.6013 GZG07,2936501.0700,523889.8860,1258.9860 GZG08,2937064.1040,523626.7760,1257.2130 GZG11,2940649.6750,515220.6250,1254.4847 GZG12,2940871.9810,514700.0510,1252.9020 GZG13,2945223.8260,512149.3270,1318.8310 GZG14,2945723.3570,511978.3605,1319.0530 GZG15-1,2955096.6570,503940.5160,1251.3180 GZG16-1,2954613.6390,503970.7910,1245.9370 GZG17,2957600.5530,512140.5740,0.0000 GZG18,2958093.3220,512145.9340,0.0000 GZG25,2955528.0940,497193.6950,1277.4270 WGS84坐标: GZG01,26.26.47.5872612,106.31.54.0306588,1191.172 GZG02,26.26.38.6812572,106.31.25.0905828,1201.499 GZG03,26.27.47.4366312,106.30.01.2422124,1209.466 GZG04,26.28.01.2786996,106.29.55.6296648,1212.420 GZG05,26.29.45.4349076,106.29.50.5908960,1232.385 GZG06,26.29.59.9609868,106.29.40.1540928,1248.339 GZG07,26.32.00.3588468,106.29.22.7983704,1229.658 GZG08,26.32.18.6653328,106.29.13.3336068,1227.873 GZG11,26.34.15.5606520,106.24.09.8817516,1224.996 GZG12,26.34.22.8022716,106.23.51.0839988,1223.384 GZG13,26.36.44.2623240,106.22.19.0811892,1289.169 GZG14,26.37.00.4955880,106.22.12.9207216,1289.395 GZG15-1,26.42.05.1545844,106.17.22.5217104,1221.346 GZG16-1,26.41.49.4632968,106.17.23.6112432,1215.967 GZG17,26.43.26.3253432,106.22.19.1922636,1185.226 GZG18,26.43.42.3328224,106.22...

1、当您付费下载文档后,您只拥有了使用权限,并不意味着购买了版权,文档只能用于自身使用,不得用于其他商业用途(如 [转卖]进行直接盈利或[编辑后售卖]进行间接盈利)。
2、本站所有内容均由合作方或网友上传,本站不对文档的完整性、权威性及其观点立场正确性做任何保证或承诺!文档内容仅供研究参考,付费前请自行鉴别。
3、如文档内容存在违规,或者侵犯商业秘密、侵犯著作权等,请点击“违规举报”。

碎片内容

RTK测量地方坐标转换参数计算

您可能关注的文档

小辰9+ 关注
实名认证
内容提供者

出售各种资料和文档

确认删除?
VIP
微信客服
  • 扫码咨询
会员Q群
  • 会员专属群点击这里加入QQ群
客服邮箱
回到顶部