电脑桌面
添加小米粒文库到电脑桌面
安装后可以在桌面快捷访问

平台钢结构计算书VIP免费

平台钢结构计算书_第1页
1/16
平台钢结构计算书_第2页
2/16
平台钢结构计算书_第3页
3/16
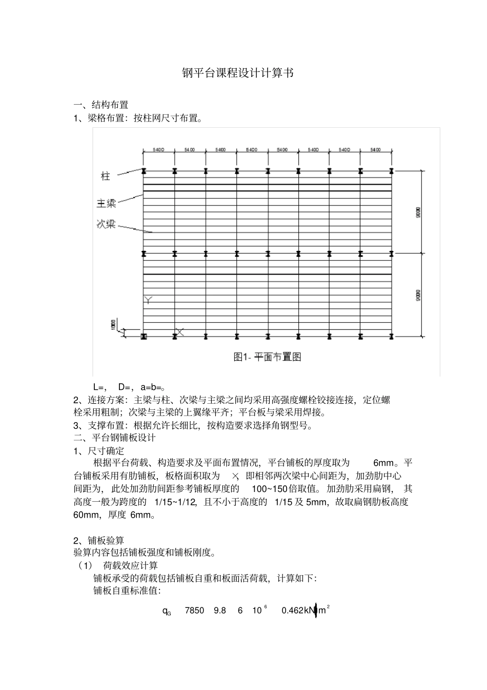
钢平台课程设计计算书一、结构布置1、梁格布置:按柱网尺寸布置。L=, D=,a=b=。2、连接方案:主梁与柱、次梁与主梁之间均采用高强度螺栓铰接连接,定位螺栓采用粗制;次梁与主梁的上翼缘平齐;平台板与梁采用焊接。3、支撑布置:根据允许长细比,按构造要求选择角钢型号。二、平台钢铺板设计1、尺寸确定根据平台荷载、构造要求及平面布置情况,平台铺板的厚度取为6mm。平台铺板采用有肋铺板,板格面积取为×,即相邻两次梁中心间距为,加劲肋中心间距为,此处加劲肋间距参考铺板厚度的100~150倍取值。 加劲肋采用扁钢, 其高度一般为跨度的1/15~1/12,且不小于高度的 1/15 及 5mm,故取扁钢肋板高度60mm,厚度 6mm。2、铺板验算验算内容包括铺板强度和铺板刚度。(1) 荷载效应计算铺板承受的荷载包括铺板自重和板面活荷载,计算如下:铺板自重标准值:6278509.86100.462GqkN m铺板承受标准荷载:280.4628.462kqkN m铺板承受的荷载设计值:21.20.4621.4811.7544qkN m铺板跨度 b=900mm,加劲肋间距a=900mm,b/a=1<2,因此,应按四边简支平板计算铺板最大弯矩。查表 2-1 得:22max0.0497 11.7544 0.90.4732MqakN m(2) 铺板强度验算铺板截面的最大应力为:22max22-6660.473278.86215610MN mmfN mmt满足要求。(3) 铺板刚度验算查表 2-1 得:434max311398.462100.99000.04335.4[]61502.0610610kq ammmmEt(4) 铺板加劲肋验算板肋自重标准值:2978509.8660100.028pkN m加劲肋可按两端支撑在平台板次梁上的简支梁计算,其承受的线荷载为:恒荷载标准值:10.4620.90.0280.4438pkNm活荷载标准值:20.987.2pkN m加劲肋的跨中最大弯矩设计值为: 221(1.20.44381.47.2)0.91.0888qMlkN m加劲肋计算截面可按加劲肋和每侧铺板15t(t 为铺板厚度) 的宽度参与共同作用,计算截面如图3 所示。计算截面面积:26218066061440144010Ammm计算截面形心轴到铺板面的距离:180636063611.251440ymm计算截面对形心轴x 的截面惯性矩:33227418066601806(11.253)606(3611.25)4.0527101212XImm加劲肋截面最大应力为:322max71.0810(0.0660.01125)1462154.052710MN mmfN mmW满足要求。加劲肋跨中最大挠度为:434max11755(0.44387.2)100.99000.78[]63841503842.06104.052710kXq lmmmmEI满足刚度要求。三、次梁设计1、次梁计算简图:次梁按简支梁计算。图 2 次梁受力简图2、计算次梁荷载。恒荷载标准值:次梁承受恒荷载包括自重和加劲肋...

1、当您付费下载文档后,您只拥有了使用权限,并不意味着购买了版权,文档只能用于自身使用,不得用于其他商业用途(如 [转卖]进行直接盈利或[编辑后售卖]进行间接盈利)。
2、本站所有内容均由合作方或网友上传,本站不对文档的完整性、权威性及其观点立场正确性做任何保证或承诺!文档内容仅供研究参考,付费前请自行鉴别。
3、如文档内容存在违规,或者侵犯商业秘密、侵犯著作权等,请点击“违规举报”。

碎片内容

平台钢结构计算书

您可能关注的文档

确认删除?
VIP
微信客服
  • 扫码咨询
会员Q群
  • 会员专属群点击这里加入QQ群
客服邮箱
回到顶部