电脑桌面
添加小米粒文库到电脑桌面
安装后可以在桌面快捷访问

2025年结构开模流程VIP免费

2025年结构开模流程_第1页
1/8
2025年结构开模流程_第2页
2/8
2025年结构开模流程_第3页
3/8
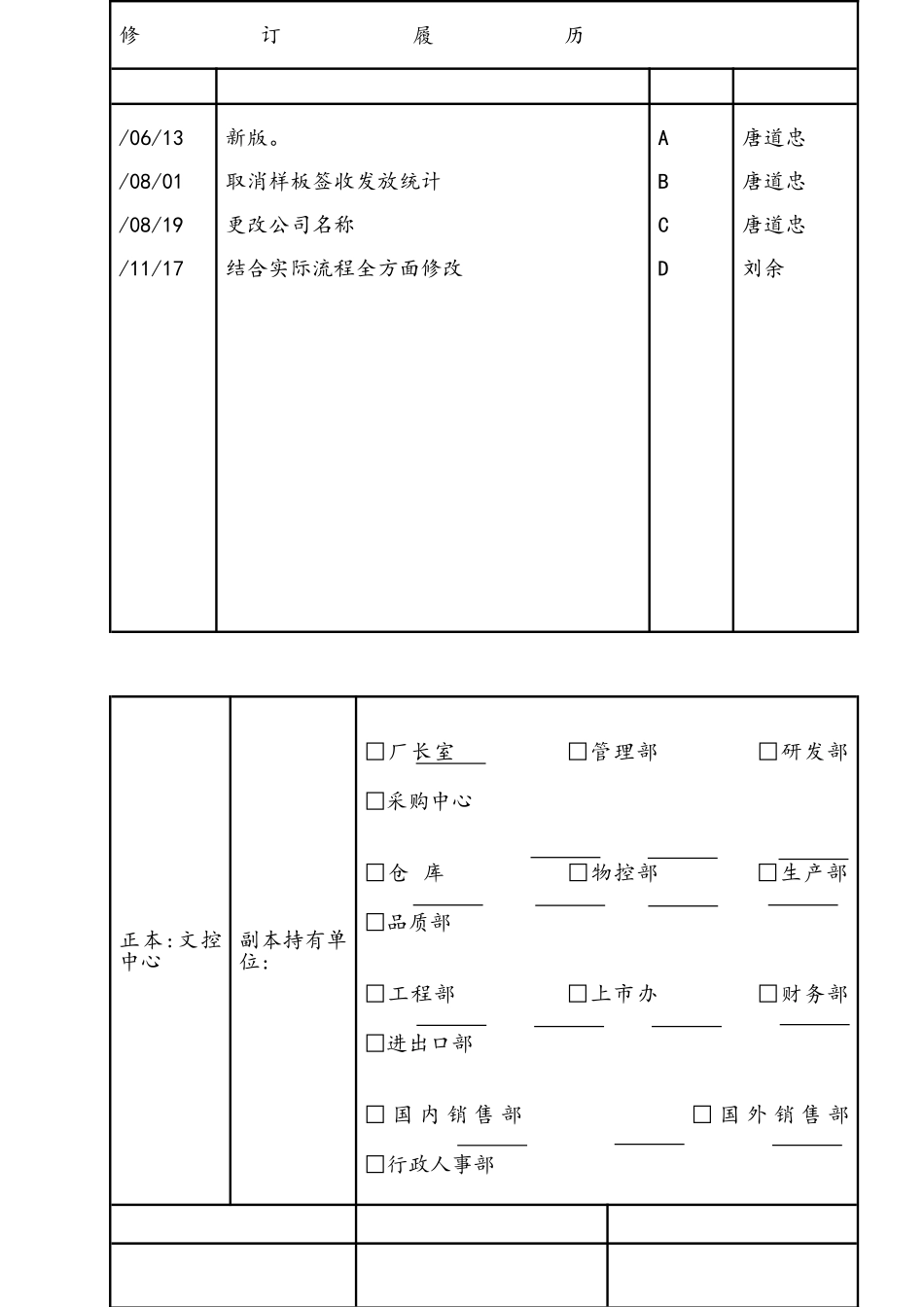
修 订 履 历/06/13/08/01/08/19/11/17新版。取消样板签收发放统计更改公司名称结合实际流程全方面修改ABCD唐道忠唐道忠唐道忠刘余正本:文控中心副本持有单位:□厂长室 □管理部 □研发部 □采购中心□仓 库 □物控部 □生产部 □品质部□工程部 □上市办 □财务部 □进出口部 □ 国 内 销 售 部 □ 国 外 销 售 部 □行政人事部 1、目的规范,明确及简化构造设计流程以确保设计品质,使设计出的构造零件满足公司产品的质量及生产。2、范畴我司自主开发或客户来图,来样的构造设计均合用之。3、定义ID:工业设计 DCN:设计变更告知4、职责4.1 研发部构造组4.1.1 指导构造开发活动之全过程,涉及构造设计谋划,构造设计输入,构造设计输出,构造设计评审,构造设计验证,构造设计确认及构造设计更改等活动;4.1.2 配合项目工程师完毕需要构造方面完毕的工作;4.1.3 新产品原材料的评核;4.1.4 配合工程部完毕试产准备,协助解决试产中的产品构造方面的技术问题;4.1.5 参加试产工作确实认及总结;4.2 采购部4.2.1 配合研发部安排供应商打手板或开模。 4.2.2 跟崔新产品开模进度,确保供应商准时完毕模制做并送样确认。 4.2.3 跟崔模具设计修改,协调交货和改模进度。4.3 工程部4.3.1 主导工艺评审及安排新产品试产,主持试产总结会并跟踪试产问题点。 4.3.2 参于新产品确认。4.4 品质部 4.4.1 主导新产品的多个实验验证并参于新产品确认。5、作业阐明/流程图(附后)5.1 新品立项及讨论部门经理根据业务部调查的市场需求和 ID 工程师给出的造型图,填写《构造立项申请表》形成立项讨论《会议纪要》,并制订《构造新产品设计进度表》。5.2 设计开发实施:5.1.1根据 ID 工程师给出的 ID 图进行构造设计,输出开模的构造图纸和资料;构造图纸涉及 3D、2D 图纸、模具分模清单、开模规定。5.1.2 针对设计出的构造方案,组织有关构造、硬件、造型、美工等人员进行构造设计检讨,检查构造设计的合理性、装配的合理性、板卡方案EMC、散热、原则化等。并做好《会议统计》。如果不通过评审,则需要修改设计方案,如果评审合格,则把开模的有关资料转给采购部安排供应商手板制做或开模。5.1.3采购部按构造工程师给出的开模图纸和资料,确认开模厂家和开模进度,并安排供应商技术部门进行开模前的评定并给出评定报告和开模进度表。5.1.4根据模具厂给出的评定报告对设计进行修改调节,修改完毕后更新图...

1、当您付费下载文档后,您只拥有了使用权限,并不意味着购买了版权,文档只能用于自身使用,不得用于其他商业用途(如 [转卖]进行直接盈利或[编辑后售卖]进行间接盈利)。
2、本站所有内容均由合作方或网友上传,本站不对文档的完整性、权威性及其观点立场正确性做任何保证或承诺!文档内容仅供研究参考,付费前请自行鉴别。
3、如文档内容存在违规,或者侵犯商业秘密、侵犯著作权等,请点击“违规举报”。

碎片内容

2025年结构开模流程

您可能关注的文档

确认删除?
VIP
微信客服
  • 扫码咨询
会员Q群
  • 会员专属群点击这里加入QQ群
客服邮箱
回到顶部