电脑桌面
添加小米粒文库到电脑桌面
安装后可以在桌面快捷访问

2025年技术服务协议合同评审表VIP专享VIP免费

2025年技术服务协议合同评审表_第1页
1/1
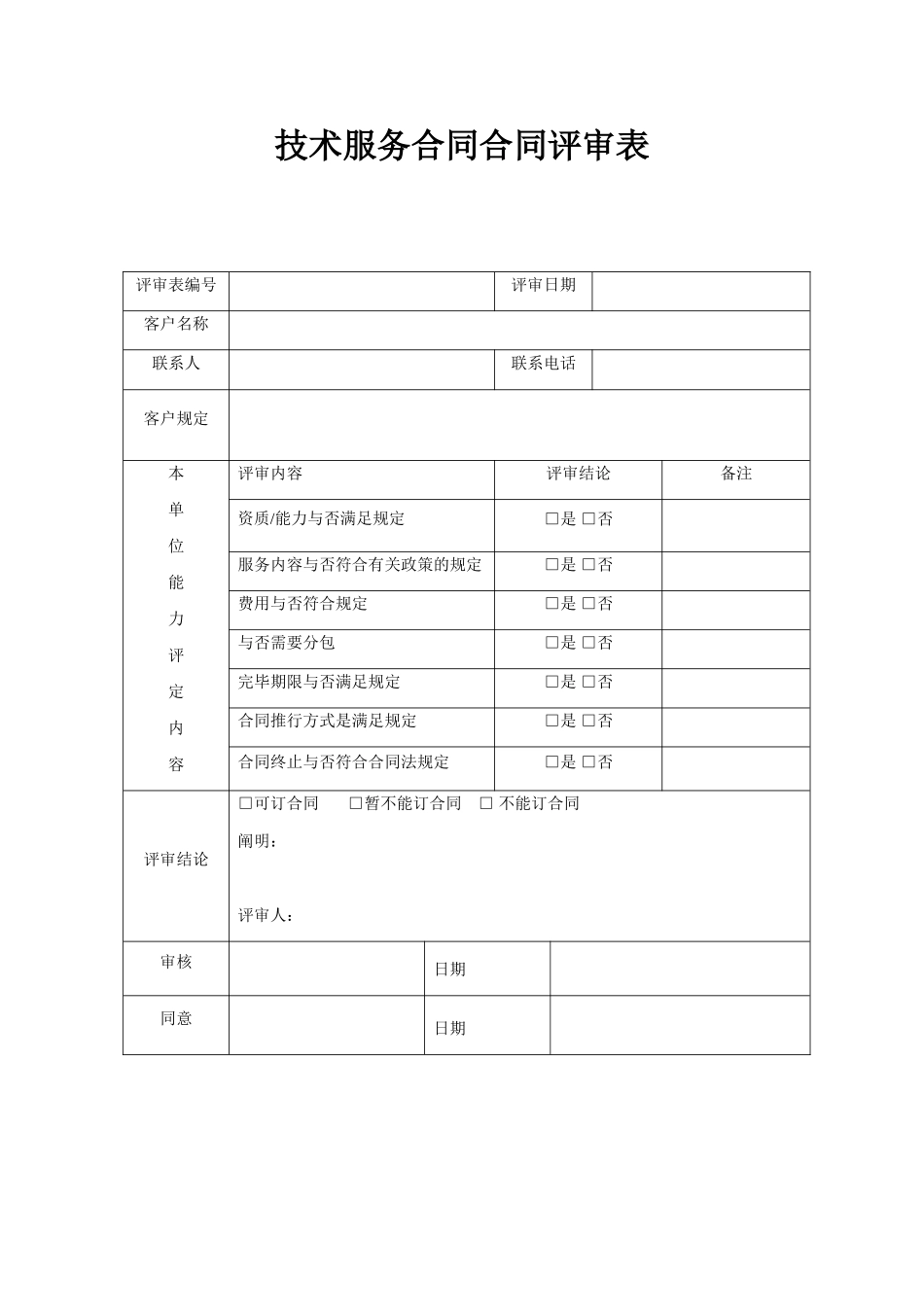
技术服务合同合同评审表评审表编号评审日期客户名称联系人 联系电话客户规定 本单位能力评定内容评审内容评审结论备注资质/能力与否满足规定□是 □否服务内容与否符合有关政策的规定□是 □否费用与否符合规定□是 □否与否需要分包□是 □否完毕期限与否满足规定□是 □否合同推行方式是满足规定□是 □否合同终止与否符合合同法规定□是 □否评审结论□可订合同 □暂不能订合同 □ 不能订合同阐明:评审人:审核日期同意日期

1、当您付费下载文档后,您只拥有了使用权限,并不意味着购买了版权,文档只能用于自身使用,不得用于其他商业用途(如 [转卖]进行直接盈利或[编辑后售卖]进行间接盈利)。
2、本站所有内容均由合作方或网友上传,本站不对文档的完整性、权威性及其观点立场正确性做任何保证或承诺!文档内容仅供研究参考,付费前请自行鉴别。
3、如文档内容存在违规,或者侵犯商业秘密、侵犯著作权等,请点击“违规举报”。

碎片内容

2025年技术服务协议合同评审表

您可能关注的文档

确认删除?
VIP
微信客服
  • 扫码咨询
会员Q群
  • 会员专属群点击这里加入QQ群
客服邮箱
回到顶部