电脑桌面
添加小米粒文库到电脑桌面
安装后可以在桌面快捷访问

SD伺服驱动器说明书VIP免费

SD伺服驱动器说明书_第1页
1/44
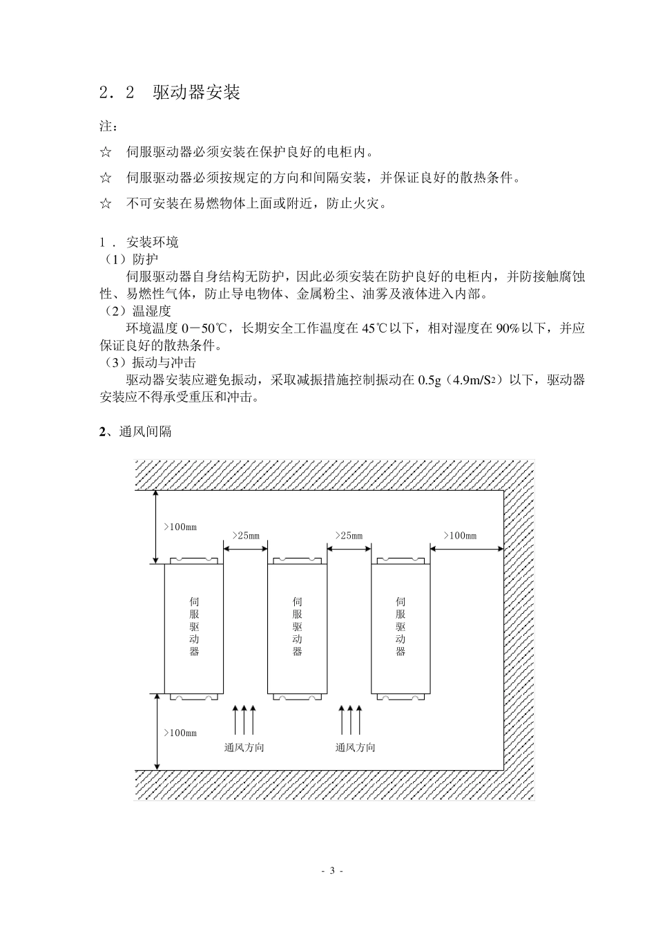
SD伺服驱动器说明书_第2页
2/44
SD伺服驱动器说明书_第3页
3/44
第 一 章 简 介 1. 1 产 品 简 介 交 流 伺 服 技 术 自 八 十 年 代 初 发 展 至 今 , 技 术 日 臻 成 熟 , 性 能 不 断 提 高 , 现 已 广 泛应 用 于 数 控 机 床 、 印 刷 包 装 机 械 、 纺 织 机 械 、 自 动 化 生 产 线 等 自 动 化 领 域 。 SDXXX系 列 交 流 伺 服 是 本 公 司 自 主 研 发 的 新 一 代 交 流 伺 服 驱 动 器 , 主 要 采 用 最新 的 IRMCK201作 为 核 心 运 算 单 元 , 并 采 用 了 复 杂 可 编 程 器 件 EPLD及 三 菱 智 能 功 率模 块 , 具 有 集 成 度 高 , 体 积 小 , 响 应 速 度 快 , 保 护 完 善 , 可 靠 性 高 等 一 系 列 优 点 。 适用 于 高 精 度 的 数 控 机 床 、 自 动 化 生 产 线 、 机 械 制 造 业 等 工 业 控 制 自 动 化 领 域 。 与 以 往 驱 动 系 统 相比, SDXXX交 流 伺 服 系 统 具 有 以 下优 点 : ★ 伺 服 电机 自 带编 码器 , 位置信号反馈至 伺 服 驱 动 器 , 与 开环位置控 制 器 一 起构成半闭环控 制 系 统 。 ★ 调速 比为 1:5000, 从低速 到高 速 都具 有 稳定的 转矩特性 。 ★ 伺 服 电机 最 高 转速 可 达5000rpm, 回转定位精 度 1/10000r( 注 :不 同 型 号电机 最 高转速 不 同 )。 ★ 通 过 修 改 参 数 可 对 伺 服 系 统 的 工 作 方 式 、 运 行 特性 作 出 适 当 的 设 置, 以 适 应 不 同的 要 求 。 ★ 改 进 的 空 间 矢 量 控 制 算 法 , 比普 通 的 SPWM产 生 的 力 矩更 大 , 噪 音 更 小 。 ★ 高 达3 倍 的 过 载 能 力 , 带负 载 能 力 强 。 ★ 完 善 的 保 护 功 能 :过 流 , 过 压 , 欠 压 和 编 码器 故 障 等 保 护 。 ★ 监 视 功 能 允 许 显 示 18个 参 数 状 态 , 包 括 位置误 差 , 电机 转速 、 反馈脉 冲 、 指 令 脉冲 、 电机 电流 、 报 警 记 录 等 。 ★ 高 适 应 性 , 能 够 适 应 高 速 高 精 度 电机 , 可 以 配 套 2~ 8...

1、当您付费下载文档后,您只拥有了使用权限,并不意味着购买了版权,文档只能用于自身使用,不得用于其他商业用途(如 [转卖]进行直接盈利或[编辑后售卖]进行间接盈利)。
2、本站所有内容均由合作方或网友上传,本站不对文档的完整性、权威性及其观点立场正确性做任何保证或承诺!文档内容仅供研究参考,付费前请自行鉴别。
3、如文档内容存在违规,或者侵犯商业秘密、侵犯著作权等,请点击“违规举报”。

碎片内容

SD伺服驱动器说明书

确认删除?
VIP
微信客服
  • 扫码咨询
会员Q群
  • 会员专属群点击这里加入QQ群
客服邮箱
回到顶部