电脑桌面
添加小米粒文库到电脑桌面
安装后可以在桌面快捷访问

凝汽器组合安装方案VIP免费

凝汽器组合安装方案_第1页
1/15
凝汽器组合安装方案_第2页
2/15
凝汽器组合安装方案_第3页
3/15
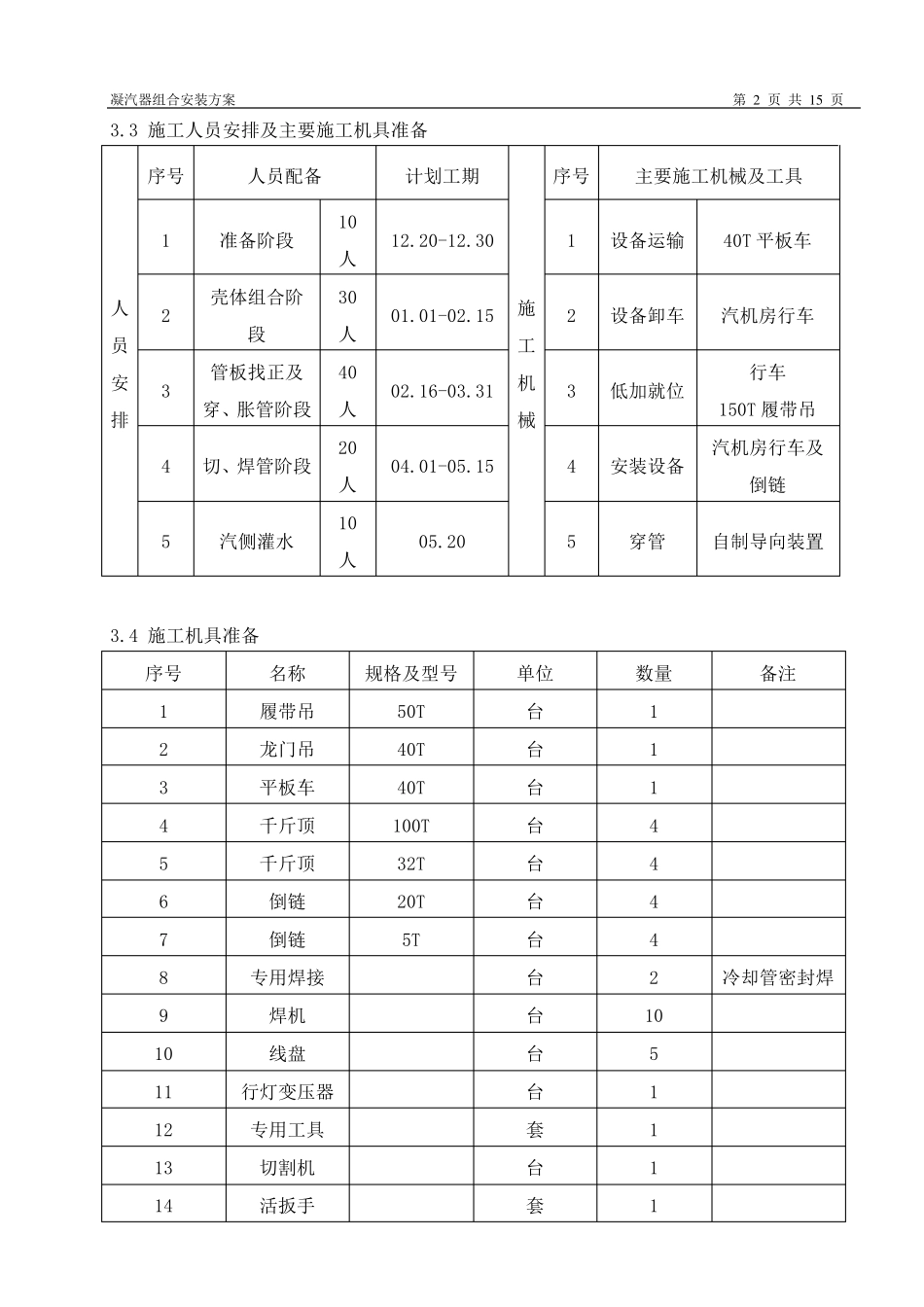
凝汽器组合安装方案 第 1 页 共 1 5 页 1 工程概况 华润浙江苍南发电厂2×1000MW 工程#1 机组选用 N—50000 型双背压、双壳体、单流程、表面式凝汽器,由东方汽轮机厂制造,它由凝汽器A 和凝汽器B 组成,总冷却面积为 50000平方米。 凝汽器按组成结构区分,大致可分为凝汽器壳体、凝汽器喉部、颈部、水室、疏水扩容器和支承联接结构等几部分,其中凝汽器壳体又包括壳体侧板、前后管板、中间管板、冷却水管、隔板支撑杆、连接杆等主要部件;凝汽器喉部包括各级抽、送、回汽管道和#7、#8 低加、支撑管等;凝汽器喉部与汽轮机排汽口采用不锈钢膨胀节弹性连接,凝汽器下部采用刚性和滑动支撑。前水室与管板间采用法兰螺栓的刚性连接,后水室与壳体之间也为法兰螺栓的刚性连接,但壳体与管板之间布置有波形挡汽板,用以吸收壳体与冷却水管纵向的热膨胀,可以很好的改善凝汽器管板间焊缝的受力情况。 由于凝汽器尺寸较大,不能整体运 输 ,因 此 在 厂内 制成部件或 零 件,分散 件运 输 到 现 场 。针 对 这 一 特 点 和现 场 施 工条 件,确 定 整个 凝汽器组装工作 在 基 础 上 进 行 。 其主要参 数 如 下: 型 号 : N-50000-1 冷却面积: 50000㎡ 无 水凝汽器总重 : 1280t 凝汽器正 常 运 行 时 重 : 2300t 凝汽器汽侧满 水时 重 : 3780t 循 环 水入 口温 度 : 19.5℃ 蒸 汽压力: 4.9KPa 冷却管管材 : Ti 2 编 制依 据 2.1《 电力建 设 施 工技 术 规 范 》 第3 部分: 汽轮发电机组DL5190.3-2012 2.2《 电力建 设 施 工质 量 验 收及 评 价 规 程》 第3 部分: 汽轮发电机组 DL/T5210.3-2009 2.3《 电力生 产 安全 工作 规 程》 火 力发电厂 DL5009.1-2002 2.4《 电力建 设 安全 健 康 与环 境 管理 工作 规 定 》 国 家 电网 工[2003]168 号 2.5 厂家 设 备 图 纸 及 现 场 实 际 情况 2.6 公 司 质 量 管理 手 册 、质 量 保 证 手 册 2.7o 2.8 汽机专 业 施 工组织 设 计 3 施 工准 备 3.1 清 查 设 备 的到 货 情况,并 做 好开 箱 纪 要。 3.2 认 真 地 对 设 备 基 础 进 行 验 收并 达 到 规 范 要求 。 凝汽器组合安装方案 第 2 页 共 1 5 页 3.3 施工人员安排及主要施工机具准备...

1、当您付费下载文档后,您只拥有了使用权限,并不意味着购买了版权,文档只能用于自身使用,不得用于其他商业用途(如 [转卖]进行直接盈利或[编辑后售卖]进行间接盈利)。
2、本站所有内容均由合作方或网友上传,本站不对文档的完整性、权威性及其观点立场正确性做任何保证或承诺!文档内容仅供研究参考,付费前请自行鉴别。
3、如文档内容存在违规,或者侵犯商业秘密、侵犯著作权等,请点击“违规举报”。

碎片内容

凝汽器组合安装方案

您可能关注的文档

确认删除?
VIP
微信客服
  • 扫码咨询
会员Q群
  • 会员专属群点击这里加入QQ群
客服邮箱
回到顶部