电脑桌面
添加小米粒文库到电脑桌面
安装后可以在桌面快捷访问

地质灾害野外调查卡片(齐全表格)VIP免费

地质灾害野外调查卡片(齐全表格)_第1页
1/21
地质灾害野外调查卡片(齐全表格)_第2页
2/21
地质灾害野外调查卡片(齐全表格)_第3页
3/21
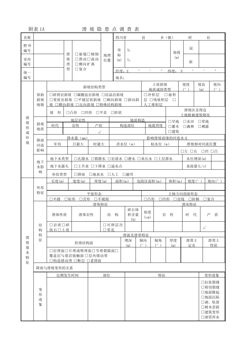
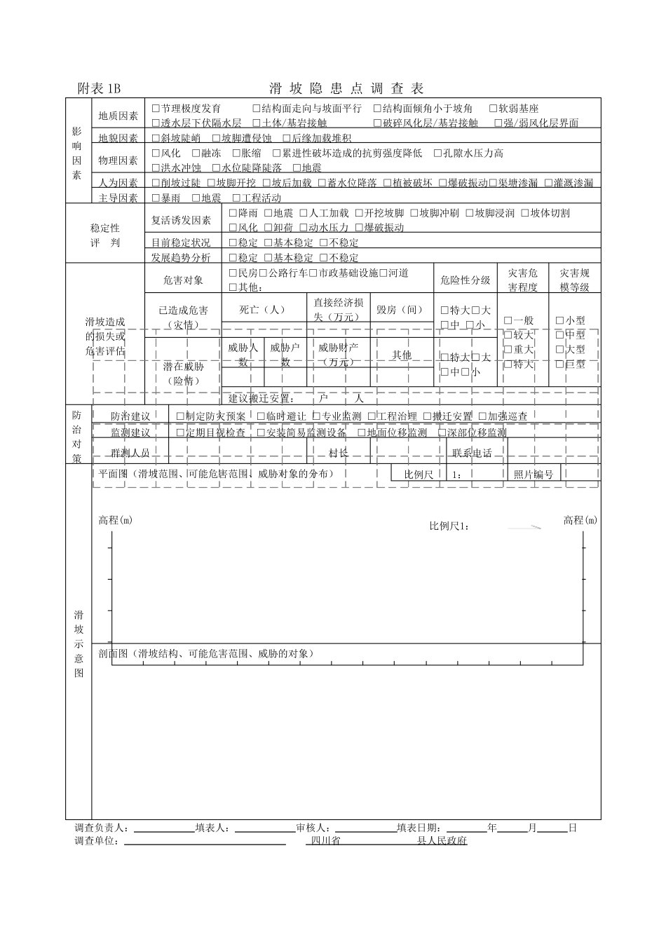
附件 1:县市地质灾害调查表 附表1A 滑 坡 隐 患 点 调 查 表 名称 地理位置 四川省 县 乡(镇) 村 社 野外编号 滑坡类型 □崩塌□倾倒□滑动□流动□侧向扩离 □复合 坐标 (m) X: Y: 海拔 (m) 冠 室内 编号 趾 统一 编号 经度:E ° ′ ″ 纬度: N ° ′ ″ 地名: 滑 坡 形 成 环 境 原始 斜坡地貌 斜坡结构类型 土质斜坡 地质成因类型 坡度 (°) 坡高(m) 坡向 (°) □碎屑岩斜坡 □碳酸盐岩斜坡 □结晶岩斜坡 □变质岩斜坡 □平缓层状斜坡 □顺向斜坡 □斜向斜坡 □横向斜坡 □反向斜坡 □特殊结构斜坡 □冲积层 □崩积层 □残坡积层 □人工堆积层 坡 形 □凸形 □凹形 □平直 □阶状 滑坡区及周边 土地植被建筑情况 斜坡地质 地层岩性 地质构造 □旱地 □水田 □草地 □灌木 □森林 □裸露 □建筑 时代 岩性 产状 构造部位 地震烈度 ∠ 降雨 河流 影响 降水量(mm) 影响滑坡前缘的河流水文 年均 日最大 时最大 洪水位(m) 枯水位(m) 滑坡相对河流位置 □左 □右 □凹 □凸 地下 水影响 地下水类型 □孔隙水 □裂隙水 □岩溶水 □潜水 □承压水 □上 层滞 水 水位埋 深 (m) 地下水露头 □上 升 泉 □下降泉 □溢 水点 泉 流量(L/s) 补 给 类型 □降雨 □地表水 □人工 □融 雪 滑 坡 基 本 特 征 外形 特征 长 度(m) 宽 度(m) 厚 度(m) 面 积(m2) 危 险 区面 积(m2) 体 积(m3) 坡度(°) 坡向(°) 平面 形态 主 轴 方 向剖 面 形态 □半 圆 □矩 形 □舌 形 □不 规 则 □凸形 □凹形 □直线 □阶梯 □复合 结 构 特 征 滑体 特征 滑床 特征 滑体 性质 滑体 岩性 结 构 碎石 体积含 量(%) 块 度(cm) 岩 性 时 代 产 状 □岩质□碎块 石 □土质 □可 辨 层次 □零 乱 ∠ 滑面 及滑带 特征 控 滑结构面 埋 深(m) 倾向(°) 倾角(°) 厚 度(m) 滑带 土 定 名 滑带 土 性状 □层理面 □片 理或 劈 理面 □节 理裂隙面 □覆 盖 层与 基 岩接 触 面 □层内错 动带 □构造错 动带 □断 层 □老 滑面 降雨与 滑坡变形的关 系 变 形 迹 象 近 期 发 生 时间 部位 特征 变形迹 象 □拉 张 裂缝 □剪 切 裂缝 □地面 隆 起 □地面 沉 陷...

1、当您付费下载文档后,您只拥有了使用权限,并不意味着购买了版权,文档只能用于自身使用,不得用于其他商业用途(如 [转卖]进行直接盈利或[编辑后售卖]进行间接盈利)。
2、本站所有内容均由合作方或网友上传,本站不对文档的完整性、权威性及其观点立场正确性做任何保证或承诺!文档内容仅供研究参考,付费前请自行鉴别。
3、如文档内容存在违规,或者侵犯商业秘密、侵犯著作权等,请点击“违规举报”。

碎片内容

地质灾害野外调查卡片(齐全表格)

确认删除?
VIP
微信客服
  • 扫码咨询
会员Q群
  • 会员专属群点击这里加入QQ群
客服邮箱
回到顶部