电脑桌面
添加小米粒文库到电脑桌面
安装后可以在桌面快捷访问

地铁遇桥梁拔桩复建方案VIP免费

地铁遇桥梁拔桩复建方案_第1页
1/7
地铁遇桥梁拔桩复建方案_第2页
2/7
地铁遇桥梁拔桩复建方案_第3页
3/7
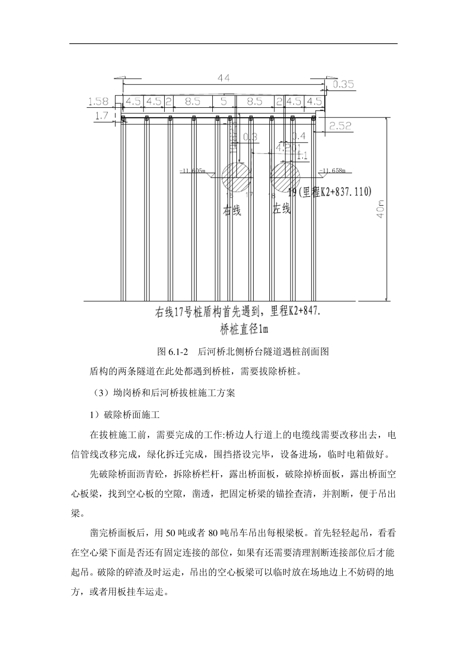
6.1 穿越坳岗桥和后河桥桥桩施工保护方案 根据盾构区间设计图,盾构左线从滨康路站向西始发后,首先要通过坳岗桥,然后穿过滨安路上的后河桥,在西兴站调头后,右线隧道再次后河桥,盾构隧道先后3 次穿越这两座桥时都遇到桥台下面的桥桩,需要把桥桩拆除才可穿过,并且施作盖梁。 (1)坳岗桥情况 坳岗桥位于滨安路南侧后河上,河流方向为东西走向,桥北侧为滨安路南侧人行道。南北向桥长 14m,桥宽 6.4m ,南北各有一个桥台。每个桥台下面都有 3根桩,共计9 根桩。在北侧桥台靠近桥桩南侧有搅拌桩。在隧道里程上为K2+375.6。盾构隧道左线,也就是南线,盾构掘进遇到坳岗桥北侧桥台的3 根桩,桩直径 0.8m,桩长为 19.58m 。桩底标高为-16.31m。坳岗桥左线(南线)距离盾构始发点 89.3m。参见【图6.1-1 坳岗桥北侧桥台隧道遇桩剖面图】。因此需要对坳岗桥北侧桥桩进行拔除,拆桥后需要重新做桥。 现场勘察,在桥台北侧人行道上面有电缆和电信管线。在桥台北侧人行道上面有 1 条电缆和3 个电信井,分别是联通光缆,HCTV25T,6 根;通信共建管线2 根,在桥头上还有 1 根上水管线。在施工时需要交通疏导,占用滨安路南侧非机动车道,需 要拆除一段绿化带 15m 长,拆迁 人行道上的樟 树 4 颗 。 图6.1-1 坳岗桥北侧桥台隧道遇桩剖面图 (2)后河桥情况 在滨安路主路上,位于固陵路与滨安路丁字交叉口东侧,有一座后河桥,后河河流方向南北向,东西向桥单跨长12m ,南北向宽44.7m 。桥上道路为东西方向。东侧和西侧各有一个桥台,桥下有桩,桥台下桩长40m ,桥桩直径 1m 。盾构隧道在后河桥东西走向穿越,正好遇到桥台下的桥桩,共计遇到大约 11 根桩。桩底标高为 -38.8m 。见后河桥处隧道遇桩剖面图。 后河桥位于滨安路主路上,交通车辆很多。在后河桥西南侧,是杭州创一家私有限公司,并有围墙直接与桥边连接,围墙基础在河的砌石坝上。在后河桥东南侧,为西兴街道西兴社区围墙宣传栏,人行道上有电力管线,电信管线和树。在桥的绿化带上有路灯和交通指示牌。桥上有3 条绿化带需要拆除。在南侧人行道上需要迁移 7 颗树。桥上部结构为空心板 12m 非预应力板。台后填土为塘渣。 0.000m6.443m-9.171m 图6.1-2 后河桥北侧桥台隧道遇桩剖面图 盾构的两条隧道在此处都遇到桥桩,需要拔除桥桩。 (3)坳岗桥和后河桥拔桩施工方案 1)破除桥面施工 在拔桩施工前,需要完成的工作:桥边人行道上的电缆...

1、当您付费下载文档后,您只拥有了使用权限,并不意味着购买了版权,文档只能用于自身使用,不得用于其他商业用途(如 [转卖]进行直接盈利或[编辑后售卖]进行间接盈利)。
2、本站所有内容均由合作方或网友上传,本站不对文档的完整性、权威性及其观点立场正确性做任何保证或承诺!文档内容仅供研究参考,付费前请自行鉴别。
3、如文档内容存在违规,或者侵犯商业秘密、侵犯著作权等,请点击“违规举报”。

碎片内容

地铁遇桥梁拔桩复建方案

确认删除?
VIP
微信客服
  • 扫码咨询
会员Q群
  • 会员专属群点击这里加入QQ群
客服邮箱
回到顶部