电脑桌面
添加小米粒文库到电脑桌面
安装后可以在桌面快捷访问

嵌入式PWM实验VIP免费

嵌入式PWM实验_第1页
1/8
嵌入式PWM实验_第2页
2/8
嵌入式PWM实验_第3页
3/8
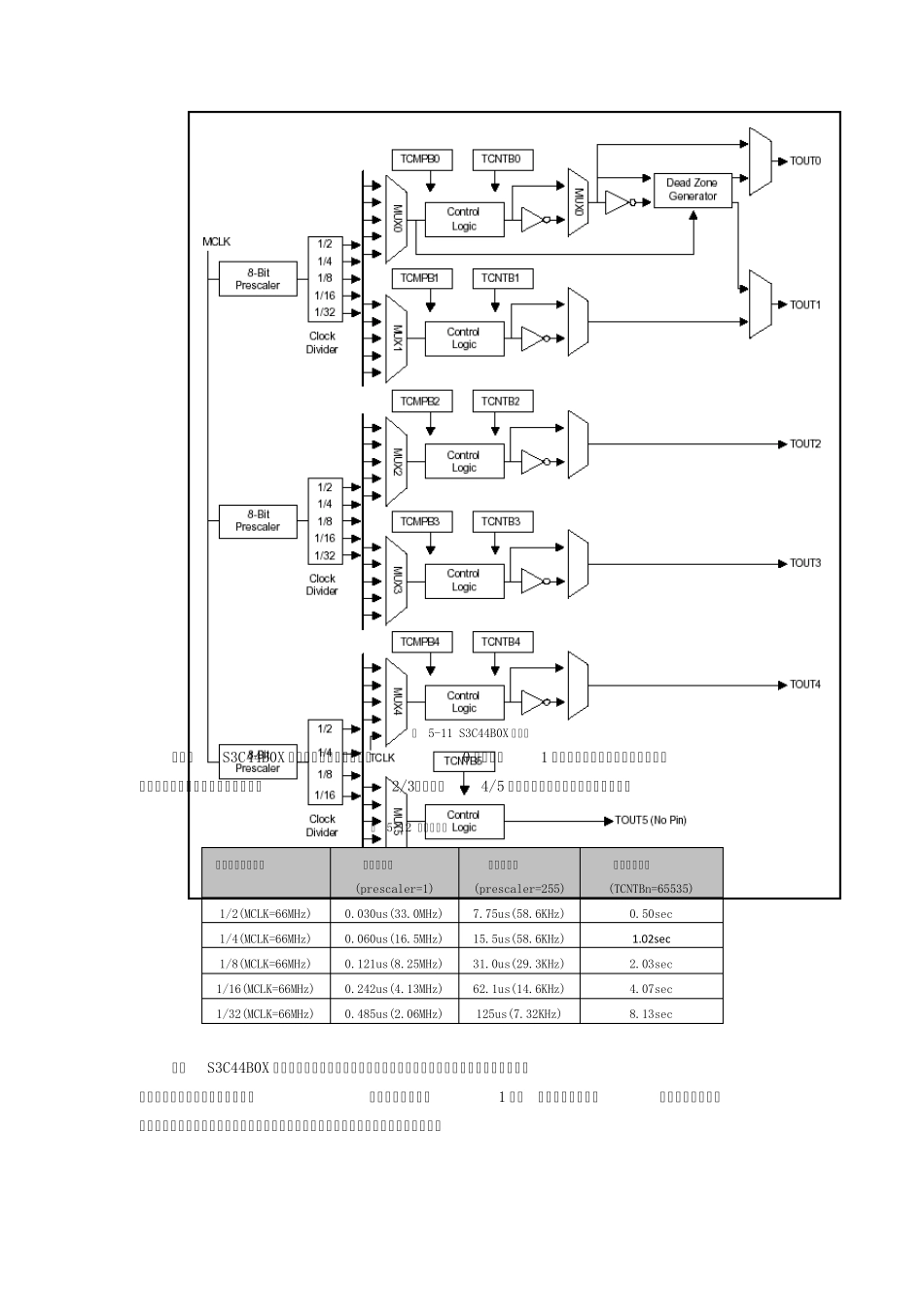
5.5 PW M 实验 5.5.1 实验目的 1. 了解PWM 的基本原理; 2. 掌握PWM 控制的编程方法。 5.5.2 实验内容 1. 编写程序对PWM 控制器输出8000Hz 2/3 占空比的数字信号控制蜂鸣器; 2. 编写程序改变PWM 控制器输出频率; 3. 编写程序改变PWM 控制器输出占空比; 5.5.3 预备知识 1. 了解ADT IDE 集成开发环境的基本功能; 2. 了解PWM 的基本原理以及用途。 5.5.4 实验设备 1. 硬件:JX44B0 教学实验箱、PC 机; 2. 软件:PC 机操作系统 Windows 98(2000、 XP) + ADT IDE 集成开发环境。 5.5.5 基础知识 1. 脉宽调制的基本原理 模拟电压和电流可直接用来进行控制,如对汽车收音机音量进行控制。尽管模拟控制看起来直观而简单,但它并不总是非常经济或可行的。其中一点就是,模拟电路容易随时间漂移,因而难以调节。能够解决这个问题的精密模拟电路可能非常庞大、笨重和昂贵。模拟电路有可能严重发热,其功耗相对于工作元件两端电压与电流的乘积成正比。模拟电路还可能对噪声很敏感,任何扰动或噪声都肯定会改变电流值的大小。 通过以数字方式控制模拟电路,可以大幅度降低系统的成本和功耗。脉宽调制(PWM)就是利用微处理器的数字输出来对模拟电路进行控制的一种非常有效的技术,广泛应用在从测量、通信到功率控制与变换的许多领域中。PWM 的一个优点是从处理器到被控系统信号都是数字式的,无需进行数模转换。让信号保持为数字形式可将噪声影响降到最小。噪声只有在强到足以将逻辑1改变为逻辑0 或将逻辑0 改变为逻辑1 时,才能对数字信号产生影响。 PWM 是一种对模拟信号电平进行数字编码的方法。通过高分辨率计数器的使用,方波的占空比被调制用来对一个具体模拟信号的电平进行编码。PWM 信号仍然是数字的,因为在给定的任何时刻,满幅值的直流供电要么完全有(ON),要么完全无(OFF)。电压或电流源是以一种通(ON)或断 (OFF)的重复脉冲序列被加到模拟负载上去的。通的时候即是直流供电被加到负载上的时候,断的时候即是供电被断开的时候。只要带宽足够,任何模拟值都可以使用PWM 进行编码。 图 5-10 显示了三种不同的PWM 信号。一个占空比为10%的 PWM 输出,即在信号周期中,10%的时间通,其余90%的时间断。另外两个显示的分别是占空比为50%和 70%的 PWM 输出。这三种PWM 输出编码的分别是强度为满度值的10%、 50%和 70%的三种不同模拟信号值。例如,假设供电电源为9V,占...

1、当您付费下载文档后,您只拥有了使用权限,并不意味着购买了版权,文档只能用于自身使用,不得用于其他商业用途(如 [转卖]进行直接盈利或[编辑后售卖]进行间接盈利)。
2、本站所有内容均由合作方或网友上传,本站不对文档的完整性、权威性及其观点立场正确性做任何保证或承诺!文档内容仅供研究参考,付费前请自行鉴别。
3、如文档内容存在违规,或者侵犯商业秘密、侵犯著作权等,请点击“违规举报”。

碎片内容

嵌入式PWM实验

小辰+ 关注
实名认证
内容提供者

出售各种文档和资料

确认删除?
VIP
微信客服
  • 扫码咨询
会员Q群
  • 会员专属群点击这里加入QQ群
客服邮箱
回到顶部