电脑桌面
添加小米粒文库到电脑桌面
安装后可以在桌面快捷访问

2025年液压回路复习题VIP免费

2025年液压回路复习题_第1页
1/5
2025年液压回路复习题_第2页
2/5
2025年液压回路复习题_第3页
3/5
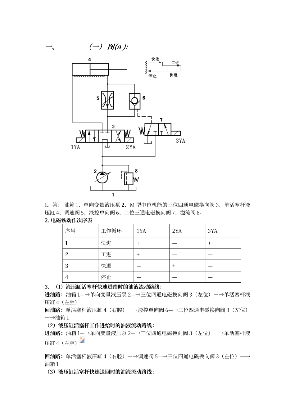
一、 (一) 图(a ): 1.答: 油箱 1、单向变量液压泵 2、M 型中位机能的三位四通电磁换向阀 3、单活塞杆液压缸 4、调速阀 5、液控单向阀 6、二位三通电磁换向阀 7、溢流阀 8。2. 电磁铁动作次序表序号工作循环1YA2YA3YA1快进+—+2工进+——3快退—+—4停止———3.(1)液压缸活塞杆快速进给时的油液流动路线:进油路:油箱 1—→单向变量液压泵 2—→三位四通电磁换向阀 3(左位)—→单活塞杆液压缸 4(左腔)回油路:单活塞杆液压缸 4(右腔)—→液控单向阀 6—→三位四通电磁换向阀 3(左位)—→油箱 1(2)液压缸活塞杆工作进给时的油液流动路线:进油路:油箱 1—→单向变量液压泵 2—→三位四通电磁换向阀 3(左位)—→单活塞杆液压缸 4(左腔)回油路:单活塞杆液压缸 4(右腔)—→调速阀 5—→三位四通电磁换向阀 3(左位)—→油箱 1(3)液压缸活塞杆快速退回时的油液流动路线:进油路:油箱 1—→单向变量液压泵 2—→三位四通电磁换向阀 3(右位)—→液控单向阀6—→单活塞杆液压缸 4(右腔)回油路:单活塞杆液压缸 4(左腔)—→三位四通电磁换向阀 3(右位)—→油箱 14.答:基本回路有调压回路、换向回路、容积节流调速回路、卸荷回路、快慢速转换回路等。5.答:液控单向阀的作用:一是快进和工进转换,反向截止实现工进,反向导通实现快进;二是正向导通实现快退。 (二) 图(b ): 1.答:油箱 1、单向变量液压泵 2、M 型中位机能的三位四通电磁换向阀 3、调速阀4、5、二位三通电磁换向阀 6、7、单向阀 8、单活塞杆液压缸 9、溢流阀 10。2. 电磁铁动作次序表序号工作循环1YA2YA3YA4YA1快进+—++2一工进+——+3二工进+—+—4快退—+——5停止————3.(1)液压缸活塞杆快速进给时的油液流动路线:进油路:油箱 1—→单向变量液压泵 2—→三位四通电磁换向阀 3(左位)—→二位二通电磁换向阀 6—→二位二通电磁换向阀 7—→单活塞杆液压缸 9(左腔)回油路:单活塞杆液压缸 9(右腔)—→三位四通电磁换向阀 3(左位)—→油箱 1(2)液压缸活塞杆第一工作进给时的油液流动路线:进油路:油箱 1—→单向变量液压泵 2—→三位四通电磁换向阀 3(左位)—→调速阀 4—→二位三通电磁换向阀 7(右位)—→单活塞杆液压缸 9(左腔)回油路:单活塞杆液压缸 9(右腔)—→三位四通电磁换向阀 3(左位)—→油箱 1(3)液压缸活塞杆第二工作进给时的...

1、当您付费下载文档后,您只拥有了使用权限,并不意味着购买了版权,文档只能用于自身使用,不得用于其他商业用途(如 [转卖]进行直接盈利或[编辑后售卖]进行间接盈利)。
2、本站所有内容均由合作方或网友上传,本站不对文档的完整性、权威性及其观点立场正确性做任何保证或承诺!文档内容仅供研究参考,付费前请自行鉴别。
3、如文档内容存在违规,或者侵犯商业秘密、侵犯著作权等,请点击“违规举报”。

碎片内容

2025年液压回路复习题

您可能关注的文档

确认删除?
VIP
微信客服
  • 扫码咨询
会员Q群
  • 会员专属群点击这里加入QQ群
客服邮箱
回到顶部