下载后可任意编辑电网的距离保护含笔记 第三章电网的距离保护第一节距离保护的作用原理一﹑基本概念电流保护的优点:简单﹑可靠﹑经济。缺...
下载后可任意编辑日本近距离接触日本近距离接触 【摘要】 我们要充分利用国际教学资源,积极进展以日语语言文化教学为先行军的课程设计,...
下载后可任意编辑我与青春的距离作文 700 字 青春的风铃,叩响了心扉;青春的彩笛,吹动了梦想隔着一段漂亮的距离,我倾听着青春的脚步...
下载后可任意编辑思念的距离作文 闲暇的时候,总在想——思念的距离,那不过是一条公路,一堵墙。可每当想到你,想到你们,才发现思念的距...
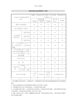
油气管道安全保护距离摘要油气管道安全保护距离摘要2012 年 2 月I 目录一、油气站场与建筑物、企业、交通线等安全距离错 误 ! 未 ...
“三助课堂” 导学案课题用方向和距离确定位置(2)课时总课时教学目标 1. 根据实际的方向和距离,在平面图上表示出相应的位置。2.使学...
下载后可任意编辑守望的距离读书笔记 【篇一:《守望的距离》读书笔记】 《守望的距离》是周国平先生的一本散文集,里面每一篇散文读了都...
下载后可任意编辑基于工人信誉度和距离的任务分配算法基于工人信誉度和距离的任务分配算法 王从文 摘要:时空众包任务分配问题大多涉及到...
1 / 7 “距离”作文写作指导及范文赏析 【立意与构思】 距离可以分为“有形的距离”和“无形的距离”。事实上“有形的距离”因为太直...
不知道大家在刚开始记忆规范、图集的时候有没有觉得特别的费劲,这个尺寸, 那个数值的,为了方便大家记忆管道距墙距离,给大家找了一些资...
仅供参考 [整理 ] 第 1 页 共 4 页安全管理文书氧气瓶与乙炔瓶之间距离的规定日期: __________________单位: ________________...
控制类型:发放号:()号SHS/DM-3-YSQ-4-191106冀中能源股份有限公司东庞矿电机车制动距离试验安全技术措施编制:张凯审核:批准:单...
ZigBee 传输距离 900-MHz 和 2.4-GHz 频段短距离无线设备的设计人员需要了解,公式中的参数对传输距离的影响以及这些参数如何影响传输...
下载后可任意编辑别让距离背负了彼此的期待别让距离背负了彼此的期待 妙黛 新冠肺炎疫情来势汹汹,前方医护人员在这场没有硝烟的战争中奋...
距离保护在110kV输电线路中的应用仿真研究
徐 州 工 程 学 院 毕 业 设 计 (论 文 ) I 摘 要 当 电 力 系 统 运 行 的 时 候 , 时 常 会 发 生 各...
序列间遗传距离的计算 1. 导入比对好的“*.meg”格式数据。 2. 数据划分 (1)序列数据的基因和域(genes & domains)的指定和选择...
在GSM 网络中,1TA 表征的距离大约在550m,那么在LTE 网络中TA 命令对应距离是如何计算? (在LTE 网络中有一个最基本的时间单元:Ts,...
下载后可任意编辑保持距离作文 【篇一:保持适当的距离作文】 随着科技的进展,人与人之间的距离越来越短了,因为有各种通讯工具的维系,...
从中心点到周边任何一点距离都相等的形,叫作圆。大千世界,和圆关联的事物比比皆是:阴阳消长,由无极生太极,而立八卦,乾为天,为圆;风...

