玉溪市红塔大道(抚仙路~火车站)综合管廊工程拉森板桩引孔施工方案玉溪市红塔大道综合管廊项目部2016 年 11 月第一章、工程概况 11.1....
精密分公司二车间建设工程项目支护及降水施工方案一、工程概况1、项目概况:本工程名称为精密分公司二车间建设工程项目,本工程建设单位为...
1 粘 钢 板 及 粘 贴 碳 纤 维 布 施 工 方 案 拆 除 措 施 1、 根 据 施 工 图 现 场 放 线 安 位 。 按...
施工组织设计(方案)报审表 工程名称:XXXXXXXXXXXXXXXXXXX 编号:XXX 致: XXXXXXXXXXXXXXXX (监理单位) 我方已根据施工合同的有...
K20+782 桥1#盖梁加固施工技术方案 一、工程概况: 该盖梁设计原混凝土标号为30Mpa,实际检测值为 27 Mpa,墩柱高度为 10.5~12 米,...
粘贴钢板加固工程施工方案 1 .1 加固部位 (见施工图) (梁底、U型箍、压条粘钢加固) (梁底粘钢、U型箍、压条碳纤维布加固) (立柱...
1 目 录 1 编制依据及说明 .......................................................................................................
污水管道深基坑开挖钢板桩支护施工专家论证方案 第一章 工程概况 一、工程概述 禹城市高新区排水工程东外环泵站工程位于东外环马店村南...
管道沟槽钢板桩支护施工方案
1 污水管道工程施工 打拔拉森钢板桩专项方案 编 制: 审 核: 二O 一七年 月 日 2 污水管道工程施工 打拔拉森钢板桩专项方案...
南昌市幸福水系综合整治工程 技术方案 1 中国水利水电第八工程局有限公司 1 工程概况 1 .1 工程概述 幸福水系主要位于南昌市青山...
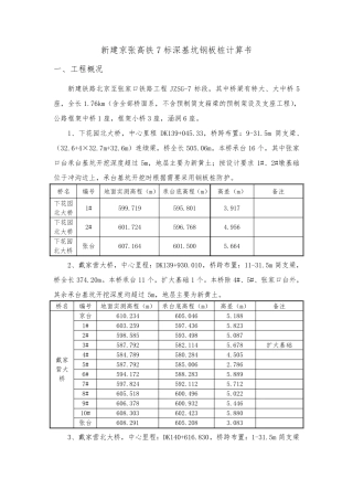
新建京张高铁7 标深基坑钢板桩计算书 一、工程概况 新建铁路北京至张家口铁路工程JZSG-7 标段,其中桥梁有特大、大中桥5座,全长1.76km...
1 1 、工程简介 越南沿海火力发电厂 3 期连接井位于电厂厂区内,距东边的煤灰堆场约100m,连接井最南侧距海边约 30m~40m。现根据施工...
深基坑钢板桩支护及土方开挖 施 工 方 案 年 月 目 录 1 工程概况 1 1.1 工程概况 1 1.2 工程地质条件• 1 1.3 工程特...
(完整版)深基坑钢板桩专项施工方案 -CAL-FENGHAI-(2020YEAR-YICAI)_JINGBIAN 施工组织设计(方案)报审表 工程名称:******第一污水处理厂...
XX 厂建设工程 土方开挖与基坑支护 专 项 施 工 方 案 编制人: 审核人: 审批人: XX公司 二〇一 年二月 XX 厂基坑支护工...
二、施工工艺及方法 本工程白洋街道(K49+600~K50+206)雨水管线、污水管线及深度大于4.5m 深度基槽的开挖,采用Ⅲ型 9m 及Ⅳ型 12m ...
第1 章 工程概况 ..................................................................................................................
下载后可任意编辑30m 钢板组合梁计算书下载后可任意编辑 钢与组合结构桥梁课程设计 二○一五年一月30m 钢板组合梁桥课程设计计算书姓 ...
一、施工方法 1.钢板桩进场 钢板桩选用定型的FSP—Ⅳ型钢板桩,在施工桩基之前施工钢板桩围堰。在相应桩基的全段面设置钢板桩围堰,围堰...

