HVX型户内真空断路器额定电压12-24KV,额定电流630A-4000A,额定短路电流50KA。通过100次额定短路分断试验。模块化设计,体积小,寿命长。...
27.5KV真空断路器安装调节工艺一、施工准备1、劳动组织表1序号122、工机具项目施工负责人安装工单位数量人人12备注含电焊工1名表2序号12345...
第1页共11页编号:时间:2021年x月x日书山有路勤为径,学海无涯苦作舟页码:第1页共11页1、用途及适用范围DZ20系列塑料外壳式断路器(以下...
(2009年版)国家电网公司物资采购标准(断路器卷柱上断路器册)12kV柱上真空断路器专用技术规范(编号:1008003-0010-01)国家电网公司二...
智能断路器工作原理及技术特点摘要:智能断路器具有数字化的接口,可以将位置信息、状态信息、分合闸命令通过网络方式传输。本文介绍了智能...
第1页共7页编号:时间:2021年x月x日书山有路勤为径,学海无涯苦作舟页码:第1页共7页发电机断路器的应用和技术条件张希泰1,弋东方2(1...
第1页共2页编号:时间:2021年x月x日书山有路勤为径,学海无涯苦作舟页码:第1页共2页采用DW10断路器的矿用隔爆型馈电开关矿用隔爆型馈电开...
第1页共10页编号:时间:2021年x月x日书山有路勤为径,学海无涯苦作舟页码:第1页共10页断路器机械特性试验(讲义)武汉市大洋新技术有限公司...
第1页共6页编号:时间:2021年x月x日书山有路勤为径,学海无涯苦作舟页码:第1页共6页电力机车空气断路器辅助连锁技术改造郭涛(1、西安沙...
第1页共13页编号:时间:2021年x月x日书山有路勤为径,学海无涯苦作舟页码:第1页共13页电线/开关/插座/断路器的选择以下总结了电线/开关/...
内部审核检查表编号JL/HD308-06№:受审部门管理者代表审核时间2012-02-12条款审核内容记录判定1.1是否规定了与质量活动有关的各类人员职责...
SF6断路器配的液压操动机构大修作业质量控制卡作业地点;作业负责人;编号;作业程序作业质量要求检查结果1,液压操动机构和拆卸1)拆下最低...
第1页共3页编号:时间:2021年x月x日书山有路勤为径,学海无涯苦作舟页码:第1页共3页CM2CM2系列、系列、CM2ZCM2Z系列塑料外壳式断路器系列...
第1页共2页编号:时间:2021年x月x日书山有路勤为径,学海无涯苦作舟页码:第1页共2页10KV配电线路上装设分段断路器的方法山东省梁山县供电...
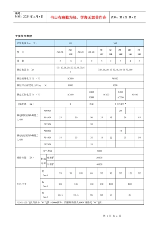
第1页共4页编号:时间:2021年x月x日书山有路勤为径,学海无涯苦作舟页码:第1页共4页CM3系列塑料外壳式断路器主要技术性能指标壳架电流Inm...
第1页共7页编号:时间:2021年x月x日书山有路勤为径,学海无涯苦作舟页码:第1页共7页SF6断路器喷口电弧熄灭过程的数字模拟1引言随着计算机...
SF6断路器喷口电弧熄灭过程的数字模拟1引言随着计算机性能的提高和计算技术的进步,数值仿真在各个领域得到广泛的应用。喷口电弧的数值模型...
第1页共5页编号:时间:2021年x月x日书山有路勤为径,学海无涯苦作舟页码:第1页共5页RMW2系列智能型万能式空气断路器快速选型表RMW2–1600...
施耐德微型断路器选型手册课件•断路器基本概念与分类•施耐德微型断路器产品介绍•选型依据与方法论述•安装、使用与维护保养指导•选型实...
第1页共5页编号:时间:2021年x月x日书山有路勤为径,学海无涯苦作舟页码:第1页共5页RMM1系列塑料外壳式断路器快速选型表RMM1–630P/33205...

