下载后可任意编辑水工碾压在混凝土施工法律规范SL 53-94 主编单位:中国水利水电工程总公司 批准部门:中华人民共和国水利部目 录1 总...
WATER AND POWER DEVELOPMENT AUTHORITY KEYAL KHWAR HYDROPOWER PROJECT CONTRACT KKHPP-02 Keyal Khwar Hydropower Projec...
连霍高速公路洛阳至三门峡(豫陕界)段改扩建工程 TJ-23 标 冲击碾压首件 施工方案 编制: 审核: 施工单位:许昌广莅公路工程建设...
路基冲击碾压施工方案 一、编制依据 (1)招标文件、设计图纸等有关资料 (2)交通部颁发现行公路工程标准、规范、规程 (3)《公路工...
下载后可任意编辑目录1.工艺简介........................................................11.1 工程概况................................
下载后可任意编辑京加路基冲击碾压施工方案一、 施工准备1、机具设备准备每个作业班组安排冲击压路机及牵引装置 1 台,压路机 1 台,...
下载后可任意编辑碾压混凝土施工作业指导书1 概况龙滩水电站是红水河梯级开发中的骨干工程,工程以发电为主,兼有防洪、航运等综合效益。...
土方填筑碾压生产性试验施工方案 一、 工程概况 本工程主要是加固江新联围除险加固达标工程遗留项目西盛堤段,从桩号77+120 至 78+030...
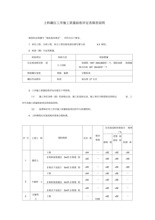
- 0 - 土 料 碾 压 试 验 1 .试 验 目 的 ( 1) 以 达 到 设 计 指 标 为 目 地 , 通 过 现 场 碾 压 ...
Xxxx工程有限公司 - 1 - 目录 1 试验目的 .......................................................................................
内蒙古准兴重载高速公路A27A28 标项目经理部北京市海龙公路工程公司内蒙古准兴重载高速公路 A27A28 标项目经理部冲击碾压施工技术交底施...
1 湿陷性黄土路基冲击碾压施工工法 1.前言 近年来,我国公路建设力度不断加大,而工程建设施工质量直接关系到公路日后的使用质量和安全...
下载后可任意编辑协警被碾压案证据调取申请书协警被碾压案证据调取申请书申请人:王亚林、黄奥,安徽金亚太律师事务所律师,系罗国华故意杀...
土方填筑碾压生产性试验施工方案一、工程概况本工程主要是加固江新联围除险加固达标工程遗留项目西盛堤段,从桩号 77+120 至78+030,共计...
0 目 录 一、工程概况 ........................................................ 1 二、试验目的 .................................
晋城市白马寺人工湖工程 土方填筑生产性碾压试验报告 (补充试验) 山西省水利建筑工程局晋城白马寺人工湖工程项目部 报告日期:二零一...
- 1 - 土方回填碾压试验方案 一、工程概况 郑州市牛口峪引黄工程年引黄河水总量为8505 万m ³,最 大 引水流 量为15m 3/S,工程...
土 坝 碾 压试验大纲 1 概述 根 据 大 广 坝 水 利 水 电 二 期 ( 灌 区 ) 工 程 戈 枕 枢 纽 土 建 工 ...
中 铁 十 九 局 集 团 公 司 大 西 铁 路 客 专 指 挥 部 二 项 目 部 冲 击 碾 压 工 艺 总 结 - 1 - ...
冲击碾压施工作业指导书 1 兰新铁路第二双线(新疆段)路基工程 编号: 冲击碾压施工作业指导书 单 位: 编 制: 审 核: 批 ...

