电脑桌面
添加小米粒文库到电脑桌面
安装后可以在桌面快捷访问

京加路基冲击碾压施工方案VIP免费

京加路基冲击碾压施工方案_第1页
1/11
京加路基冲击碾压施工方案_第2页
2/11
京加路基冲击碾压施工方案_第3页
3/11
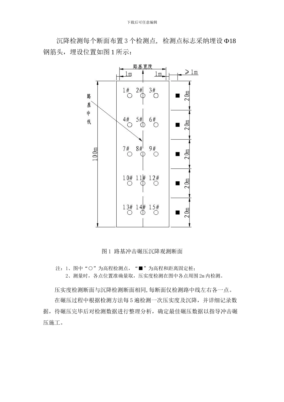
下载后可任意编辑京加路基冲击碾压施工方案一、 施工准备1、机具设备准备每个作业班组安排冲击压路机及牵引装置 1 台,压路机 1 台,夯机 1 台,平地机 1 台,洒水车 1 辆及相应的试验检测设备。冲击式压路机主要性能指标型 号YCT25自 重16000kg牵引功率≥220kW冲击势能25kJ冲击压实力320~500t牵引速度10~15km/h2、人员准备选派具有丰富施工经验的作业队伍和管理人员参加施工。人员情况汇总表序号人员类别人数职责、职务1质检负责人1总质检负责人2分项工程负责人1施工组织3路基工程师1现场技术工作4试验工程师1试验5测量工程师1测量工作6机械工程师1机械设备管理7安全员1专职安全员3、作业准备(1)施工场地地面上所有障碍物标记处理范围及范围内的地下构造物和管线、电缆等均全部拆除。(2)按图纸要求清表后进行填前碾压、整平工作,以保证均匀传递较大的冲击力,使冲击碾压达到应有的冲击效果。(3)排除地表水,路基两侧开挖排水沟以确保场地排水畅通防止积水。(4)测量放线,定出控制轴线、冲击碾压场地边线。(5)画出检测点的平面布置图,图中应标出施工范围桩号、测量检测的断面桩号、观测控制点的布设位置。(6)测点位置断面图,应标出压实度等参数在各个观测断面中下载后可任意编辑的平面与垂直检测位置。提出各种指标的检测时间、标准要求、施工配合要求及注意事项,施工前应根据施工内容编制原始记录表格。(7)对各类施工机械人员进行培训,熟悉操作规程、技术要求、施工方法以及注意事项,对参加试验有关人员进行详细的技术交底和分工,使各类施工员各司其责。4.主要施工标准填挖类别路床顶面以下深度(m)高速公路路基压实度(%)零填及挖方0~0.30≥960.30~0.80≥96填方0~0.80≥960.80~1.50≥94>1.50≥93二、施工方法1 试验段施工(1)试验目的通过冲击碾压提高路基整体稳定性、强度、承载力,加速路基下沉,减少路基工后沉降。通过试验段施工,总结出人员安排、采纳的机械设备的规格及性能,确定冲击碾压的遍数,冲击能等参数,确定质量检测方法及评价标准。1、确认采纳的冲击压路机型号是否合适;2、确定冲击碾压的合适施工工艺;3、确定合适的质量检测方法;4、确定合适的质量控制标准。(2)试验段布设根据路基填土冲击碾压工作段的长度不同,按以下要求布设沉降和压实度检测断面。冲击碾压工作段长度 100m,并设置五个检测断面,20 米一个断面。下载后可任意编辑沉降检测每个断面布置 3 个检测点, 检测...

1、当您付费下载文档后,您只拥有了使用权限,并不意味着购买了版权,文档只能用于自身使用,不得用于其他商业用途(如 [转卖]进行直接盈利或[编辑后售卖]进行间接盈利)。
2、本站所有内容均由合作方或网友上传,本站不对文档的完整性、权威性及其观点立场正确性做任何保证或承诺!文档内容仅供研究参考,付费前请自行鉴别。
3、如文档内容存在违规,或者侵犯商业秘密、侵犯著作权等,请点击“违规举报”。

碎片内容

京加路基冲击碾压施工方案

您可能关注的文档

阳光书坊+ 关注
实名认证
内容提供者

阳光书坊,传播未来

确认删除?
VIP
微信客服
  • 扫码咨询
会员Q群
  • 会员专属群点击这里加入QQ群
客服邮箱
回到顶部