1/7精品文档高层住宅施工进度计划及劳动力安排高层住宅施工进度计划及劳动力安排提要:主体结构施工阶段:该阶段包括钢筋混凝土结构地上 1...
概述合理充足的劳动力组织是工程顺利进行的重要施工劳力资源保障。针对本标段工程数量、工程特点、招标文件的工期要求及我方拟定的施工方案...
MQSsystemofficeroom【MQS16H-TTMS2A-MQSS8Q8-MQSH16898】劳动力配备计划及主要施工机械配备计划精编版一、劳动力配备计划根据施工进度要求...
劳动力资源需求计划表工种名称所需总工日数分'期分批出工工数计划班组组数计划班组人数第 1 个月第 2 个月第 3 个月第 4 个月第 5...
人保局贫困劳动力培训计划 人保局贫困劳动力培训计划 为贯彻上级脱贫攻坚精神,切实抓好精准扶贫、就业扶贫,进一步做好全县有培训需求的...
2024 年河北劳动力合同 3 篇 2024 年河北劳动力合同都在这里了!需要公证的合同或协议只是把合同或协议的效力固定并强化,假如法律没有...
##县农村劳动力转移培训阳光工程工作总结 一、主要措施1、加强领导,健全组织机构。6 月 16 日全省农村劳动力转移培训阳光工程项目管理...
县农村劳动力转移就业调研报告农村劳动力转移就业工作是各级党委、政府工作中的重中之重,农村劳动力向非农产业转移,是解决“三农”问题增...
职业中学农民工劳动力转移培训就业安置情况汇报 XX 职中 2025 年 7 月被四川省扶贫开发办公室命名为“四川省扶贫办劳动力转移培训示...
毕业答辩论文农村劳动力转移讨论一、引言(一)产业集群的含义产业集群是指在特定区域中,具有竞争与合作的关系,且在地理上相对集中,有交...
我国富余劳动力转移的改进推拉模型分析及其政策建议 前言农村富余劳动力的就业问题,是世界各国经济社会进展过程中遇到的共同问题。而我国...
我国富余劳动力转移的改进推拉模型分析及其政策建议 前言 农村 富余劳动力的就业 问题 ,是世界各国 经济 社会 进展 过程中遇到的...
水库移民后扶培训及劳动力转移就业调研报告水库移民培训及劳动力转移就业工作的好坏直接决定移民群众增收致富能力的高低,事关库区经济社会...
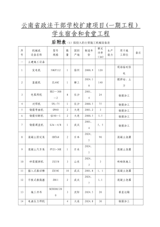
机械设备和劳动力投入计划及保证措施机械设备和劳动力的投入计划及保证措施(一) 机械设备、劳动力的投入计划人员投入计划表: 序号工种...
一、我县农村劳动力转移及农民工返乡现状。我县现有农业人口 76.38 万人,农村劳动力 48.2 万人,转移到非农产业 26.1 万人,输出到...
年农村劳动力转移培训单位工作总结范文某某年农村劳动力转移培训单位工作总结撰写人:___________日期:___________某某年农村劳动力转移培...
山东省产业结构与劳动力结构演变趋势与国外的比较讨论摘要:分析了山东省和国外部分国家产业结构和劳动力结构的演变趋势,把山东省的演变趋...
根据威海市委、市政府领导的意见,由市统计局、劳动和社会保障局、农业局、中小企业局组成联合调查组,于 10 月 9 日开始,对全市农村...
一、主要措施1、加强领导,健全组织机构。6 月 16 日全省农村劳动力转移培训阳光工程项目管理培训会结束后, 6 月 18 日县农业局召...
农村劳动力输出情况调查报告范文农村劳动力输出情况的调查报告 一、灌南县概况 灌南县位于连云港市的南大门,濒临黄海,四市交界,东与盐...

