试油(气)井流程的安装1.试油井流程安装(见图 4-1)图 4-1 自喷井试油流程示意图(1)自喷井的分离器距井口 25~30m,计量池、大罐距井口...
老油井维护维修方案老油井是指已经运营多年的油井,由于长期使用,设备老化和损耗,加之环境和物理地质条件等因素,老油井面临着许多维护和...
油井电泵机组过载与欠载故障的检查程序机组在运转过程当中出现故障停机之后,为了避开故障进一步扩大,在没有查清故障原因之前,禁止二次启...
油井井喷失控火灾的扑救方法钻井时为了平衡地层压力,保证钻井正常进行,要不断地往井内注入泥浆,并随时根据地层压力的变化,调整泥浆比重...
油井的管理和防护方法油田开发过程当中,油(气)水井经过长期的生产,不仅地 下情况在不断地改变着,而且井的本身也在不断地发生变 化。同...
老区如何提高油井吞吐效果延缓产量递减辽河油田锦州采油厂经过 20 多年的开发,多个主力区块目前已经进入蒸汽吞吐开发的中后期。随着低产...
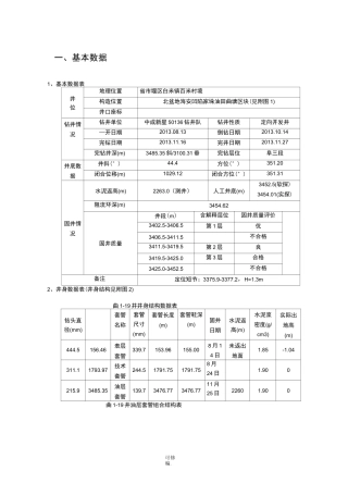
可修编.一、基本数据1、基本数据表井位地理位置省市堰区白米镇百米村境构造位置北盆地海安凹陷家垛油田曲塘区块(见附图 1)井口座标钻井情...
油田开发后期油井清防蜡方法分析摘要:结蜡现象在油田开发过程中时有发生,尤其是后期,这对于油井的采集作业来说,十分不利。因此,分析与...
油井防汽窜技术汽窜常常会对原油的生产产生较为不利的影响,本文针对油井油藏的油井汽窜产生成因、危害进行了分析,提出了适合稠油藏防治汽...
对油田开发中后期提高油井吞吐效果的思考【摘要】锦州采油厂经过多年开发,多个主力区块目前已经进入蒸汽吞吐开发的中后期。随着低产、低效...
油井数据采集与远程控制系统设计方案 技术设计方案介绍公司简介我公司专业从事数字网络视频监控系统、智能视频分析、机房动力环境监控、机...
概述系统总体架油田生产信息监控系统2.1 系统终端 2.2 传输网络 2.3 信息中心 2.4 系统整体结构图三、系统总体功能—3.1 系统监测...
油井结垢原理
油 井 调 剖 技 术 目 录 一、问题的提出 ................................................... 1 二、油井调剖技术的基本原理...
油井热洗清蜡操作规程 一 、 常 规 热 洗 操 作 规 程 1、 准 备 工 作 ( 1) 编 制 热 洗 方 案 ; ( 2) ...
各级油井水泥的性能及应用范围 1 AP I A 级油井水泥 A 级油井水泥属硅酸盐水泥系列,只有普通型一种(与 ASTM 标准的 I 型水泥相...
油井水泥新产品及标准(技术交流资料2007)
SY/T 5875—9 油井液面测试方法 中国石油天然气总公司1994-01-06 批准1994-06-01 实施 1 主题内容与适用范围 本标准规定了应...
星期日常规密度设计浆体密度1.90试验水质S93淡水侧钻斜井泥浆密度 1.20井底循环温度58.480.51地表温度 11.40井底静止温度68.800.37初始温...
关 于 以 “爱人爱井、爱井敬业”为核心 的油井文化的释义 延长油田是中国石油文化的发祥地,有着中国陆上第一口油井的石油鼻祖地位,...

