电脑桌面
添加小米粒文库到电脑桌面
安装后可以在桌面快捷访问

油井小型酸化设计

油井小型酸化设计_第1页
1/11
油井小型酸化设计_第2页
2/11
油井小型酸化设计_第3页
3/11
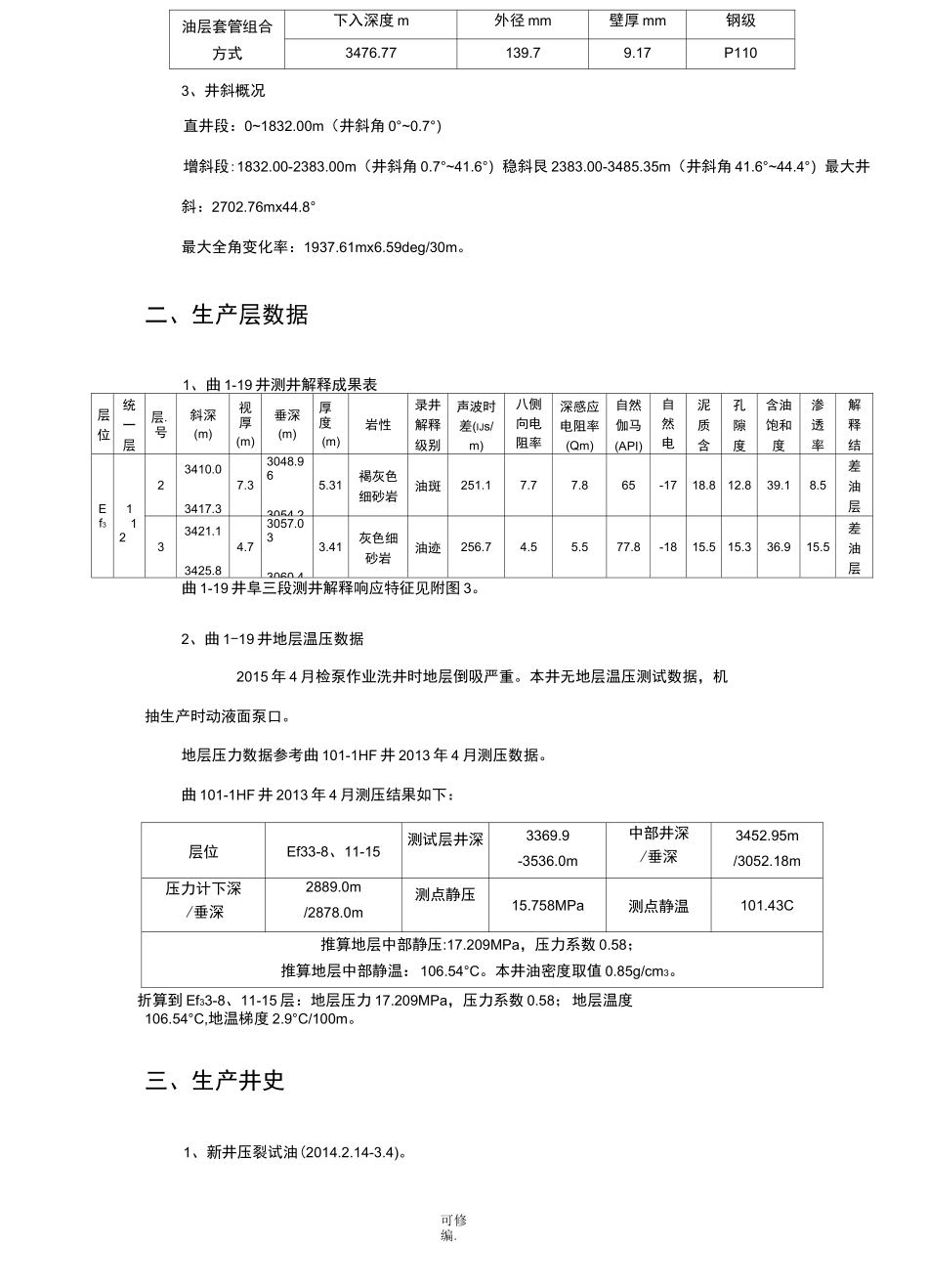
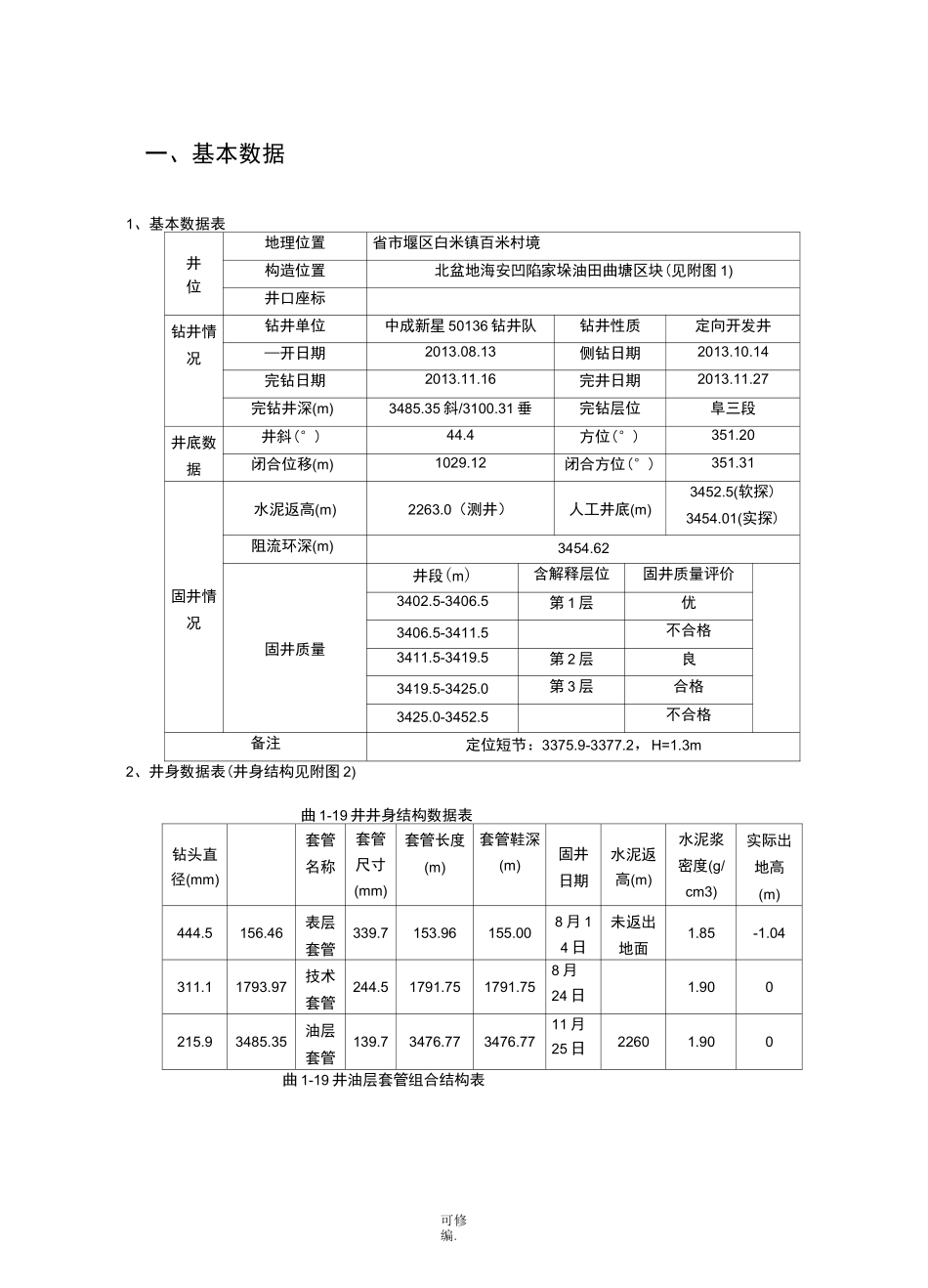
可修编.一、基本数据1、基本数据表井位地理位置省市堰区白米镇百米村境构造位置北盆地海安凹陷家垛油田曲塘区块(见附图 1)井口座标钻井情况钻井单位中成新星 50136 钻井队钻井性质定向开发井—开日期2013.08.13侧钻日期2013.10.14完钻日期2013.11.16完井日期2013.11.27完钻井深(m)3485.35 斜/3100.31 垂完钻层位阜三段井底数据井斜(°)44.4方位(°)351.20闭合位移(m)1029.12闭合方位(°)351.31固井情况水泥返高(m)2263.0(测井)人工井底(m)3452.5(软探)3454.01(实探)阻流环深(m)3454.62固井质量井段(m)含解释层位固井质量评价3402.5-3406.5第 1 层优3406.5-3411.5不合格3411.5-3419.5第 2 层良3419.5-3425.0第 3 层合格3425.0-3452.5不合格备注定位短节:3375.9-3377.2,H=1.3m2、井身数据表(井身结构见附图 2)曲 1-19 井井身结构数据表钻头直径(mm)套管名称套管尺寸(mm)套管长度(m)套管鞋深(m)固井日期水泥返高(m)水泥浆密度(g/cm3)实际出地高(m)444.5156.46表层套管339.7153.96155.008 月 14 日未返出地面1.85-1.04311.11793.97技术套管244.51791.751791.758 月24 日1.900215.93485.35油层套管139.73476.773476.7711 月25 日22601.900曲 1-19 井油层套管组合结构表可修编.油层套管组合方式下入深度 m外径 mm壁厚 mm钢级3476.77139.79.17P1103、井斜概况直井段:0~1832.00m(井斜角 0°~0.7°)增斜段:1832.00-2383.00m(井斜角 0.7°~41.6°)稳斜艮 2383.00-3485.35m(井斜角 41.6°~44.4°)最大井斜:2702.76mx44.8°最大全角变化率:1937.61mx6.59deg/30m。二、生产层数据1、曲 1-19 井测井解释成果表层位统一层层.号斜深(m)视厚(m)垂深(m)厚度(m)岩性录井解释级别声波时差(IJs/m)八侧向电阻率(Qm)深感应电阻率(Qm)自然伽马(API)自然电位泥质含孔隙度含油饱和度渗透率解释结Ef3123410.03417.37.33048.963054.25.31褐灰色细砂岩油斑251.17.77.865-1718.812.839.18.5差油层1233421.13425.84.73057.033060.43.41灰色细砂岩油迹256.74.55.577.8-1815.515.336.915.5差油层曲 1-19 井阜三段测井解释响应特征见附图 3。2、曲 1-19 井地层温压数据2015 年 4 月检泵作业洗井时地层倒吸严重。本井无地层温压测试数据,机抽生产时动液面泵口。地层压力数据参考曲 101-1HF 井 2013 年 4 月测压数据。曲 101-1HF 井 2013 年 4 月测压结果如下:层位Ef33-8、11-15测试层井深3369.9-3536.0m中部井深/...

1、当您付费下载文档后,您只拥有了使用权限,并不意味着购买了版权,文档只能用于自身使用,不得用于其他商业用途(如 [转卖]进行直接盈利或[编辑后售卖]进行间接盈利)。
2、本站所有内容均由合作方或网友上传,本站不对文档的完整性、权威性及其观点立场正确性做任何保证或承诺!文档内容仅供研究参考,付费前请自行鉴别。
3、如文档内容存在违规,或者侵犯商业秘密、侵犯著作权等,请点击“违规举报”。

碎片内容

油井小型酸化设计

您可能关注的文档

确认删除?
VIP
微信客服
  • 扫码咨询
会员Q群
  • 会员专属群点击这里加入QQ群
客服邮箱
回到顶部